中华骏捷提速太慢怎么办 (中华骏捷容易熄火)

2006年中华骏捷,配置2.0L 4G63发动机。故障症状为发动机难启动,阻力大,有反转迹象,放炮。典型的点火提前角过大。拔去空气流量传感器车子勉强可以启动,但是有时还是有放炮现象,工作1min左右还是自动熄火,加不了速。

该车为事故车,更换过汽缸盖、点火线圈、曲轴位置传感器。怀疑曲轴位置传感器问题,前后一共更换了3个,正时对了无数遍,确保没有问题。

故障已经排除到这个份上,本着不去相信任何人的原则,重新检查正时系统,用百分表找到活塞处于1缸上止顶位置时,确实所有的记号正常。发动机的机械正时完全正常,不再考虑。用示波器检查曲轴位置传感器信号一切正常,HALL方波信号没有任何异常。

使用数显正时枪,拔去空气流量传感器,着车后检查点火正时,不可思议的是在正时枪上需要调整到90°时,记号才对正10°。难道该车的点火正时是100°。常识告诉我们不可能,因为在我们平常的认知里点火提前角是不会这么大的。而且这时数据流里面,点火提前角为15°。

停止该车的维修,转而研究正时枪的工作原理。正时枪通过感应分缸线上的点火脉冲,驱动正时灯的闪烁,点一次火闪烁一次,通过检测点火脉冲,知道了发动机转速,有了发动机转速,正时枪可以简单地计既然提到点火提前角,有必要对其进行理论上的分析。从点火时刻起到活塞到达压缩上止点,这段时间内曲轴转过的角度称为点火提前角。混合气从点燃、燃烧到烧完有一个时间过程,最佳点火提前角的作用就是在各种不同工况下使气体膨胀趋势最大段处于活塞做功下降行程。

这样效率最高,震动最小,温升最低。影响点火提前量最大的因素有转速、节气门开度。随着转速的上升,转过同样角度的时间变短,只有更大的提前角才能得到相应的提前时间。

节气门开度越大点火提前角越小,反之亦然。

点火过早,会造成爆震,活塞上行受阻,效率降低,磨损加剧。点火过迟,气体做功效率低,排气放炮。不论点火过早或过迟,都会影响转速的提升。

所以在现代汽车上,控制模块内固化了点火提前角的数据图谱(如图1所示)。

中华骏捷挡位不好怎么办,中华骏捷容易熄火

再回头看我们这辆车的点火提前角,发动机控制模块下达的任务是算出1°曲轴转角所用的时间,你认为调整正时仪上的度数,它就推迟或者提前相应的时间去闪灯,当记号相对时,所显示的角度,就是点火提前角。

所以在正时枪的检测过程中发动机的转速是个很重要的参数。到了这儿就知道了该车的点火提前角为50°。因为该车用的是双缸同时点火技术,在排气冲程也点一次火,所以计算出来的点火提前角是正常值的2倍。故障的原因就是点火过早,这个已经是确定无疑的了(这个分析是有问题的后面会提到)。

为什么会点火过早呢?机械上没有问题,传感器工作正常,难道是控制模块的问题吗?

15 °时点火,为什么实际的点火时间却是45°呢?

我们还是先来分析一下控制模块正常状况下是怎么对上止点和发动机转速进行检测的吧!还是要讲解些基础知识。

中华骏捷挡位不好怎么办,中华骏捷容易熄火

HALL 传感器工作原理:如图2所示,在三维空间里,我们在Z轴方向上施加磁场,在Y轴方向上施加电压,Y轴方向的电子受到洛伦兹力的作用下发生偏转,所以在X轴方向产生HALL电压,通过集成电路对该电压进行放大,以驱动传感器的内部末级输出三极管。人为的用铁片对磁场进行周期性的遮蔽和放开操作,在X轴方向上产生的HALL电压就会周期性的变化,最后一级的三极管就会周期性的导通和截止。发动机有时怎么对传感器进行检测的呢?

中华骏捷挡位不好怎么办,中华骏捷容易熄火

我们看图3,a点的电压5V是由控制模块提供的,传感器内部的三极管随着磁场的出现和消失的变化而变化,当三极管导通时,a点的电压被拉低到0,当三极管截止时a点的电压变成了5V。这儿好多修理工的理解是错误的,大多数人都是认为这个电压是由传感器发出的。其实不然,传感器在这个电路里,很简单,就起到一个开关作用。控制模块就通过检测到0到5V,或者5V到0V的跳变,结合时间,从而知道了发动机的转速和曲轴位置。

具体分析一下这辆车的控制模块是怎样确定计算曲轴上止点的呢,图4是从上止点位置倒转90°时拍的照片。

曲轴皮带轮24个齿,每个齿对应的曲轴转角为15°,倒转90°时,观察到靶轮的铁片正好开始进入传感器,这时的电压是0开始跳变到5V,就是说只要控制模块接收到来自B点的一个从0到5V的跳变电压时1缸不是处于开始压缩或者做功终点,反正在上止点前90°,至于什么行程,要结合凸轮轴位置传感器一起判断。控制模块根据C点5到0V的跳变开始的时间,到这个0到5V跳变之间的总时间,8个齿120°的曲轴转角,计算出来曲轴的角速度及发动机的速度。

中华骏捷挡位不好怎么办,中华骏捷容易熄火 ​​

这时根据图谱里的点火提前角15°,曲轴应该转过75°时开始点火。这是一个正确的控制过程。分析到这一步,故障好像呼之欲出了。我认为就是有什么东西提前30°给出了0到5V的上升沿,或者控制模块故障。检查靶轮一切正常,没有松旷。

再研究,现在上止点前90°,靶轮才开始进入。就是说在这个触发信号前还有一个信号,而这个信号就是前一个触发点,C点,但是C点是5V到0V的下降沿,才是真正的触发。所以我们认为控制模块内部下降沿才是判断上止点的依据。也就是说靶轮上的前一个跳变点才是真正的触发点。

靶轮从传感器旋转出来的电压跳变点,是控制模块判断上止点前多少度的依据。

分析到这一步,故障点无非两个,开始更换的几个传感器全部是错误的。还有控制模块损坏,控制模块内部的反相电路损坏,无法对信号进行正常的处理。

中华骏捷挡位不好怎么办,中华骏捷容易熄火

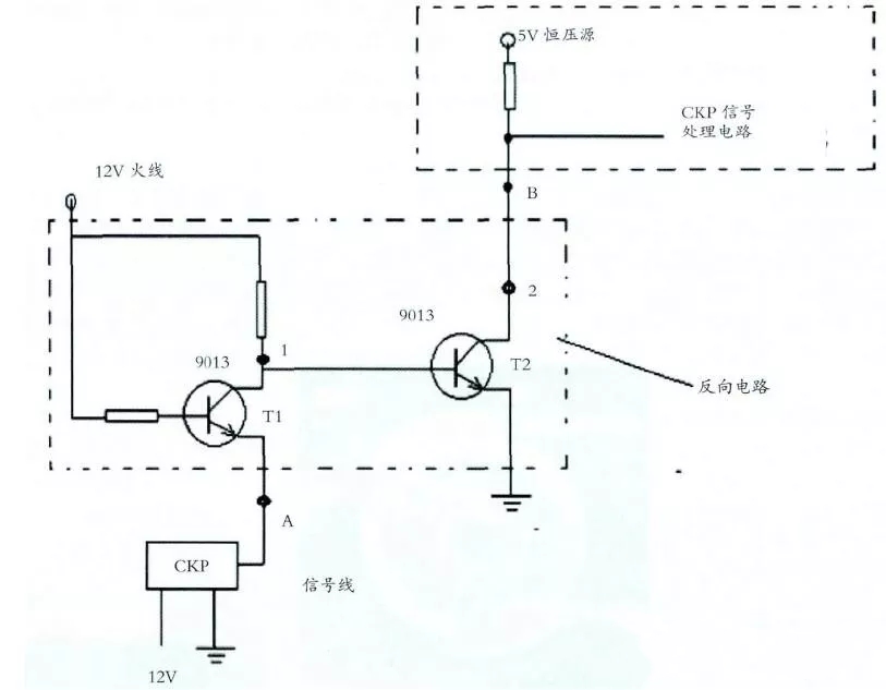
修理厂已经更换了好几个传感器了,我只能另辟蹊径去解决了。采购了几只9013NPN型三极管,250Ω的电阻,搭建了图6的反向电路。实物如图5所示。

中华骏捷挡位不好怎么办,中华骏捷容易熄火

下面介绍一个电子学上的常规反向电路,分析一下其工作原理,也是发电机调节器工作的基本原理。

CKP 内部搭铁连接时,T1管导通,1点电压拉低,T2管截止,2处电压为5V,发动机控制模块的采样电压为5V;CKP内部搭铁断开时,T1管截止,1点电压拉高,T2导通,2点电压拉低,采样点的电压也下降。

将该反向电路接入本车的CKP信号电路上,断开原车信号线,A点和传感器端连接,B段连接到控制模块端,利用CKP信号控制反向器的输出,产生和原来相位相反的信号。这样就可以得到正确的点火触发点。顺理成章的点火提前角也就正常了。装车,一次成功,交车,告诉他们有两个原因,目前无法确定到底是控制模块还是传感器问题,让他们回去找初始状态相反的传感器。

问题来了,定性分析整个诊断思路没有任何问题,包括解决方法。但是在具体定量分析点火提前角的时候出现了问题。

开始分析促发信号是靶轮C点从传感器刚出来时产生的,而且通过实验也证明了,我的判断是正确的。但是仔细分析C点到D点之间的角度,6个齿90°,在上止点前180°,接收到触发信号扣除正常的75°,大约上止点前105度,和我正时枪的角度倒是差不多,但是和我推导的50°不一致。

百思不得其解,困扰好几天,是同事原来看的正时枪的数据错误了吗?还是我的分析错误了。不甘心,又跑到客户家里,再检查了一下点火正时,在使用正时枪时,终于发现了端倪。在正时枪的感应夹正夹和反夹时的结果不同。正夹时的数据(发动机转速,提前角)正好是反夹时的双倍。

到这儿,我已经完全明白了,开始在看点火正时时没有去关注正时枪上显示的转速,想当然的就认为了,正时枪上显示的数据除以二,就是点火提前角。其实不然,第一次看到的数据就是真实的点火提前角数据。最后反而做了画蛇添足的分析,走了弯路。

到这儿,一个完整的故障分析,排除及原理,已经完全剖析结束。最后一个疑问,到底点火提前角多少度,发动机才较好启动。为什么该车提前角这么大,拔去空气流量传感器,倒是勉强可以启动了。学校实验室没有这个条件,没有办法做实验去验证。