
1、图E-103为直流母线电压监视装置电路图,请说明其作用。
答:直流母线电压监视装置主要是反映直流电源电压的高低。K V1是低电压监视继电器,正常电压KV1励磁,其常闭触点断开,当电压降低到整定值时, KV1失磁,其常闭触点闭合, HP1光字牌亮,发出音响信号。KV2是过电压继电器,正常电压时KV2失磁,其常开触点在断开位置,当电压过高超过整定值时KV2励磁,其常开触点闭合, HP2光字牌亮,发出音响信号。

2.说明图E-104直流绝缘监视装置接线图各元件的作用。
答:图E-108是常用的绝缘监察装置接线图,正常时,电压 表1PV开路,而使ST1的触点5-7、9-11( ST1的1-3、2-4断开)与ST2的触点9-11接通,投入接地继电器KA。当正极或负极绝缘下降到一定值时,电桥不平衡使KA动作,经KM而发出信号(若正、负极对地的绝缘电阻相等时,不管绝缘下降多少,KA不可能动作,就不能发出信号,这是其缺点)。此时,可用2PV进行检查,确定是哪一极的绝缘下降(测“+”对地时,ST2的2-1、6-5接通;测“-”对地时,ST2的1-4、5-8接通。正常时,母线电压表转换开关ST2的2-1、5-8、9-11接通,电压表2PV可测正、负母线间电压,指示为220V。),若正极对地绝缘下降,则 投ST1 I档,其触点1-3、13-14接通,调节R3至电桥平衡电压表1PV指示为零伏;再将ST1投至II档,此时其触点2-4、14-15接通,即可从1PV上读出直流系统的对地总绝缘电阻值。若为负极对地绝缘下降,则先将ST1放在II档,调节3R至电桥平衡,再将ST1投至I档,读出直流系统的对地总绝缘电阻值。假如正极发生接地,则正极对地电压等于零。而负极对地指示为220V,反之当负极发生接地时,情况与之相反。电压表1PV用作测量直流系统的总绝缘电阻,盘面上画有电阻刻度。由于在这种绝缘监察 装置中有一个人工接地点,为防其它继电器误动,要求电流继电器KA有足够大的电阻值,一般选30kΩ,而其启动电流为1.4mA,当任一极绝缘电阻下降到20 kΩ时,即能发出信号。对地绝缘下降和发生接地是两种情况。

3、根据图E-105分别说明A点与C点;B点与C点;A点与B点或A点与D点同时发生接地时有什么危害。
答:直 流系统在变电站中具有重要的位置。要保证一个变电站长期安全运行,其因素是多方面的,其中直流系统的绝缘问题是不容忽视的。变电站的直流系统比较复杂,通过电缆沟与室外配电装置的端子排、端子箱、操作机构箱等相连接,因电缆破损、绝缘老化、受潮等原因发生接地的可能性较多,发生一极接地时,由于没有短路电流,熔断器不会熔断,仍可继续运行,但也必须及时发现、及时消除。通常,要求直流系统的各种小母线、端子回路、二次电缆对地的绝缘电阻值,用500V摇表测量其值不得小于0.5MΩ。直流回路绝缘的好坏必须经常地进行监视。否则,会给运行带来许多不安全因素。
现以图E-105为例说明 直流接地的危害。当图中A点与C点同时有接地出现时,等于+WC、-WC通过大地形成短路回路,可能会使熔断器FU1和FU2熔断而失去保护电源;当B点与C点同时有接地出现时,等于将跳闸线圈短路,即使保护正常动作,YT跳闸线圈短路,即使保护正常动作,YT跳闸线圈也不会起动,断路器就不会跳闸,因此在有故障的情况下就要越级跳闸;当A点与B点或A点与D点,同时接地时,就会使保护误动作而造成断路器跳闸。直流接地的危害不仅仅是以上所谈的几点,还有许多,在此不一一作介绍了。因为发生直流接地将产生许多害处 ,所以对直流系统专门设计一套监视其绝缘状况的装置,让它及时地将直流系统的故障提示给值班人员,以便迅速检查处理。

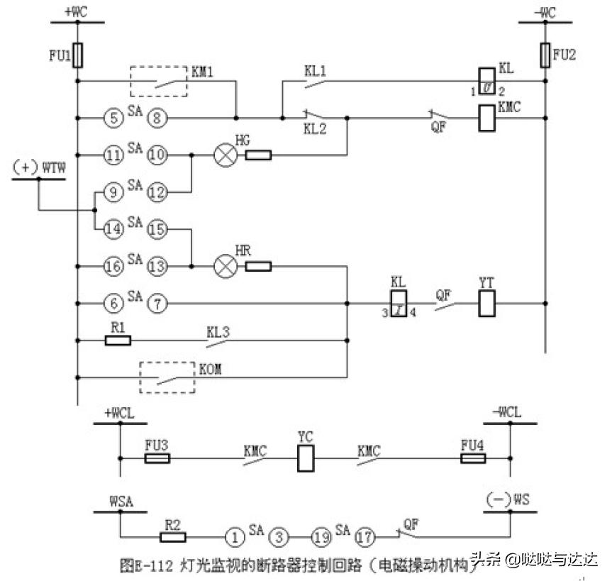
4、据图E-106具有灯光监视的断路器控制回路图(电磁操动机构)说明各元件的名称,动作过程。
答:图中:+WC、-WC — 控制母线; FU1、FU2—熔断器,R1-10/6型,250V; SA — 控制开关,LW2-1a.4.6a.40.20.20/F8型;HG — 绿色信号灯具,XD2型,附2500Ω电阻;HR — 红色信号灯具,XD2型,附2500Ω电阻;
KL — 中间继电器,DZB-115/220V 型;KMC—接触器; KOM — 保护出口继电器;QF—断路器辅助开关;WCL—合闸小母线;WSA—事故跳闸小母线; WS—信号小母线;YT—断路器跳闸线圈;YC—断路器合闸线圈,FU1、FU2—熔断器,RM10-60/25 250V;R1—附加电阻,ZG11-25型,1Ω;R2—附加电阻,ZG11-25型,1000Ω;(+)WTW—闪光小母线。
(一)“跳闸后”位置
当SA的手柄在“跳闸后” 位置,断路器在跳闸位置时,其常闭触点闭合,+WC经FU1 SA11-10 HG及附加电阻 QF(常闭) KMC线圈 FU2 -WC。此时,绿色信号灯回路接通,绿灯亮,它表示断路器正处于跳闸后位置,同时表示电源、熔断器、辅助触点及合闸回路完好,可以进行合闸操作。但KMC不会动作,因电压主要降在HG及附加电阻上。
(二)“预备合闸”位置
当SA的手柄顺时针方向旋转 90o至“预备合闸”位置,SA9-10接通,绿灯HG回路由(+)WTWSA9-10 HG QF(常闭) KMCFU2 -WC导通,绿灯闪光,发出 预备合闸信号,但KMC仍不会启动,因回路中串有HG和R。
(三)“合闸”位置
当SA的手柄再顺时针方 向旋转45o至“合闸”位置时,SA5-8触点接通,接触器KMC回路由+WCSA5-8 KL2(常闭) QF(常闭)KMC线圈 -WC导通而启动,闭合其 在合闸线圈回路中的触点,使断路器合闸。断路器合闸后,QF常闭触点打开、常开触点闭合。
(四)“合闸后”位置
松手后,SA的手柄自动反 时针方向转动45o,复归至垂直(即“合闸后”)位置,SA16-13触点接通。此时,红灯HR回路由 FU1SA16-13 HR KL线圈 QF(常开) YT线圈 FU2-WC
导通, 红灯亮,指示断路器处于合闸位置,同时表示跳闸回路完好,可以进行跳闸。
(五)“预备跳闸”位置
SA手柄在“预备跳闸”位置时,SA13-14导通,经(+)WTW HRKL QF常开触点 YT -WC回路,红灯闪光,发出预备合闸信号。
(六)“跳闸”位置
将SA手柄反时针方向转 45o至“跳闸”位置,SA6-7导通,HR及R被短接,经+WC SA6-7 KL QF常开触点 -WC,使YT励磁,断路器跳闸。断路器跳闸后,其常开触点断开,常闭触点闭合,绿灯亮,指示断路器已跳闸完毕,放开手柄后,SA复位至“跳闸后”位置。
当断路器手动或自动重合在故障线路上时,保护装置将动作跳闸,此 时如果运行人员仍将控制开关放在“合闸”位置(SA5-8触点接通),或自动装置触点KM1未复归,断路器SA5-8将再合闸。因为线路有故障,保护又动作跳闸,从而出现多次“跳—合”现象。此种现象称为“跳跃”。断路器若发生跳跃不仅会引起断路器毁坏,而且还将扩大事故,所谓“防跳”措施,就是利用操作机构本身机械上具有的“防跳”闭锁装置或控制回路中所具有的电气“防跳”接线,来防止断路器发生“防跳”的措施。
图E-106中所示控制回 路采取了电气“防跳”接线。其KL为跳跃闭锁继电器,它有两个线圈,一个电流启动线圈,串于跳闸回路中;另一个电压保护线圈,经过自身常开触点KL1与合闸接触器线圈并联。此外在合闸回路中还串有常闭触点KL2,其工作原理如下:
当利用控制开关(SA)或自动装置(KM1)进行合闸时,若合在 故障线上,保护将动作,KOM触点闭合,使断路器跳闸。跳闸回路接通的同时,KL电流线圈带电,KL动作,其常闭触点KL2断开合闸回路,常开触点KL1接通KL的电压自保持线圈。此时,若合闸脉冲未解除(如SA未复归或KM1卡住等),则KL电压自保持线圈通过触点SA5-8或KM1的触点实现自保持,使KL2长期打开,可靠地断开合闸回路,使断路器不能再次合闸。只有当合闸脉冲解除(即KM1断开或SA5-8切断),KL的电压自保持线圈断电后,回路才能恢复至正常状态。
图中KL3的作用是用来保护出口继电器触点KOM的,防 止KOM先于QF打开而被烧坏。电阻R1的作用是保证保护出口回路中当有串接的信号继电器时,信号继电器能可靠动作。
