

TL0019压力控制器
控制器采用隔膜传感器,可用于空气、气体、水、液压油、润滑油、轻质燃油等中性气体
液体介质。控制器的设定值可在0~25kpa范围内调节。适合极低压力控制。
产品性能
工作粘度 <1×10-3m2/s
开关元件 微动开关
外壳防护等级 IP65(符合DIN40050,与GB4208中IP65相当)
介质温度 0~80℃
环境温度 -20℃~50℃
抗振性能 尽可能避免安装在振动场所(Max 10m/s2)
重复性误差 ≤1.5%
触点容量 AC 220V 2A(阻性)
规格(切换差不可调)
|
设定值调节范围KPa |
0~2 |
2~25 |
|
切换差不大于KPa |
0.1 |
0.7 |
|
最大允许压力①KPa |
60 |
|
|
开关切换次数次/分 |
10 |
|
|
压力传感器材料 |
外壳:铝;膜片:*腈丁**橡胶 |
|
|
接口内螺纹 |
G1/4″ |
|
|
重量kg |
0.5 |
|
|
外形尺寸图号 |
01 |
|
|
订货目录编号 |
TL0019.10-017265 |
TL 0019.10-033265 |
注:①在实际工作中,即使短暂的压力峰值也不能超过此值。②仅适用于安装在无振动的场合。
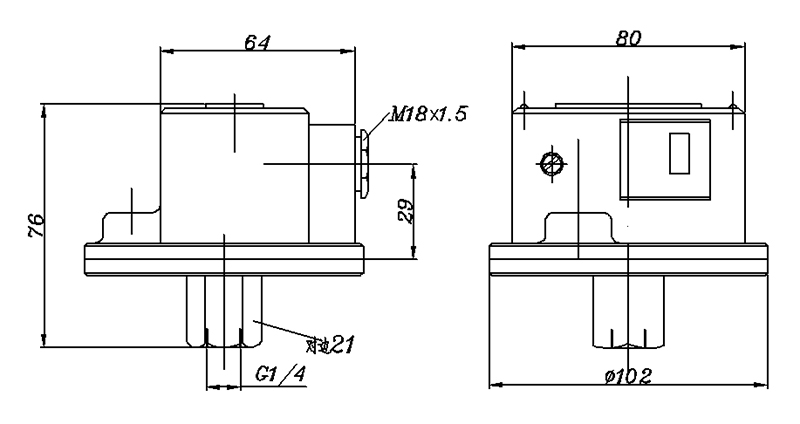
外形以及安装尺寸图
