一套完整的无线(wifi)覆盖系统施工方案
本文主要内容:
-
无线覆盖网络结构示意图
-
无线设备点位设计
-
弱电施工布线图
-
设备安装要求
1无线覆盖网络结构示意图
结合用户无线网络需求情况,结合产品自身技术特点,为了满足用户构建一个高速、稳定、安全、可靠、易于管理的无线接入网络的需求,本设计方案按照AP+AC的结构化无线网络解决方案进行设计。网络拓扑原理如下:

2无线覆盖实际拓扑图(宿舍楼)

3无线设备点位设计
实际部署方式需要根据现场实际勘测、信号测试情况,无线网络采取蜂窝式部署方式。
xx总部宿舍楼:
暂定部署按7800平方米覆盖,宿舍人数较多每150-300平方米需要一个AP,预计总AP数量约为28个:
4AP 点位图(每层宿舍楼)
根据覆盖区域面积要求,AP点施工规划图如下(实际施工中可能会此规划图稍有偏差,具体方案以现场施工要求和条件为准):

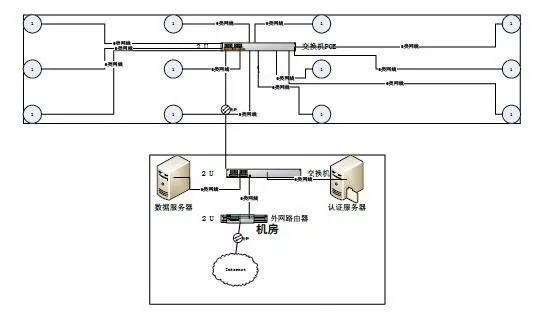
5弱电施工布线图(均采用无插座POE供电,安全可靠)

6设计依据
网络标准:支持 IEEE802.11n,IEEE802.11g,IEEE802.11b,IEEE 802.3u,IEEE13802.3af;
传输速率:
300M:-65dBm@10%PER;
150M:-68dBm@10%PER;
108M:-70dBm@10% PER;
54M:-72dBm@10% PER;
11M:-85dBm@8% PER;
6M:-88dBm@10% PER;
1M:-90dBm@8% PER;
介质访问协议:CSMA/CA, TCP/IP, IPX/SPX, NetBEUI, DHCP, NDIS3, NDIS4,NDIS5l
调制:DBPSK、DQPSK、CCK、OFDM、16-QAM、64-QAM
7无线覆盖技术指标
待覆盖区域内 95%以上的位置,信号场强大于等于-75dBm;
WIFI 覆盖区域内 99%的区域的 WIFI 的接入成功率大于 95%;单 AP 并发用户数不低于 30 人/台;
天线口的出口功率控制在 10-15dBm 为宜,最大不超过 15dBm(有室内分布系统时需有此指标) ,放装 AP 设备输出射频功率小于 20dBm;
8设备选型情况
AP 选用室内放装型设备、内置天线,不建设分布系统,设备射频输出功率为100mW,采用 POE 供电;所有 AP接入有线汇聚到交换机;
9系统支持并发用户数
在本次 WIFI 工程:
(1) 覆盖区域网络 AP 数量:每层宿舍楼3个AP。
(2) 每 AP 最佳并发接入用户数30 个左右;单 AP 可关联用户数 64 个。
10信道规划
按照 802.11bgn 协议规定,WIFI 工作频段带宽为 83.5MHz,划分为 14 个子频道,每个子频道带宽为 22MHz。子频道分配如下图所示:

如图所示,在多个频道同时工作的情况下,为保证频道之间不相互干扰,要求两个频 道的中心频率间隔不能低于 25MHz。在一个覆盖区内,直序扩频技术最多可以提供 3 个不 重叠的频道同时工作。
因此,频点分配原则如下:
原则上采用同一频点组中的 3 个不重叠频点(如,1、6、11)进行频点规划;
相邻覆盖区域的 AP 不使用相同频点;
相同频点通过间隔较远距离或者建筑隔断增加同频隔离度,避免同频干扰;
在容量极高区域,可采用 1、3、6、8、11、13 频点的紧凑复用,提高区域内的承载容量,必须详细提供各个 AP 的覆盖区域以及模测效果,说明已采用避免干扰的布点及规划。
11设备安装要求
11.1
网关、交换机、AC的具体安装要求
(1)必须按照设计要求,安装在楼宇的 WIFI 设备机箱(机房)内且远离强电、强磁及腐蚀物质的位置;
(2) 机箱(或机房)周围不得堆放易燃材料,温度、湿度应满足设备的正常工作要求;
(3)直接从机箱(机房)内 220V 交流电源取电,电源线应与数据线缆保持一定距离,不得交叉、混缠;
(4) 交换机安装于集装架内或者安装在铁箱中挂在墙上,机架应牢固地安装在地面或者挂墙;
(5) 与各设备连接跳线尚未接入时,应先用胶布包好,注意防潮;
(6) 各引入线缆标签应牢固、明晰,不得混淆;
(7) 设备、机箱(机架)和机房线缆应擦拭干净;
(8)保持设备整洁;
(9)本次工程所有光纤收发器、POE 供电交换机安装在合适位置。
11.2
AP 设备的安装要求
(1) 内置天线的 AP,应严格按照设计文件要求的位置,安装在房间或走廊的吊顶下或墙面上;
(2) AP 应良好固定,安装朝向应符 合内置天线极化方式要求,并满足设计文件的覆盖要求;
(3) AP 安装时应保证整齐、美观,不破坏室内的整体环境;
(4) AP 的供电由 PoE 通过双绞线缆获取,也可通过专用变压器就近接交流 220V 电源供电,电源线应与数据线缆保持不小于 130mm 距离;
(5) 引入 AP 的线缆,应与 AP 良好连接,不得松脱,并注意接头处用防水胶布缠扎、 防护,注意防潮、防尘;
(6) 安装 AP 后应用抹布擦拭,保证 AP 的清洁。
11.3
双绞网线线安装要求
(1) WIFI 系统布放的双绞线主要在建筑物的竖井和天花吊顶中布放;
(2)在线缆引入口采用 PVC 软管防护,并进行防水处理,每根管中穿线不得多于 6 根;
(3)布放应平直、美观,不得产生扭绞、打圈等现象,不应受到外力的挤压和损伤;布放时两端应保证有 1~3m 的冗余,以便于接线作业;
(4)需要弯曲布放时,要求弯角圆滑、美观,其弯曲半径应保证≥电缆外径的 8~10 倍。
(5)厂区内每个宿舍楼需要安装两个光纤接口。分别安于每栋楼层的2楼和4楼商定位置。
(6)跨楼层的双绞网线根据美佳公司相关要求走宿舍楼外墙壁。
(7)所选用双绞线均为放水,放静电,绝缘,耐火材料。
12施工注意事项
(1)乙方施工期间不能影响职工的生活休息,必须遵守XX集团的相关安全管理规定。
(2)甲方有权对乙方工程施工工作进行监督。
(2)在设备的安装、调测及开通期间,甲方应提供必要的配合,保证施工的完成。
文末福利
感谢一直支持我们平台的每一位读者,有了你们的鼓励、支持与反馈,我们才能够不断的推出真正能够帮助到咱们行业人的资料技术文章,助力行业发展,另外咱们各位读者若是有其他想要了解或是有任何建议的,我在私信期待着您的到来。
作为回馈,我收集并筛选了一份堪称史上最全弱电资料合集,供大家免费学习,资料涵盖智能化弱电系统设计方案、智能化弱电工程文档+表格资料汇总、弱电项目工程竣工资料、弱电各个领域行业规范、15种系统设计方案、弱电施工组织设计等资料合集。