今天是正月初三
传说:正月初三称为小年朝,也称为赤狗日。传说中赤狗是熛怒之神,遇到他的人一定会不吉利,故初三为凶日,不宜外出。据说在初三跟谁拜年,就会跟谁吵架,因而不拜年;另外赤字有赤贫的意思,所以中国民间也不在这天宴客,会冲犯赤狗,带来贫穷。
今天跟大家聊聊苹果手机中的USB管理芯片,好多朋友叫U2。USB管理芯片是USB数据传输和充电都需要的一个很重要的芯片,几个电子开关被集成在里面,此芯片出现故障可能会出现漏电、不联机、不充电、蓝屏故障、重启故障等。
如何判断此芯片出现故障呢?
我们谈谈维修技巧。从芯片的工作条件入手进行分析。(以苹果6为例分析)

在苹果6手机中,此芯片序号为U1700,型号为:CBTL1610A2UK。
1、自身供电
此机器有三组供电,D5脚为PP3V3_ACC;F3脚为PP1V8_SDRAM;F4脚为PP3V0_TRISTAR。
这三个电压可以分别在C1299;C1739;C1754、C1700。非地端测到相应电压。
2、复位信号
U1700的E4脚为复位信号,可以测到1.8V,此信号来自CPU U1202的R4脚,如果此电压没有,可以从别处飞线过来。比如显示电源U1502的C2脚。
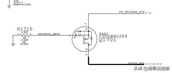
3、不充电时,重点关注一下U1700的F6脚,充电检测电路。到Q1701的2脚是否断线。
如果没有断线,重点检测Q1701的工作条件。

4、过压保护
U1700的D6脚TRISTAR_TO_PMU_OVP_SW_EN_L为过压保护信号,如果此路测不到1.8V供电,就会出现不充电、充不进去电,现象。
5、附件检测,有三路,分别是C5、E5、E3脚,数据线、或者外接耳机等信号输入,却测不到检测电压,就会造成相应故障。这三个电压大体在4.3V左右。
大家在看图纸时,可以根据英文翻译,就可以大体知道哪些脚位与出现的故障有关系,那么就重点针对这些脚位进行测试分析。
与你一起终身学习,这里是杨哥说维修。欢迎大家关注我们,一起交流分享。