EC2926-A84B 七键触摸芯片
一. 功能说明
供电方式:DC5V。七路触摸输入控制两路输出。
上电默认关,LED不工作。
K1触摸键:短按开启LED,再短按关闭。循环。
K2触摸键:短按进入阅读模式,正白占空比70%,暖白占空比60%。
K3触摸键:短按进入延时模式:灯光渐变呼吸两次,延时 60S关闭灯光。
K4触摸键:短按进入夜灯模式,正白占空比0%,暖白占空比22.6%。
K5触摸键:休闲模式:正白占空比0%,暖白占空比42%
K6触摸键:亮度加,共7档调光。
K7触摸键:亮度减,共7档调光。
①、一档正白占空比6.6%,暖白占空比13.2%。
②、二档正白占空比11.2%,暖白占空比16.7%。
③、三档正白占空比17.5%,暖白占空比19%。
④、四档正白占空比27.2%,暖白占空比23.3%。
⑤、五档正白占空比42.8%,暖白占空比22.9%。
⑥、六档正白占空比70%,暖白占空比21%。
⑦、七档正白占空比78%,暖白占空比19%。
二. 电气参数 (VDD=3.0V TA=25℃)
|
参数 |
符号 |
最小值 |
典型值 |
最大值 |
单位 |
条件 |
|
工作电压 |
VDD |
2.7 |
3.0 |
5.0 |
V |
|
|
工作电流 |
IOP |
3 |
mA |
|||
|
静态电流 |
ISTB |
10 |
uA |
VDD=5.0V |
||
|
驱动电流低电平输出 |
IOL |
8 |
mA |
VDD=5.0V,VOL=0.7V |
||
|
驱动电流高电平输出 |
IOH |
4 |
mA |
VDD=5.0V,VOH=VDD-0.7 |
||
|
过VDD极限电流 |
IVDDmax |
50 |
mA |
|||
|
过GND极限电流 |
IGNDmax |
50 |
mA |
|||
|
工作温度 |
TA |
-20 |
25 |
70 |
℃ |
|
|
储存温度 |
Tstg |
-50 |
25 |
125 |
℃ |
三. 封装脚位图(SOP-16)

7键触摸IC
|
管脚号 |
符号 |
功能描述 |
|
1 |
TI5 |
触摸5休闲模式 |
|
2 |
TI6 |
触摸6亮度加 |
|
3 |
TI7 |
触摸7亮度减 |
|
4 |
NC |
悬空 |
|
5 |
NC |
悬空 |
|
6 |
NC |
悬空 |
|
7 |
CAP |
灵敏度调节 |
|
8 |
GND |
电源负 |
|
9 |
OUT1 |
输出1高电平有效 |
|
10 |
OUT2 |
输出2高电平有效 |
|
11 |
NC |
悬空 |
|
12 |
VDD |
电源正 |
|
13 |
TI1 |
触摸1开关 |
|
14 |
TI2 |
触摸2阅读模式 |
|
15 |
TI3 |
触摸3延时模式 |
|
16 |
TI4 |
触摸4夜灯模式 |
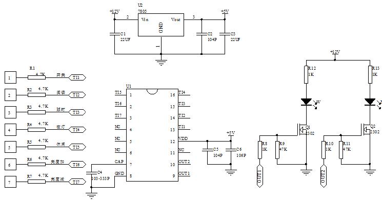
四. 电路图参考

7键触摸台灯芯片
五. 封装尺寸图(SOP-16)

LED台灯触摸芯片
六. 版本说明
|
版本 |
日期 |
描述 |
|
EC2926-A84B |
2020/12/8 |
V01初版 |

台灯触摸IC芯片