电功率
时间:80分钟,分值100分
一、选择题(52分)
1.小王家的电能表上标着“600revs/(kW•h)”他用这个电能表来测量某用电器的功率;他把家中的其他用电器都与电源断开,仅让这个用电器工作,5min内电能表的转盘转了30转.则该用电器的额定功率是( )
A.0.01kW B.0.06kW
C.0.1kW D.0.6kW
2.某白炽灯铭牌上标有“220V 40W”的字样,关于这盏白炽灯的说法正确的是( )
A.该灯只能在220V的电压下工作
B.该灯工作时的电功率一定为40W
C.该灯正常工作时的电流为5.5A
D.该灯正常工作时的电阻为1210Ω
3.如图,电源电压恒为4.5V,灯泡L标有“3V 0.9W”字样(灯丝电阻不变),滑动变阻器规格“50Ω lA”,在不损坏电路元件的情况下,下列判断正确的是:( )
A.该电路的最大功率是1.35W
B.滑动变阻器的阻值可以调到零
C.滑片向左移动时,电压表示数变大
D.滑片向右移动时,灯泡消耗的功率变大

第三题
4.如图所示,闭合开关S,当滑动变阻器的滑片P向右滑动时,下列判断正确的是
A.电流表示数变小 B.电压表示数变小 C.灯L变亮 D.滑动变阻器消耗的功率变大

第四题
5.如图所示,将额定电压相同的两个灯泡L1、L2串联后接入电路中,接通电路后,发现L1要亮一些。则下列判断正确的是( )

第五题
A.L1的电阻比L2的小
B.L1的额定功率比L2的大
C.L1、L2正常工作时,L1发光要暗一些
D.若将L1、L2并联接入电路,L1发光要亮一些
6.有两灯如图所示,L1,L2分别标有“15V 1A”;“10V 0.5A”,的字样,其中一灯正常发光时,它们的功率之比是(灯丝的电阻不变)( )

第六题
A.4∶3 B.3∶4
C.5∶3 D.3∶2
7.如图为一只“6V 1.5W”小灯泡的电流随电压变化的关系图像.若把这样的三只灯泡串联起来,接在12V的电源两端,则此时每只灯泡的电阻及实际功率为( )

第七题
A.24Ω 0.67W B.20Ω 0.8W
C.24Ω 0.96W D.20Ω 0.67W
8.利用如图所示电路可定性研究电热与电流、电阻和通电时间的关系,图中三个电阻的材料和质量相同,且R1=R3=5Ω,R2=10Ω,三个电子温度计分别与之相连(图中未画出),并能测量它们的温度.闭合开关后,每隔一定时间记录各电阻的温度,通过比较温度的变化来间接反映电阻产生电热的多少.下列有关分析与推断错误的是( )

第八题
A. 分析任意一个电阻的温度变化,可知电热与通电时间有关
B. 分析比较R1和R2的温度及变化,可知电热与电阻有关
C. 分析比较R1和R3的温度及变化,可知电热与电流有关
D. 分析比较R2和R3的温度及变化,可知电热与电流和电阻有关
9.当温度降到很低时,某些金属导体如铝在﹣271.76℃以下,铅在﹣265.95℃以下时,电阻就变成了零,这种现象称为超导现象.假如白炽灯的灯丝、电动车内线圈、电饭锅及电熨斗内部电热丝都用超导材料制作,当用电器通电时,假设这些导体的电阻都变为零,下列说法正确的是( )
A.白炽灯仍能发光且更省电
B.电动机仍能转动且效率更高
C.电饭锅仍能煮饭且效率更高
D. 电熨斗仍能熨烫衣服且更省电
10.如图所示,将灯L1、L2按图甲、乙两种方式接在电压均为U的两个电路中,在甲图中灯L1的功率为4W,在乙图中灯L1的功率为9W.设灯丝电阻不变.下列说法中不正确的是( )

第十题
A.甲、乙两图中灯L1两端的电压之比是2:3
B.L1、L2两灯灯丝电阻之比是2:1
C. 甲图中灯L1、L2的功率之比是2:1
D.甲、乙两图电路消耗的总功率之比是3:2
11.如图所示的电路中,电源电压保持不变,R1为定值电阻,开关闭合后,滑动变阻器的滑片P向左移动时,下列说法正确的是( )

A.电流表示数变小,电压表与电流表示数乘积变大
B.电流表示数变大,电压表与电流表示数乘积变大
C.电压表示数变小,电压表与电流表示数之比变大
D.电压表示数变大,电压表与电流表示数之比变大
12.如果加在定值电阻两端的电压从8V增加到10V时,通过定值电阻的电流相应变化了0.2A,则该定值电阻所消耗的电功率的变化量是( )
A.0.4W B.2.8W C.3.2W D.3.6W
13.如图所示的电路中,电源电压为20V,定值电阻R为20Ω,滑动变阻器标有“30Ω1A”字样,电压表选用的量程是0~15V,在该电路正常使用的情况下,则( )

A.电路消耗的最大功率为20W
B.电路消耗的最小功率为8W
C.电压表的最小示数为5V
D.滑动变阻器接入电路的最小阻值为10Ω
二、填空题(18分)
14.一天,小红看她家电能表的表盘如图所示,此时电能表的读数是 kW•h的电能;该电能表的表盘每转300转,说明小红家的用电器消耗了 kW•h的电能。

15.如图所示,电源电压保持不变,小灯泡L标有“6V 0.6W”的字样,R为定值电阻,闭合S1,断开S2,小灯泡正常发光光;若再闭合S2,发现电流表示数变化了0.3A,则R的阻值为 Ω,此时灯泡L和电阻R消耗的功率之比是 .

16.如图所示的电路中,电源电压保持6V不变,电阻R1=10Ω,R2=20Ω,闭合开关S,则R1消耗的电功率为 W;若通电30s,电阻R2产生的热量为 J.

17.某元件(阻位不变)标有“6V 6W”字样.它正常工作的电流是 A,它的电阻R是 Ω,将该元件与灯L接入电路中,如图所示。通过灯L的电流随电压变化的图像如图所示.电流表量程为“0一0.6 A",电压表量程为“0一3 V",闭合开关,在保证电路各元件都安全的情况下,灯L消耗的最大电功率可达到 W。

三、计算题(30分)
18.(15分)小明家买了一台全自动豆浆机,其部分技术参数如下表,豆浆机的核心部件是机头,它的中间部位是一个带动刀片旋转的电动机,用来将原料粉碎打浆,外部是一个环状加热管(电热丝),用来对豆浆加热(如图甲是豆浆机的机械结构图).制作豆浆的过程是加热-打浆-加热-打浆-加热,加热和打浆交替进行.图乙是该豆浆机做好一次豆浆的p-t图象,请根据以上信息解答下列问题:

(1)豆浆机正常打浆时,通过电动机电流是多少?
(2)豆浆机正常工作时,加热管电阻丝的阻值是多少?
(3)豆浆机做好一次豆浆,消耗的总电能是多少?
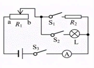
19、(15分)如图所示,电源电压保持不变,小灯泡L标有“3V 1.5W”的字样,滑动变阻器R1的阻值变化范围为0~70Ω,定值电阻R2的阻值为30Ω.求:
(1)小灯泡L正常发光时的阻值为多少?
(2)当S1、S2和S3都闭合,滑动变阻器的滑片滑到a端时,小灯泡L恰好正常发光,此时电流表的示数为多少?
(3)保证电流表有示数时,滑动变阻器的滑片应怎样移动,同时开关应怎样闭合或断开才能使电路的总电功率最小?最小电功率为多少?

第十六章 电功率
一、选择题
1、D
【解析】W=30转/600revs/(kW•h)=0.05kW•h
5min=1/12 h P=W/t=0.6kW
2、D
3、A
【解析】本图为串联电路,不损坏电路元件的情况下,电路在最大电流I=P/U=0.9W/3V =0.3A
最大功率P=IU总=0.3A×4.5V=1.35W,故A正确
滑动变阻器的阻值调到零时灯两端电压为4.5V,会烧坏灯泡,故B不正确。
滑片向左移动时,阻值变小,分的电压就变小,电压表示数变小,故C不正确;
滑片向右移动时,阻值变大,电路中电流变小,灯变暗,灯泡消耗的功率变小,故D不正确。
4、A
【解析】图为并联电路,当滑动变阻器的滑片 P 向右滑动时,阻值变大。通过变阻器的电流变小,而变阻器两端电压不变,根据P=UI滑动变阻器消耗的功率变小。D选项错误。并联电路各用电器互不影响,故灯亮度不变,,通过灯的电流也不变,所以C错误,A正确。电压表测电源电压,故不变。
5、C
6、A
解析:由图知:L1、L2并联,由铭牌“15V、1A”、“10V、0.5A”求得R1=U1/I1=15V/1A=15Ω,R2=U2/I2=10V/0.5A=20Ω,要使其中一灯正常发光,则两端所加电压为U=10V,由P=U2/R可知:P1:P2=R2:R1=20Ω:15Ω=4:3。故选A。
答案:A
7、B
【解析】三只灯泡串联起来,接在12V的电源两端,每只灯分得的电压为4V,由图像可知当U=4V时,I=0.2A,再分别用R=U/I 和 P=UI求出电阻和电功率。
8、D
【解析】: A、由Q=I2Rt可知,对同一电阻而言,通过的电流不变时,通电时间越长,产生的热量越多,温度越高,故A正确;
B、探究电热与电阻关系时,由Q=I2Rt可知,需保持电流和通电时间相同,电阻不同;
根据题意和电路图可知,R1≠R2,并且R1、R2串联,即通过的电流和通电时间相等,因此分析比较R1和R2的温度及变化,可知电热与电阻有关,故B正确;
C、探究电热与电阻关系时,由Q=I2Rt可知,需保持电阻和通电时间相同,电流不同;
根据题意和电路图可知,R1=R3,并且R1、R2串联后与R3并联,由于两支路的总电阻不同,因此通过它们的电流不同,故分析比较R1和R3的温度及变化,可知电热与电流有关,故C正确;
D、根据控制变量法可知,探究电热与电流、电阻以及通电时间是否有关时,变化的量只能有一个,其它因素均不变,因此不可以探究电热与电流和电阻的关系,故D错误.
故选D.
9、B
【解析】:白炽灯灯丝、电饭锅、电熨斗都是利用电流的热效应工作的,如果导体没有电阻,当用电器通电时,用电器不会产生电热,白炽灯不能发光,电饭锅不能煮饭,电熨斗不能熨衣服.导体有电阻时,电动机工作,电能转化为机械能和内能,假设导体没有电阻,当电动机通电时,电动机不会产生电热,电能全部转化为机械能,效率更高更好.
故选B.
10、D.
【解析】甲图中,两灯串联,乙图中两灯并联,根据公式P=可求甲乙两图中灯L1两端的电压之比.
在甲图中,电流相等,根据欧姆定律可知电压之比就等于电阻之比,已知甲图和乙图中灯L1两端的电压之比,可求出电阻之比.
在甲图中,两灯串联,电流相等,已知电阻之比,根据公式P=I2R可求电功率之比.
已知电源电压不变,在甲图中,两灯串联,乙图中,两灯并联,根据公式P=可求总功率之比.
故选D.
11、B
【解析】如图为R1和R2串联,电压表测R1的电压,滑动变阻器的滑片 P 向左移动时,R2阻值变小,电路中的电流变大,故电流表示数变大排除A选项;U1=IR1,R1阻值不变,所以U1也变大,故电压表示数变大;电压表与电流表示数之比等于R1的阻值,所以不变,故排除C、D;故选B。
12、D
【解析】电阻两端的电压变化,电阻保持不变,当电阻两端的电压为8V时,通过电阻的电流为I1=,该电阻的电功率为P1=,当电阻两端的电压为10V时,通过电阻的电流为I2=,该电阻的电功率为P2=,电流变化量△I=I2-I1=-=0.2A,即-=0.2A,所以R=10Ω,所以该电阻的电功率变化了△P=P2-P1=-==3.6W,故选D.
13、B
【解析】:滑动变阻器上标有“30Ω1A”,所以电路的最大电流不能超过1A,由图可知两电阻串联,电压表测量定值电阻的=两端的电压,由于电压表的量程是0~15V,所以定值电阻两端的电压的最大值为15V,滑动变阻器两端的电压最小值为5V,此时滑动变阻器接入电路的电阻最小,而电路的电流为,所以电路消耗的最大功率为P=UI=20V×0.75A=15W,滑动变阻器接入电路的最小电阻值为,A、D错误;根据可知当滑动变阻器接入电路的阻值最大(即30Ω)时,电路消耗的功率最小,电路的电流最小,定值电阻两端的电压(即电压表的示数)达到最小值,此时电路的总电阻为R’总=R’定+R’滑=20Ω+30Ω=50Ω,所以电路的电流为,所以电路消耗的最小功率为:P’=UI’=20V×0.4A=8W,电压表的最小示数为U’定=I’R定="0.4" A×20Ω=8V,所以B正确,C错误;选择B。
14、314.5 0.5
15、20,1:3.
【解析】:闭合S1,断开S2,小灯泡正常发光,因此电源电压为6V;
再闭合S2,为并联电路,电流表测量的是干路电流,则电流表示数变化了0.3A,即IR=0.3A,
由I=得:R===20Ω;
功率为 PR=UIR=6V×0.3A=1.8W,
则PL:PR=0.6W:1.8W=1:3.
故答案为:20,1:3.
16、0.4;24
【解析】:由电路图可知,两电阻串联.
(1)∵串联电路中总阻值等于串联的各电阻之和,
∴R=R1+R2=10Ω+20Ω=30Ω,
根据欧姆定律可得,电路中的电流:
I===0.2A;
(2)由P=UI=I2R得:R1的电功率P1=I2R1=(0.2A)2×10Ω=0.4W;
串联电路中总电压等于各分电压之和,
电阻R2产生的热量Q2=I2R2t═(0.2A)2×20Ω×30s=24J.
故答案为:0.4;24.
17、 1 6 1
【解析】:某元件标有“6V 6W”字样,说明该元件的额定电压为6V,额定功率为6W,由P=UI可得I=P/U=6W/6V=1A;R=U/I=6V/1A=6Ω;因电流表量程为“0-0.6A”,即最大电流为0.6A,电压表量程为“0-3V”,R两端电压最大为3V,R=6Ω,此时的电流为0.5A,为了保证电路各元件都安全允许的最大电流为0.5A,图11中灯泡电流为0.5A时,电压为2V,所以灯L消耗的最大电功率P=UI=2V×0.5A=1W。
18、【解析】(1)由P=UI知,豆浆机正常打浆时的电流
I=P/U=110W/220V=0.5A
(2)豆浆机正常工作时加热管电阻丝阻值
R=U2/P热=(220V)2/1210W=40Ω
(3)加热时
W1=P1t1=1210W×3×3×60s=6.534×105J
打浆时
W2=P2t2=110W×2×1×60s=13200J
豆浆机做一次豆浆消耗的总电能
W=W1+W2=653400J+13200J=6.666×105J
19、【解析】(1)小灯泡正常发光时的阻值为:RL===6Ω;
(2)当S1、S2和S3都闭合,滑动变阻器的滑片滑到a端时,R2与L并联,小灯泡L恰好正常发光,此时并联电路两端电压为U=U2=UL=3V
小灯泡中的电流IL===0.5A,
电阻R2中的电流为I2===0.1A,
电流表串联在干路上,则其示数为:I=IL+I2=0.5A+0.1A=0.6A;
(3)保证电流表有示数时,当滑动变阻器的滑片滑到b端,开关S2断开,S1S3都闭合时,R1和R2串联,电路中总电阻最大,电路中总功率最小;
最小功率为Pmin===0.09W.
答:(1)小灯泡L正常发光时的阻值为6Ω;
(2)当S1、S2和S3都闭合,滑动变阻器的滑片滑到a端时,小灯泡L恰好正常发光,此时电流表的示数为0.6A;
(3)保证电流表有示数时,当滑动变阻器的滑片滑到b端,开关S2断开,S1S3都闭合时,R1和R2串联,电路中总电阻最大,电路中总功率最小;
最小电功率为0.09W.