在工厂的实际应用中很多人分不清限位开关,光电开关和接近开关的区别,今天给大家普及一下。
首先限位开关、接近开关和光电开关是三种原理不同的传感器,但作用一样,都是检测位置用的。
限位开关:也可以叫行程开关;可以安装在相对静止的物体(如固定架、门框等,简称静物)上或者运动的物体(如行车、门等)上。当物体接近静物时,开关的连杆驱动开关的接点引起闭合的接点分断或者断开的接点闭合。由开关接点开、合状态的改变去控制电路和机构的动作。限位开关也可分为旋转限位开关及直行限位开关。限位开关的内部主要是机械触点,触点可以是常开,也可以是常闭。该触点无源,所以不分NPN和PNP,进线是24V,出线也是24V;因此不挑剔PLC。

限位开关内部接线图

多种方式的限位开关
接近开关:一种无需与运动部件进行机械直接接触而可以操作的检测位置的传感器,接近开关又称无触点行程开关,它可以完成行程控制和限位保护等。
该传感器无需与检测物质接触,但是检测物质的材质需要是金属,因为无需与检测接触,因此它的特点是工作可靠、寿命长、功耗低、复定位精度高、操作频率高以及适应恶劣的工作环境等。接近开关分为PNP和NPN两种,因此在选择传感器时需要确认好PLC的接法。

三线制接近开关

金属片检测
光电开关;它是利用被检测物对光束的遮挡或反射,由同步回路接通电路,从而检测物体的有无。物体不限于金属,所有能反射光线(或者对光线有遮挡作用)的物体均可以被检测。光电开关有漫反射型,对射型等等,漫反射只需要一个传感器即可完成发射接收,而对射型需要两个传感器,一个发射一个接收。
光电开关也有NPN和PNP型号,但除此之外光电开关也有干结点的,即可以接任意一种PLC。




我们看一下它们的区别;
一外形
限位开关一般是由一个明显的动作部位,而且该部位可以来回运动,运动角度不同,有的可以180度,有的只能90度。
接近开关比较简单,只是单独的一个传感器。
有些光电开关的外形与接近开关一致,但有些则完全不同,需要有发射和接收两部分组成。
二检测距离
限位开关需要与检测物质直接接触。
接近开关较近,一般检测范围一般是3-20mm,取决与传感器,接近开关的检测距离很大程度上与检测头的直径有关,即检测距离越大,需要的直径越大。

左侧检测距离8mm,右侧检测距离15mm
光电开关的检测距离一般很长,有些甚至可以达到几米。这是一个明显优于接近开关的特点,但光电开关的原理与光有关,那么它就有一个明显的缺陷,那就是容易受到水汽灰尘等影响,一旦水汽灰尘将检测路线遮挡,传感器就会失灵,而接近开关检测金属就没有这个问题。
三功能和应用场合
1限位开关为机械开关,试用于不是很使用频率不是很频繁场合,除此之外,有些机械开关可以做成全金属,就可以工作在高温场合,这是其他传感器做不到的。
2接近开关寿命较长,适用于“通过信号”。气缸上的位置检测一般都是接近开关。但因接近开关内部也有电路,因此不能应用在强磁干扰的地方。
3光电开关应用最为广泛,只需要有物体遮挡光源即可触发,因此不能应用在灰尘较大的地方和强磁干扰的地方。

下面给大家带来行程开关的自动控制
小车往复运动的前进、后退的自动控制和电动机的自动往复循环控制,内容:
1.手动控制:前面介绍的异步电动机起动、停止和正反转控制都是由人通过按钮发布命令的。
2.开关自动控制:在现代生产中,常用一些能自动发布命令的开关来实施各种自动控制。
3.开关自动控制种类:通过把不同的物理量转换为开关命令。
当运动部件到达一定行程位置时采用行程开关来控制其运行状况。生产中由于工艺和安全的要求,常常需要控制某些机械的行程和位置。例如,龙门刨床的工作台要求进行往复运动加工产品,在工作台达到极限位置时,必须自动停下来,像这一类的行程控制可以利用行程开关来实现。
行程控制通常用行程开关来实现。
(一)行程开关
1、什么是行程开关?
行程开关又称位置开关或限位开关,是根据运动部件位移来切换电路的一种自动电器,能实现运动部件极限位置的保护。可将机械信号转换为电信号,以实现对机械运动的控制。
2、行程开关结构和分类
主要由触头系统、操作机构和外壳组成。按其结构可分为直动式、滚轮式和微动式三种。行程开关动作后,复位方式有自动复位和非自动复位两种。
3、行程开关的工作原理

其工作原理同按钮相似,只是变手动为撞块撞击。撞块安装在机械部件的位移的工作台上当运动机械的挡铁压到滚轮上时,杠杆连同转轴一起转动,并推动撞块。当撞块被压到一定位置时,推动微动开关动作,使常开触头分断,常闭触头闭合。在当动动机械的挡铁离开后,复位弹簧使行程开关各部位部件恢复常态.
4、行程开关的图文符号
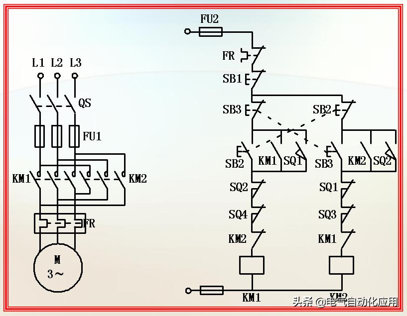
(二)自动往返控制线路原

电路结构分析:

1、主电路与正反转电路的相同.
2、控制电路与电气互锁的正反转电路相似,但是多了4个行程开关.
3、行程开关SQ 1和SQ 2分别控制工作台左右移动的行程。
4、行程开关SQ 3和SQ 4分别控制工作台左右移动的极限位置。
5、这些行程开关分别由安装在工作台侧面的撞块撞击这些行程开关来实现。
电路工作过程

电动机正反转既可以通过按钮SB1、SB2、SB3手动控制,也可通过行程开关SQ1、SQ2进行自动控制。
行程开关除用来控制电动机的正反转外,还可实现终端保护、自动循环、制动和变速等各项要求。
电动机的自动往复循环控制
万能铣床要求工作台在一定距离内自动往复运动。

1.结构:将SQF的动合触点与反转按钮SBR并联,将SQR的动合触点与正转按钮SBF并联。
2.工作原理:当电动机带动工作台向右运动到极限位置时:撞块a撞SQF,既使其动断触点断开,电动机停转,也使其动合触点闭合,相当于自动按了反转按钮SQR,使电动机反转带动工作台向左运动。
撞块a离开SQF,其触点自动复位,接触器KMR自锁,电动机继续带动工作台向左运动。
当移动到左面极限位置时:撞块b碰到SQR,既使其动断触点断开,电动机停转,又使其动合触点闭合,相当于按下正转按钮SBF,使电动机正转带动工作台向右运动。
如此往复,直至按下停止按钮SBstop才会停止。

1 合上开关QS,按下起动按钮SB2
2 M1通电自锁,电动机正转,拖动运动部件向左运动
3 当部件运动到使其上的撞块B压下行程开关SQ2时,SQ2动断触点断开,KM1失电释放,SQ2动合触点闭合,使KM2得电自锁,电动机正转变为反转,拖动运动部件朝右运动
4 当撞块A压下行程开关SQ1时,电动机又由反转变正转。如此周而复始,运动部件即在受限制的行程范围内进行往返运动.
看懂了吗?看懂的请点个赞吧!