稳压二极管概述
稳压二极管又叫齐纳二极管。利用pn结反向击穿状态,其电流可在很大范围内变化而电压基本不变的现象,制成的起稳压作用的二极管。
此二极管是一种直到临界反向击穿电压前都具有很高电阻的半导体器件。在这临界击穿点上,反向电阻降低到一个很小的数值,在这个低阻区中电流增加而电压则保持恒定,稳压二极管是根据击穿电压来分档的,因为这种特性,稳压管主要被作为稳压器或电压基准元件使用。稳压二极管可以串联起来以便在较高的电压上使用,通过串联就可获得更高的稳定电压。
稳压二极管特性及工作原理
稳压二极管是电子电路中常用的一种二极管,是一种用于稳定电压,且工作在反向击穿状态下的二极管。稳压二极管的正向特性和普通二极管差不多。其反向特性是在反向电压低于反向击穿电压时,反向电阻很大,反向漏电流极小。但是,当反向电压临近反向电压的临界值时,反向电流骤然增大,称为击穿,在这一临界击穿点上,反向电阻骤然降至很小值。
尽管电流在很大的范围内变化,而二极管两端的电压却基本上稳定在击穿电压附近,从而实现了二极管的稳压功能。
稳压管的型号有2CW 、2DW 等系列,它的电路符号如图。

稳压管的伏安特性曲线:

稳压二极管稳压电路原理
由硅稳压管组成的简单稳压电路如图,这个电路是怎样进行稳压的呢?

分析:若电网电压升高,整流电路的输出电压Usr 也随之升高,引起负载电压Usc 升高。由于稳压管DW与负载Rfz 并联,Usc 只要有根少一点增长,就会使流过稳压管的电流急剧增加,使得I1也增大,限流电阻R1上的电压降增大,从而抵消了Usr 的升高,保持负载电压Usc 基本不变。反之,若电网电压降低,引起Usr 下降,造成Usc 也下降,则稳压管中的电流急剧减小,使得I1减小,R1上的压降也减小,从而抵消了Usr 的下降,保持负载电压Usc 基本不变。
若Usr 不变而负载电流增加,则R1上的压降增加,造成负载电压Usc 下降。Usc 只要下降一点点,稳压管中的电流就迅速减小,使R1 上的压降再减小下来,从而保持R1 上的压降基本不变,使负载电压Usc 得以稳定。
得出结论:稳压管起着电流的自动调节作用,而限流电阻起着电压调整作用。稳压管的动态电阻越小,限流电阻越大,输出电压的稳定性越好。
稳压二极管识别方法
1、在电路中识别
稳压二极管在电路中常用“ZD”加数字表示,如:ZD1表示编号为1的稳压管。
2、正负极识别
从外形上看,金属封装稳压二极管管体的正极一端为平面形,负极一端为半圆面形。塑封稳压二极管管体上印有彩色标记的一端为负极,另一端为正极。对标志不清楚的稳压二极管,也可以用万用表判别其极性,测量的方法与普通二极管相同。
3、色环稳压二极管识别
色环稳压二极管上的色环代表两个含义:一是代表数字,二是代表小数点位数(通常色环稳压二极管都是取一位小数,用棕色表示。也可理解为倍率即:×10(的-1次方),具体颜色对应的数字同色环电阻)。
4、与普通整流二极管区分
首先利用万用表R×1K挡,按把被测管的正、负电极判断出来。然后将万用表拨至R×10K挡上,黑表笔接被测管的负极,红表笔接被测管的正极,若此时测得的反向电阻值比用R×1K挡测量的反向电阻小很多,说明被测管为稳压管;反之,如果测得的反向电阻值仍很大,说明该管为整流二极管或检波二极管。
四款稳压二极管应用电路 1、浪涌保护电路
稳压管在准确的电压下击穿,这就使得它可作为限制或保护之元件来使用,因为各种电压的稳压二极管都可以得到,故对于这种应用特别适宜。图中的稳压二极管D是作为过压保护器件。只要电源电压VS超过二极管的稳压值D就导通,使继电器J吸合负载RL就与电源分开。

2、电视机里的过压保护电路
EC是电视机主供电压,当EC 电压过高时,D导通, 三极管BG导通,其 集电极电位将由原来的高电平(5V)变为低电平,通过待机控制线的控制使电视机进入待机保护状态。

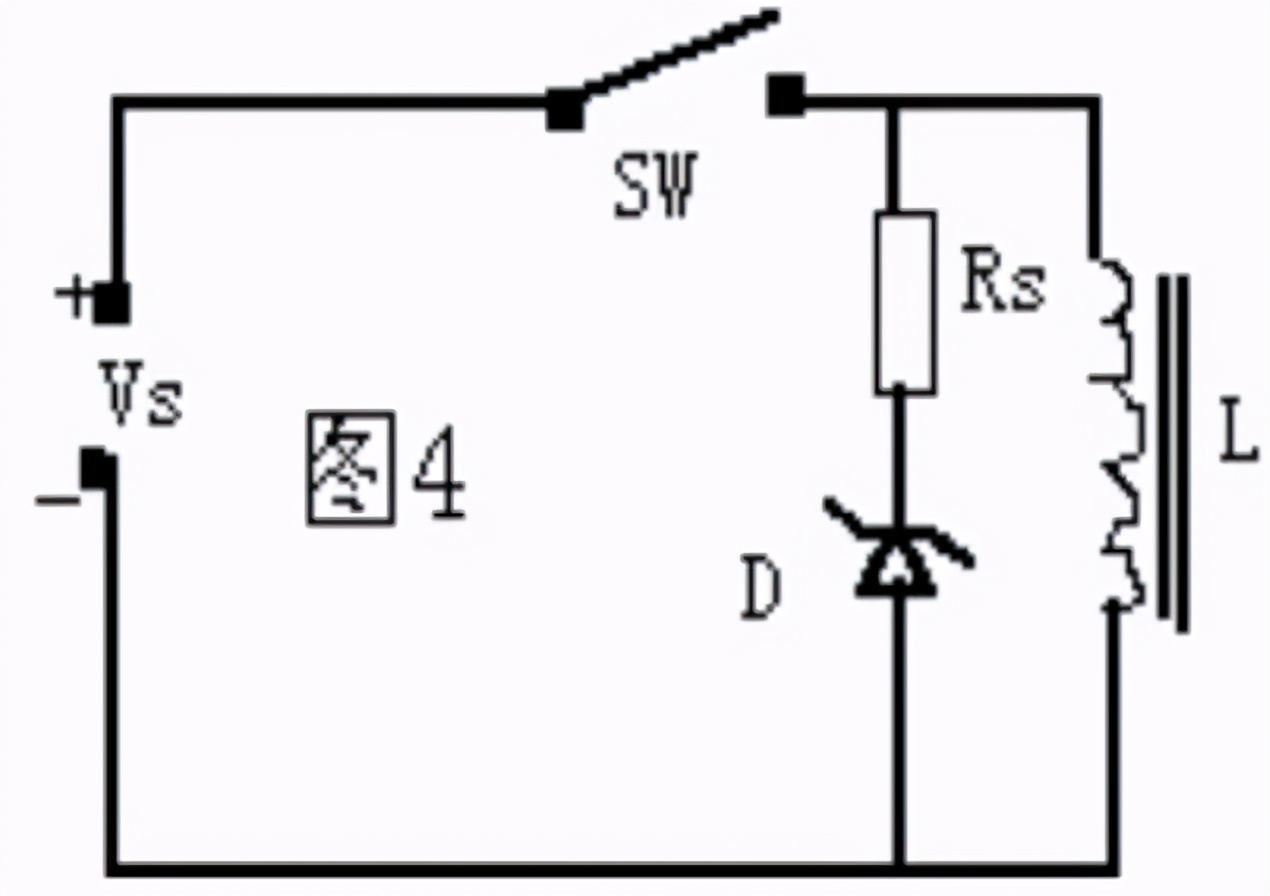
3、电弧抑制电路
如图所示:在电感线圈上并联接入一只合适的稳压二极管(也可接入一只普通 二极管原理一样)的话,当线圈在导通状态切断时,由于其电磁能释放所产生的高压就被二极管所吸收,所以当开关断开时,开关的电弧也就被消除了。这个应用电路在工业上用得比较多,如一些较大功率的电磁吸控制电路就用到它。

4、串联型稳压电路
电路如图所示,在此电路中,串联稳压管,BG的基极被稳压二极管D钳定在13V,那么其发射极就输出恒定的12V电压了。这个电路在很多场合下都有应用。

该内容是小编转载自网络,仅供学习交流使用,如有侵权,请联系删除。如果你还想了解更多关于电子元器件的相关知识及电子元器件行业实时市场信息, 敬请关注微信公众号 【上海衡丽贸易有限公司】