
据统计在火灾发生时,约有3/4的人是因为吸入有毒有害烟气而导致的,所以发生火灾时,能快速的排走烟气是非常有必要的,挡烟垂壁的重要性也就不言而喻了。
1.挡烟垂壁的简介
①挡烟垂壁定义:
是指用不燃材料制成,垂直安装在建筑顶棚、横梁或吊顶下,能在火灾时形成一定蓄烟空间的挡烟分隔措施。

②挡烟垂壁的应用场所:
挡烟垂壁主要用于高层或超高层大型商场、写字楼以及仓库等场合。

2.固定式防火玻璃挡烟垂壁
挡烟垂壁分为固定式挡烟垂壁和活动式挡烟垂壁,今天重点介绍下固定式玻璃挡烟垂壁。
固定式玻璃挡烟垂壁: 固定安装的、能满足设定挡烟高度的防火玻璃挡烟垂壁。

▲玻璃是可以做成弧形的,随着棚面造型进行摇摆。
①防火玻璃挡烟垂壁常用类型:
高强度单片防火玻璃是使用频率较高的种类。单片防火玻璃经过钢化处理,玻璃透明度达到80%以上,安装于吊顶上方可起到很好的美观作用。

②防火玻璃挡烟垂壁厚度:
常用厚度6mm 8mm
高强度单片防火玻璃可定制5-19mm,然而用于挡烟垂壁主要是6mm和8mm,其主要原因在于:考虑到固定配件所长期承受的重量。

▲挡烟垂壁铝合金构件
③防火玻璃挡烟垂壁设置高度:
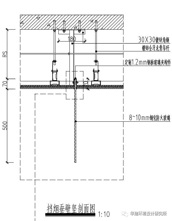
按最新规定储存仓高度不应小于空间净高的10%,且不应小于500mm,同时应保证疏散所需的清晰高度;最小清晰高度应由计算确定。

▲挡烟垂壁不锈钢构件
④防火玻璃挡烟垂壁内部结构:


注意:防火玻璃挡烟垂壁每档连接处需要留有5mm间隙,用透明防火胶粘接,并保证防火玻璃遇高温时有膨胀的空间。
3.固定式防火玻璃挡烟垂壁图片

▲扶梯位置设置挡烟垂壁,防止楼下棚面的烟,跑到楼上

| 固定式玻璃挡烟垂壁施工图 |



需*载下**施工图的请点击 连接 以下网址
固定式玻璃挡烟垂壁通用施工图纸百度云链接:
https://pan.baidu.com/s/1EdCmfzOXbrkmJ5UnwA-_lQ
提取码:0syi
以上内容由华建实验二组收编整理
用于各院校设计专业课程教学使用
更多施工节点→点击关注
