原作者:VK4YE
端馈天线再次变得流行,至少部分原因是由于紧凑的铁氧体磁环。小磁环有助于制作低功率射频变压器和网络。匹配系统重量轻,加之安装简单,无需从长跨度细天线上悬挂重的同轴馈线,重新点燃了我对端馈半波天线的兴趣。

这里描述的25m长天线将使您无需ATU(自动天调),即可在80m、40m、20m、15m 和10m波段上进行操。与全尺寸80m波段偶极天线相比,通过接入70uH加感线圈,有效地缩短了天线的长度。在7MHz操作时,加感线圈的阻抗约为3kΩ,有效地断开了40m波段以上的天线尾部。减小天线尺寸的原因是为了便于在小庭院操作,并且足够紧凑以便进行便携(野外)操作。从馈电点到加感线圈的天线长度为20.2m,这将40m波段谐振点设置在7.1MHz,进而决定了14MHz、21MHz 和 28MHz波段的谐振频率。
由于天线的长度约为80m波段半波偶极天线跨度的2/3,因此有两处妥协:首先,80m波段上的带宽在2:1 SWR(驻波比)上被限制在80kHz左右;其次,发射和接收信号都会减少大约1.5 S-Points (9dBm)。这确实是一个不错的结果,否则80m波段上的操作将被严重限制。好的方面是,从40m到10m的波段没有这样的限制。此外,17m 波段可与电台的内置ATU一起使用,因为SWR在18.1MHz上小于3:1。加感线圈后端的尾部长度用于实现在80m波段谐振,尾部长度4.2m,谐振频率为3.6MHz,这是萨默兰业余无线电俱乐部 (SARC)的早间台网频率。
射频变压器采用FT240-43铁氧体磁芯,匝数比为2:13(1:6.5)。它将同轴馈线的50Ω阻抗转换为2.1kΩ左右。在100W级别,预计天线馈电点处的峰值射频电压会超过600V。如果系统不完全匹配,则该电压将与 SWR成比例的增加。
端馈天线
远离地面效应的中心馈电偶极天线的理论阻抗约为73Ω。随着馈电点向一端移动,阻抗逐渐增加到2kΩ或更高。偏心馈电偶极天线在距其一端长度1/3处馈电时,表现出的阻抗大约是200Ω±100Ω。一些市售的所谓“端馈天线”,采用1:9巴伦(unun)并在假定的450Ω阻抗点馈电。此类天线需要连接到被错误地称为“地网”的匹配单元以降低SWR。这些天线实际上只是“极度偏离中心馈电的偶极天线”,其“地网”只不过是天线缺失的部分。根据经验,这样的天线要获得可接受的SWR是非常困难的,除非是在可以谐振的波段上。市售端馈天线公开宣称,只要天线到电台之间的同轴电缆至少有10m长,就不需要地网。这听起来好得令人难以置信,同轴电缆的编织网外层表现得就像天线的缺失部分,因此会产生辐射。如果在电台室的入口处不使用共模扼流圈(CMC),电台和相关设备很可能会因射频而发热。当运行高功率时,这种风险会显着增加。
VK4YE端馈天线在最低工作频率下确实需要一个 0.05 波长的小“地网”。 原因并不复杂。您不能简单地将射频能量发生器(generator of RF energy)连接到电线末端并期望拥有最佳辐射效率。无论从发生器流入天线的任何电流都必须伴随着从发生器另一个端回流相同的电流。换句话说,发生器需要一些装置来促进电流的流动。在实践中,同轴电缆的编织物是“迷你地网”的有效替代品。电台室中的杂散辐射不像1:9巴伦那么严重,因为较低的电流流入高得多的阻抗负载。尽管如此,也应在电台室内同轴电缆和电台之间接入共模扼流圈 (CMC),我从未遇到过以这种方式设置的天线出现射频反射问题。
端馈天线的架设
最简单的架设方法是斜拉……只需要一个高支撑。馈电点可以高出地面几米,但必须足够高以达到手臂够不到的程度,射频灼伤可能会很疼!从匹配单元到共模扼流圈 (CMC)及电台之间4m的同轴电缆足以作为“地网”,更长的同轴电缆应该也不会影响天线的运行。在便携操作中,一棵合适的树就足以固定天线(要连接绝缘子)。
VK4YE端馈天线的驻波比(SWR)
以下是天线的驻波……

制作细节
如果期望匹配单元的最大输入功率为100W PEP (峰包功率),则 Jaycar的L01238型磁环就足够了,这型磁环以每对约5澳元的价格出售。这种铁氧体材料根据Owen Duffy (前 VK1OD)的评估,认为与Amidon/Fair Rite 43型复合材料大致相当,并且在80m到10m波段范围内提供良好的响应。可以有把握的地说,L01238磁环的特性(包括功率处理能力)与FT140-43磁环非常相似。如果您想要进行高功率操作,例如400W PEP未调制单边带(SSB),则需要使用FT240-43磁环。这些磁环从阿德莱德的“迷你套件”(Mini Kits)以每个约 10 澳元(含运费)的价格出售。
射频匹配变压器的许多实验者和销售商一般采用1:7或1:8的匝数比,分别提供50Ω到2.49kΩ和50Ω到3.2kΩ的阻抗变换。此处的变压器使用 2:13 的匝数比,可提供 50Ω至2.1kΩ 的阻抗变换。

无论选择哪种磁环,都用两层水管工的蓝色或粉色特氟龙螺纹胶带包裹,不要使用轻质白色胶带,因为它太容易受到静电吸附并且不好缠绕。
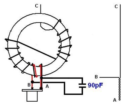
要制作射频变压器,截取1m长的直径1mm的漆包线,将漆包线从一端向后折叠 175毫米,准备制作双股初级线圈。大约从折线的150mm处进行绞合以制作50Ω阻抗绕组。变速手电钻非常适合制作,用虎钳夹住两根漆包线,留下大约30mm的长度作为标有B的输入端,标有 A 的一端插入钻夹头并拧紧,需要每厘米扭转 2.5 到 3 圈。
C端是连接到天线的高阻抗输出。 缠绕时漆包线每次穿过磁环就算作一圈,绞合的双股部分穿过磁环两次,增加4圈算上初始部分共计6圈。下一部分要求漆包线反向穿过磁环到达另一侧,这就是所谓的Reisert交叉绕线法,然后绕制7圈。请参考图片以了解该方法使输出C端处于远离输入侧的位置。
初级绕组输入端需要接入一个电容,以抵消绕组感抗的影响,并改善15m以上波段的SWR。通过实验,电容值应大于75pF但小于100pF,以获得最佳效果。对于这个特定的射频变压器来说,90pF几乎是“恰到好处”。两个180pF银云母电容器(标准额定电压500V)串联连接,并跨接在50欧姆输入端。如果这样的电容不容易获得,实现等效电容器的一种巧妙方法是使用90cm长的RG58同轴电缆。该电缆每30cm大约30pF的电容。在远端剪掉编织网1cm,以减少产生漏电的机会,然后用热缩管封住末端。该电缆可以绕成线圈,用电缆扎带固定,和射频变压器放在一个盒子中。对于那些倾向于实验并使用天线分析仪的人,可以将一个2.2kΩ的电阻从天线端子连接到SO239输入插座上的同轴电缆“接地”端。从连接到初级输入端的1m长的同轴电缆开始,修剪同轴电缆的长度,同时观察从80m到10m整个波段范围内驻波比的变化,可实现与示例图相似的驻波比。第二张图显示了带有微调电容器的射频变压器原型,用于优化驻波比。


射频变压器原型上提供了接地连接,但发现没有必要。
下一个要制作的部件是70uH加感线圈。使用25mm外径的PVC管,外面用热缩管套在绕组上用于天气防护。使用1mm漆包线绕120匝,首尾端接在焊片上。单独的焊片(加感线圈的图片中未显示)用固定漆包线首尾端线耳的同一螺钉固定到位,并为天线导线提供了接线端子。整个线圈都用30mm直径的热缩管密封。这里的两张图片,第一张是加感线圈和耐拉绝缘子,第二张是组装完毕之后的。我建议采用这种方法组装,因为必须提供耐拉绝缘子,以确保在有风条件下的长期使用。


用作天线的电线是常见的2.5mm建筑导线。匹配单元到加感线圈之间长度为20.9m,加感线圈之后长度4.2m。需要一段额外的导线来固定80m波段尾部的绝缘子,同时用来对你最喜欢的波段的谐振进行调整。
必须在匹配单元处安装耐拉绝缘子,黑色抗紫外线聚乙烯蛋形绝缘子是最理想的,导线可以穿过绝缘体并用电缆扎带或线夹固定。要为该段预留出一点额外的导线,以通过实验来确定40m波段的谐振。当最低的驻波比出现在7.1MHz时,将连接头接到导线上,并将其连接到射频匹配单元的天线端子上。较高波段的谐振点由40m谐振设置,但不会是它的精确倍数。我发现如果使天线在7.1MHz附近谐振,则较高波段的主流频段上有令人满意的低驻波比。
天线分析仪是配置此天线的非常方便的工具。我使用了Rig Expert AA54,它显示驻波比的能力非常有用,可以快速给出每个波段的谐振点和带宽。对于那些使用更基本工具的人来说,一部能发射几瓦信号的电台和一个灵敏的驻波表,也可以对天线进行合理清晰的评估。
共模扼流圈
这是天线中的最后一个部件,使用Jaycar铁氧体磁环LO1234可以制作非常有效的扼流圈。这样的磁环一包四只以大约 5 澳元的价格出售。RG58同轴电缆穿过8只磁环5次,可能有点儿矫枉过正,但在消除射频反射到电台方面效果很好。事实上,这个在扼流圈在1kW的功率水平上工作更好,100W PEP发射功率使用4只磁环的扼流圈更合适,即每侧2只磁环。

可以给扼流圈配一个带有SO239底座的接线盒。如果打算将扼流圈安装到电台室外,请确保至少有4m的同轴电缆连接到射频变压器,以用作“迷你地网”。
愿你喜欢这个天线!
Chris VK4YE 2018年9月3日
总结
- 天线型号: 25.1m长端馈,配70uH加感线圈
- 波段: 80m/40m/20m/15m/10m,17m需配合电台内置天调使用
- 额定功率: 400W PEP 未调制SSB,用FT240-43铁氧体磁环; 100W PEP 未调制SSB, 用Jaycar LO1234 或者 FT140-43 铁氧体磁环
- 加感线圈: 使用1mm漆包线在外径25mm的PVC管上绕120圈
- 射频变压器: FT240-43磁环,匝数比2:13,90pF 补偿电容跨接初级线圈两端
- 共模扼流圈: RG58同轴电缆穿过4只LO1234铁氧体磁环5圈
- 如何收听航空波段