























第二部分
一、现用给水控制方案及其问题概述
某电厂#1、#2机组为600MW超临界机组,现给水控制方案分两段控制:湿态采用给水旁路调门进行单冲量的储水箱水位调节;炉水循环泵出口调门调节省煤器给水流量大于给水本生流量(30%BMCR);干态控制小汽机进行串级给水自动控制,内回路调节给水流量与锅炉指令形成的燃水比匹配,主回路调节锅炉中间点温度在设定值。
锅炉厂家说明书要求的湿态给水控制方式为:湿态采用给水旁路调门调节省煤器流量大于锅炉给水本生流量,炉水循环泵出口调门调节再循环流量为储水箱水位的比例折线函数值。
现用控制方案存在的问题:一是现给水控制方式与锅炉厂设计要求不一致;二是无给水主路与旁路自动切换逻辑,切换时需人工操作完成,在给水非自动调节状态下易发生给水流量失控突变,造成汽温的大幅波动;三是转态负荷点提高后,在30%BMCR~50%额定负荷间形成给水调节的自动盲区;四是无锅炉干/湿态转换控制逻辑,转换时需运行人员切除给水自动调节回路进行人工转换控制,操作风险较大。
因此,现给水控制方式按锅炉厂说明书要求的控制方式进行修改。在现给水控制方案中,需设计增加锅炉干/湿态切换、给水主路与旁路切换的自动控制逻辑,相应的修改完善原给水调节回路,适应锅炉及其给水系统状态的变化转换给水调节方式,实现给水全程自动控制。
本方案先在#2机组态、调试投用,应用成功后,待#1机组停机检修时再移植投用。
二、给水全程自动控制方案
1.给水全程自动控制原则:全过程在给水自动调节的状态下完成状态切换逻辑控制。以机组负荷(蒸汽流量)为锅炉干/湿态、给水旁路/主路的切换负荷点判断,控制逻辑在相关条件达到且在给水自动调节的状态下时,监控画面(给水控制及锅炉运行方式专用)显示相关切换条件的状态(允许/禁止),允许状态经运行人员确认后进行自动切换控制。锅炉干/湿态、给水旁路/主路的切换负荷点由运行人员根据机组运行工况在规定的范围内可设定。
工况切换控制前给水自动调节方式巳相应转换完成,且运行稳定。转换前相关给定值跟踪良好,转换时给定值无扰动,转换后按设定速率平稳变化到相关自动方式下的给定值(计算或人工设定)。
注1:干/湿态切换负荷点设定范围30%~40%BMCR(在锅炉运行方式专用画面的锅炉干/湿态转换操作面板设定);给水旁路/主路切换负荷点设定范围15%~25%BMCR(在锅炉运行方式专用画面的给水控制方式操作面板设定)。
注2:锅炉干/湿态转换操作面板、给水控制方式操作面板可合并组态在锅炉运行方式及给水控制专用监控画面中(增加的)。
注3:锅炉湿态/干态运行方式下,汽泵供水时,采用汽泵调速控制的给水串级自动调节方式。锅炉湿态运行方式下,电泵供水,采用给水旁路调节阀控制的给水串级调节方式。
注4:给水串级调节回路,其内回路调节给水流量在设定值(根据锅炉负荷指令/给水量特性曲线计算的燃水比定值),设计有蒸汽流量前馈控制;主回路调节锅炉中间点温度在设定值(根据负荷/中间点温度特性曲线计算),设计有过热蒸汽温度前馈控制(前馈量还可增补各级过热器出口温度)。锅炉点火前,内回路给定值为33%BMCR,主回路输出在跟踪状态。
2.给水旁路/主路切换、锅炉湿/干态转换给水自动调节方式、操作及其控制逻辑:
2.1给水旁路→主路切换控制
(1)切换前工况:机组负荷在0~15%BMCR,锅炉湿态运行方式,电泵运行供水方式,省煤器入口给水流量采用给水旁路调节阀串级给水调节(点火前,给定值为33%BMCR,PV为省煤器入口给水流量;点火后给定值按水煤比计算给定;同时保证锅炉最小给水流量≥30%BMCR流量)。
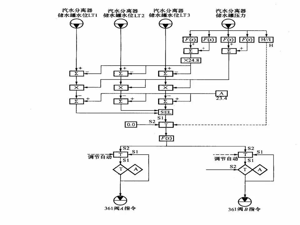
注1:采用启动循环泵出口调节阀调节再循环流量,给定值根据再循环流量/储水箱水位比例特牲曲线计算。
注2:在上述机组负荷范围内及锅炉湿态运行方式下,如采用汽泵供水运行方式,则锅炉省煤器入口流量采用汽泵转速串级给水调节方式,直接进入第(4)步操作。
(2)电动→汽动给水泵人工切换操作:机组负荷在15~25%BMCR范围内,进行给水旁路/主路切换前,应先完成电动→汽动给水泵人工切换操作。省煤器给水流量在给水旁路调节方式下,启动汽泵(任一台)定速供水,电泵切换为热备用(未供水,出口电动门关闭且再循环阀在最小流量自动控制状态)或停用状态。
(3)给水调节方式人工切换:电动→汽动给水泵人工切换完成后,汽泵运行供水正常,进行给水调节方式人工切换。省煤器给水流量由给水旁路调节阀给水调节方式人工切换为汽泵转速控制给水调节方式(注:给水控制专用画面的省煤器给水流量调节方式操作面板的条件闭锁及方式互锁人工切换操作)。给水调节方式切换完成后是允许进行给水旁路/主路切换的条件之一。
注:给水调节方式切换采用回路输出切换模式;如启动两台汽泵运行则采用分配调节。
(4)给水旁路/主路切换控制:在上述给水系统工况及给水调节方式下,给水旁路/主路切换机组负荷点≥设定值(20%BMCR~30%BMCR内设定)时,给水控制专用画面的给水旁路/主路切换操作面板显示切换条件允许,运行人员确认后,给水旁路调门自动开启至100%,主给水电动阀自动开启至100%(主给水电动阀改为点动方式,自动采用长脉冲开信号);主给水电动阀全开后,给水旁路调门保持开启状态。
给水旁路/主路切换完成。
给水旁路/主路切换过程中给水量的扰动,通过省煤器给水流量的汽泵给水三冲量调节的内回路给水流量快速定值闭环控制来抑制(内回路的给水流量设定值不会突变),减小并消除给水量扰动影响。
注1:给水旁路/主路的切换逻辑不断水原则:给水主路电动门开到位后再允许关旁路调门前、后电动门,非逻辑控制,是人工关允许条件。
注2:锅炉最小给水流量闭锁减控制:锅炉点火状态下,给水旁路调门、主给水电动阀及汽泵给水调节转速控制均应有锅炉最小给水流量(本生流量30%BMCR)闭锁减控制逻辑。给水旁路调门前、后电动门应有锅炉给水流量≥最小给水流量(本生流量30%BMCR)允许关的控制逻辑。
2.2给水主路→旁路切换控制
(1)切换前工况:机组负荷在25%BMCR以下,锅炉湿态运行方式,汽泵运行供水,采用汽泵转速控制给水串级调节方式。
(2)给水主路/旁路切换控制:在上述给水系统工况及省煤器给水流量给水调节方式下,且给水主路/旁路切换机组负荷点≤设定值(20%BMCR~30%BMCR内设定)时,给水控制专用画面的给水旁路/主路切换操作面板显示切换条件允许,运行人员确认后,自动联锁开启给水旁路调门及其前、后电动门,给水旁路调门自动开启至100%且其前、后电动门全开后,主给水电动阀自动联关至0%(自动采用长脉冲关信号)。
给水主路/旁路切换完成。
注1:给水主路→旁路切换过程中给水量的扰动,通过省煤器给水流量的汽泵调速给水三冲量调节的内回路给水流量快速定值闭环控制来抑制(内回路的给水流量设定值不会突变),减小并消除给水量扰动影响。
注2:给水主路/旁路的切换逻辑不断水原则:旁路调门及其前、后电动门开到位后,再联关给水主路电动门。
注3:锅炉最小给水流量闭锁减控制:锅炉点火状态下,给水旁路调门、主给水电动门、汽泵给水调节转速控制均应有锅炉最小给水流量(本生流量30%BMCR)闭锁减控制逻辑。给水旁路调门前、后电动门控制应有锅炉给水流量≥最小给水流量(本生流量30%BMCR)允许关的控制逻辑。
注4:再循环泵启动状态下锅炉最小给水流量应为30%BMCR(锅炉本生流量)再加上3%BMCR(再循环泵过冷水流量)。
(3)旁路/汽泵给水调节方式人工切换:给水主路→旁路切换完成,且在汽泵转速控制省煤器给水流量的给水调节方式下,省煤器给水流量由汽泵转速控制给水调节方式下可人工切换为旁路给水调节方式(注:给水控制画面的锅炉给水调节方式操作面板的条件闭锁、方式互锁人工切换操作及状态显示)。给水调节方式切换后,汽泵定速供水,是允许进行电动→汽动给水泵人工切换条件之一。
旁路/汽泵给水调节方式的切换操作由运行人员根据机组运行工况确定。如不启动电泵而采用汽泵供水降负荷方式,汽泵转速控制省煤器给水流量的给水调节方式可切换也可不切换(注:汽泵低负荷调节特性不良)。
(4)汽动→电动给水泵人工切换操作:旁路/汽泵给水调节方式的切换完成,省煤器给水流量在给水旁路调节方式下,且汽泵定速供水正常,可进行汽动→电动给水泵人工切换操作。人工切换操作:启动电泵供水,汽泵减速降压切换为热备用(未供水,出口电动门关闭且再循环阀在最小流量自动控制状态)。
2.3锅炉湿态→干态转换控制
(1)切换前工况:机组负荷在30%BMCR~45%BMCR范围内;给水主路供水,省煤器给水流量在汽泵(一台或二台)给水自动调节方式下;随着锅炉蒸发量加大,省煤器给水流量增加,储水箱水位下降,锅炉再循环泵出口调门开度及再循环流量减小,再循环泵最小流量阀开启(再循环流量≤7%BMCR),出口调门关闭,再循环流量为零,再循环泵在最小流量方式运行。中间点温度在饱和状态。
注1:在锅炉湿态(再循环)运行方式,锅炉点火启动后,给水泵供水流量与再循环水流量之和需控制保持省煤器给水流量≥给水本生流量(30%BMCR)。
注2:锅炉干态运行方式下,采用汽泵调速控制的给水串级自动调节方式。内回路调节给水流量在设定值(根据锅炉负荷指令/给水量特性曲线计算的燃水比定值),设计有蒸汽流量前馈控制;主回路调节锅炉中间点温度在设定值(根据负荷/中间点温度特性曲线计算),设计有过热蒸汽温度前馈控制。
(2)锅炉湿态/干态转换控制:
在上述工况下,机组负荷≥湿态转干态转换设定点(35%BMCR~45%BMCR内设定),锅炉运行方式及给水控制专用画面的干态/湿态转换操作面板上显示转换条件允许状态,运行人员确认湿态转干态运行方式。随着机组负荷增加,调节给水泵供水流量与负荷相适应,再循环流量会相应减小,储水箱水位相应下降。
锅炉进入干态运行方式,省煤器给水流量≥40%BMCR,且储水箱水位≤2500mm,再循环泵自动联停或者人工停运。
锅炉干态/湿态转换操作面板显示为干态,锅炉湿态转干态运行方式转换控制完成。
锅炉湿态转干态运行方式后,增加锅炉燃料量,中间点蒸汽温度进入过热状态。
2.4锅炉干态→湿态转换控制:
(1)切换前工况:锅炉在干态运行工况。
(2)锅炉干态/湿态转换控制:
在上述工况下,机组负荷≤干态转湿态的转换设定点(采用湿态转干态转换设定负荷值减5%计算得到,面板显示),锅炉运行方式及给水控制专用画面的湿态/干态转换操作面板上显示转换条件允许,运行人员确认干态转换湿态运行方式。
随着机组负荷减小,锅炉进入湿态运行,储水箱水位>2500mm且锅炉有燃料供给时,再循环泵自动启动或者人工启动。给水泵给水流量>锅炉给水本生流量(30%BMCR),再循环泵在最小流量方式运行;随着锅炉蒸发量、省煤器给水流量减小,省煤器给水流量≤30%BMCR,锅炉再循环泵出口调门自动开启,控制开度及再循环流量增大(流量定值依据储水箱水位值函数计算),再循环泵最小流量阀开度逐渐减小;再循环流量>8%BMCR,再循环泵最小流量阀关闭。
锅炉干态/湿态转换操作面板显示为湿态,锅炉干态转湿态运行方式转换控制完成。
锅炉干态转湿态运行方式后,中间点蒸汽温度进入饱和状态。
3.相关状态:
3.1在超临界压力范围内(>20MPa),储水箱水位可能是满足水位,压力<20MPa,储水箱应有明显水位;负荷≤30%BMCR时,储水箱应有一个清晰的水位。
3.2再循环流量是由储水箱水位确定(比例折算函数曲线),点火前,给水流量为3%BMCR(最小流量),无蒸发及水损失时,储水箱水位将升高直到循环水流量≥33%BMCR(本生流量)。如产生蒸汽或水损失,储水箱水位下降,循环流量减小,给水流量增加,保证省煤器入口流量≥33%BMCR(本生流量30%BMCR加过冷水流量3%BMCR)。期间,最关键的是再循环流量与储水箱水位应符合函数曲线要求,防止循环泵吸入蒸汽。
3.3省煤器入口流量为给水泵流量与再循环流量之和。点火启动前,给水流量调节目标是省煤器入口流量≥33%BMCR(本生流量);点火后调节目标是水煤比给定的省煤器入口给水流量,且应≥33%BMCR。
3.4在冷态点火启动时或MFT动作后炉膛吹扫期间,为防止省煤器气化,给水流量应保持3%的最小给水流量供给。
3.5储水箱和过冷水由省煤器入口送出依据储水箱水温及循环泵入口水温的温差控制,温差≥30℃关过冷水阀,≤20℃开过冷水截止阀。过冷水量最大为3%BMCR,是保证循环泵净正吸入压力而设置的,可防止循环泵汽化。
3.6在省煤器入口给水流量带汽或汽化状态下(再循环泵汽化或带汽供水状态),其流量测量值令产生正向误差>给水流量+再循环流量。
3.7储水箱溢流阀后暖管水、再循环泵的暖泵水均从省煤器出口接出,其电动截止阀控制应符合锅炉厂要求。