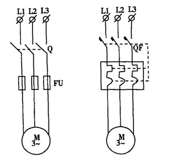
一、手动控制电路
这是采用刀开关和断路器来控制三相异步电动机通断电工作的手动控制电路。

手动控制电路
该电路结构简单,仅适用于启动不频繁的小容量电动机。不能对电动机进行自动控制,也不能对电动机进行零电压、失压等保护。安装一组熔断器FU,使电动机具备过载和短路保护。
二、点动控制电路
通过按钮开关进行电动机的启动停止控制,利用接触器来实现电动机通断电工作

缺陷:如果要使点动控制电路中的电动机连续运行,必须始终用手按住启动按钮SB。
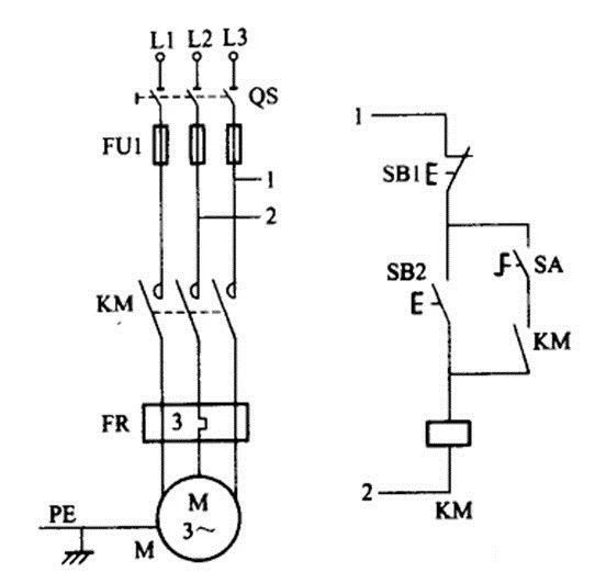
三、连续运行控制电路(长动控制)
通过按钮开关进行电动机的启动停止控制,利用接触器来实现电动机通断电工作

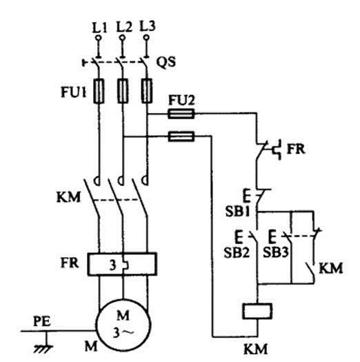
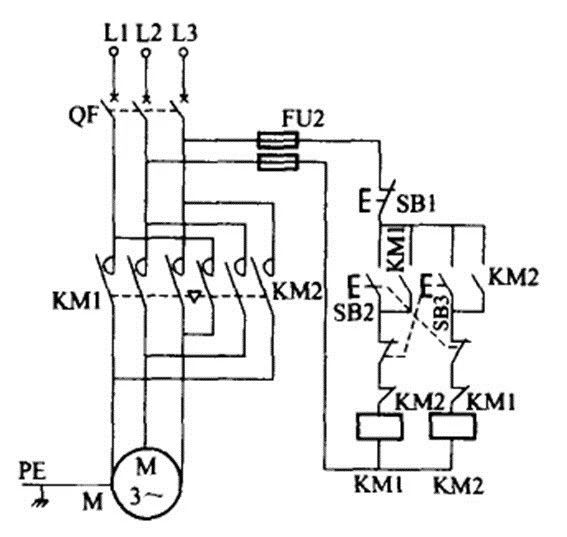
四、点动与长动控制电路
有些生产机械要求电动机既可以点动又可以长动,如一般机床在正常加工时,电动机是连续转动的,即长动,而在试车调整时,则往往需要点动。
1、用转换开关控制的点动和长动控制电路

2、用复合按钮控制的点动和长动控制电路

综上所述:线路能够实现长动和点动控制的关键,在于能否保证KM线圈得电后,自锁支路被接通。能够接通自锁支路,就可以实现长动,否则只能实现点动。
五、正反转控制电路
正、反转控制也称可逆控制,它在生产中可实现生产部件向正反两个方向运动。对于三相异步电动机来说,实现正反转控制只要改变其电源相序,即将主回路中的三相电源线任意两相对调。
常用的有两种控制方式:一种是利用组合开关改变相序,另—种是利用接触器的主触点改变相序。前者主要适用于个需要频繁正反转的电动机,而后者则主要适用于需要频繁正反转的电动机。
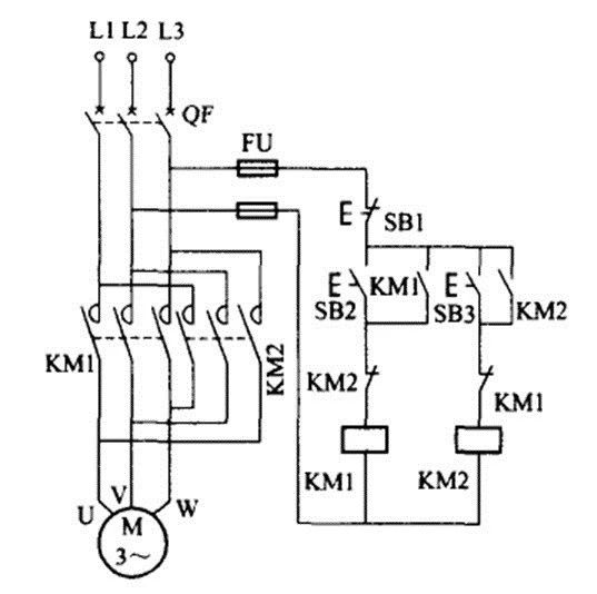
1、正-停-反转控制电路

电气互锁正、反转控制线路存在的主要问题是从一个转向过渡到另一个转向时,要先按停止按钮SB1,不能直接过渡,显然这是十分不方便的。
2、正-反-停转控制电路

该线路结合了电气互锁和按钮互锁的优点,是一种比较完善的既能实现正、反转直接启动的要求,又具有较高安全可靠性的线路。
线路保护环节:
(1)短路保护 短路时通过熔断器的熔体熔断切开主电路。
(2)过载保护 通过热继电器实现。由于热继电器的热惯性比较大,即使热元件上流过几倍额定电流的电流,热继电器也不会立即动作。因此在电动机起动时间不太长的情况下,热继电器经得起电动机起动电流的冲击而不会动作。只有在电动机长期过载下才动作,断开控制电路,接触器线圈失电,切断电动机主电路,实现过载保护。
(3)欠压和失压保护
欠压和失压保护是通过接触器KM的自锁触点来实现的。在电动机正常运行中,由于某种原因使电网电压消失或降低,当电压低于接触器线圈的释放电压时,接触器释放,自锁触点断开,同时主触点断开,切断电动机电源,电动机停转。如果电源电压恢复正常,由于自锁解除,电动机不会自行起动,避免了意外事故发生。
以上电路启动方式均为全压启动。
在变压器容量允许的情况下,鼠笼式异步电动机应该尽可能采用全电压直接起动,既可以提高控制线路的可靠性,又可以减少电器的维修工作量。
六、异步电动机降压起动线路
异步电动机的全压起动电流一般可达额定电流的4-7倍。过大的起动电流会降低电动机寿命,致使变压器二次电压大幅度下降,减少电动机本身的起动转矩,甚至使电动机根本无法起动,还要影响同一供电网路中其它设备的正常工作。如何判断一台电动机能否全压起动呢?
一般规定,电动机容量在10kW以下者,可直接起动。10kW以上的异步电动机是否允许直接起动,要根据电动机容量和电源变压器容量的比值来确定。
对于给定容量的电动机,一般用下面的经验公式来估计。
Iq/Ie≤3/4+电源变压器容量(kVA)/[4×电动机容量(kVA)]
式中 Iq—电动机全电压起动电流(A);Ie—电动机额定电流(A)。
若计算结果满足上述经验公式,一般可以全压起动,否则不予全压起动,应考虑采用降压起动。
有时,为了限制和减少起动转矩对机械设备的冲击作用,允许全压起动的电动机,也多采用降压起动方式。
鼠笼式异步电动机降压起动的方法有以下几种:定子电路串电阻(或电抗)降压起动、自耦变压器降压起动、Y-△降压起动、△-△降压起动等.使用这些方法都是为了限制起动电流,(一般降低电压后的起动电流为电动机额定电流的2-3倍),减小供电干线的电压降落,保障各个用户的电气设备正常运行。
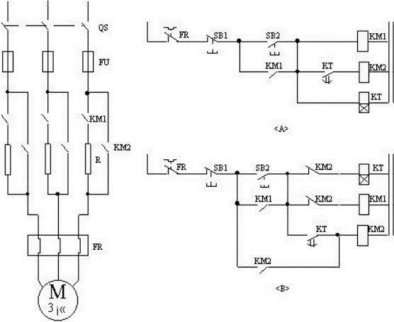
1、串电阻(或电抗)降压起动控制线路
在电动机起动过程中,常在三相定子电路中串接电阻(或电抗)来降低定子绕组上的电压,使电动机在降低了的电压下起动,以达到限制起动电流的目的。一旦电动机转速接近额定值时,切除串联电阻(或电抗),使电动机进入全电压正常运行。这种线路的设计思想,通常都是采用时间原则按时切除起动时串入的电阻(或电抗)以完成起动过程。

定子串电阻降压起动控制线路
串电阻起动的优点是控制线路结构简单,成本低,动作可靠,提高了功率因数,有利于保证电网质量。但是,由于定子串电阻降压起动,起动电流随定子电压成正比下降,而起动转矩则按电压下降比例的平方倍下降。同时,每次起动都要消耗大量的电能。因此,三相鼠笼式异步电动机采用电阻降压的起动方法,仅适用于要求起动平稳的中小容量电动机以及起动不频繁的场合。大容量电动机多采用串电抗降压起动。
2、串自耦变压器降压起动控制线路
在自耦变压器降压起动的控制线路中,限制电动机起动电流是依靠自耦变压器的降压作用来实现的。自耦变压器的初级和电源相接,自耦变压器的次级与电动机相联。自耦变压器的次级一般有3个抽头,可得到3种数值不等的电压。使用时,可根据起动电流和起动转矩的要求灵活选择。电动机起动时,定子绕组得到的电压是自耦变压器的二次电压,一旦起动完毕,自耦变压器便被切除,电动机直接接至电源,即得到自耦变压器的一次电压,电动机进入全电压运行。通常称这种自耦变压器为起动补偿器。

在自耦变压器降压起动过程中,起动电流与起动转矩的比值按变比平方倍降低。在获得同样起动转矩的情况下,采用自耦变压器降压起动从电网获取的电流,比采用电阻降压起动要小得多,对电网电流冲击小,功率损耗小。所以自耦变压器被称之为起动补偿器。换句话说,若从电网取得同样大小的起动电流,采用自耦变压器降压起动会产生较大的起动转矩。这种起动方法常用于容量较大、正常运行为星形接法的电动机。其缺点是自耦变压器价格较贵,相对电阻结构复杂,体积庞大,且是按照非连续工作制设计制造的,故不允许频繁操作。
3、Y—△降压起动控制线路


三相鼠笼式异步电动机采用Y—△降压起动的优点在于:定子绕组星形接法时,起动电压为直接采用三角形接法时的1/3,起动电流为三角形接法时的1/3,因而起动电流特性好,线路较简单,投资少。其缺点是起动转矩也相应下降为三角形接法的1/3,转矩特性差。所以该线路适用于轻载或空载起动的场合。另外应注意,Y—△联接时要注意其旋转方向的一致性。