1. LED数码管介绍
LED数码管也称半导体数码管,它是将若干发光二极管按一定图形排列并封装在一起的最常用的数码显示器件之一。LED数码管种类很多,品种五花八门,这里仅向初学者介绍最常用的小型“8”字形LED数码管的识别与使用方法。

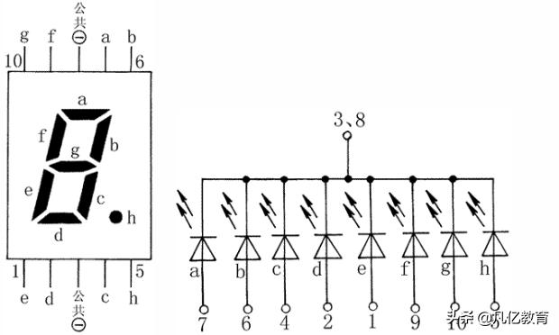
目前,常用的小型LED数码管多为“8”字形数码管,它内部由8个发光二极管组成,其中7个发光二极管(a~g)作为7段笔画组成“8”字结构(故也称7 段LED数码管),剩下的1个发光二极管(h或dp)组成小数点,如图1(a)所示。各发光二极管按照共阴极或共阳极的方法连接,即把所有发光二极管的负极(阴极)或正极(阳极)连接在一起,作为公共引脚;而每个发光二极管对应的正极或者负极分别作为独立引脚(称“笔段电极”),其引脚名称分别与图 1(a)中的发光二极管相对应,即a、b、c、d、e、f、g脚及h脚(小数点),如图1(b)所示。若按规定使某些笔段上的发光二极管发光,就能够显示出图1(c)所示的“0~9”10个数字和“A~F”6个字母,还能够显示小数点,可用于2进制、10进制以及16进制数字的显示,使用非常广泛。

图a

图b

图c
2.外形和种类
常用小型LED数码管的封装形式几乎全部采用了双列直插结构,并按照需要将1至多个“8”字形字符封装在一起,以组成显示位数不同的数码管。如果按照显示位数(即全部数字字符个数)划分,有1位、2位、3位、4位、5位、6位……数码管,如图d所示。如果按照内部发光二极管连接方式不同划分,有共阴极数码管和共阳极数码管两种;按字符颜色不同划分,有红色、绿色、黄色、橙色、蓝色、白色等数码管;按显示亮度不同划分,有普通亮度数码管和高亮度数码管;按显示字形不同,可分为数字管和符号管。

图d
3.型号与引脚的识别
由于LED数码管的型号命名各厂家不统一,可谓各行其事,无规律可循。要想知道某一型号产品的结构特点和有关参数等,一般只能查看厂家说明书或相关的参数手册。对于型号不清楚的LED数码管,就只能通过万用表等的测量,弄清内部电路结构和相关参数。表1列出了部分国产BS×××系列LED数码管的主要参数,供参考。
小型LED数码管的引脚排序规则如图4所示。即:正对着产品的显示面,将引脚面朝向杂志,从左上角(左、右双排列引脚)或左下角(上、下双排列引脚)开始,按逆时针(即图中箭头)方向计数,依次为1、2、3、4脚……如果翻转过来从背面看(比如在印制电路板的焊接面上看),即引脚面正对着自己、显示面朝向杂志,则应按顺时针方向计数。可见,这跟普通集成电路是一致的。
常用LED数码管的引脚排列均为双列10脚、12脚、14脚、16脚、18脚等,表2给出了笔者整理出的常用LED数码管的引脚排列图和内部电路图,希望能够给读者的应用提供简便快捷的帮助。识别引脚排列时大致上有这样的规律:对于单个数码管来说,最常见的引脚为上、下双排列,通常它的第3脚和第8脚是连通的,为公共脚;如果引脚为左、右双排列,则它的第1脚和第6脚是连通的,为公共脚。但也有例外,必须具体型号具体对待。另外,多数LED数码管的“小数点”在内部是与公共脚接通的,但有些产品的“小数点”引脚却是独立引出来的。对于2位及以上的数码管,一般多是将内部各“8”字形字符的a~h这8根数据线对应连接在一起,而各字符的公共脚单独引出(称“动态数码管”),既减少了引脚数量,又为使用提供了方便。例如,4位动态数码管有4个公共端,加上 a~h引脚,一共才只有12个引脚。如果制成各“8”字形字符独立的“静态数码管”,则引脚可达到40脚。
常用LED数码管的引脚排列图和内部电路图
1)CPS05011AR(1位共阴/红色 0.5英寸)、SM420501K(红色 0.5英寸)、 SM620501(蓝色0.5英寸)、SM820501(绿色0.5英寸)

2)SM420361(1位共阴/红色0.36英寸)、 SM440391(红色0.39英寸)

3)SM420322(1位共阴/红色0.32英寸)、SM220322(绿色0.32英寸)

4)SM410561K(1位共阳/红色0.56英寸)、SM610501(蓝色0.5英寸)、 SM810501(绿色0.5英寸)

4. 检测方法
一个质量保证的LED数码管,其外观应该是做工精细、发光颜色均匀、无局部变色及无漏光等。对于不清楚性能好坏、产品型号及管脚排列的数码管,可采用下面介绍的简便方法进行检测。
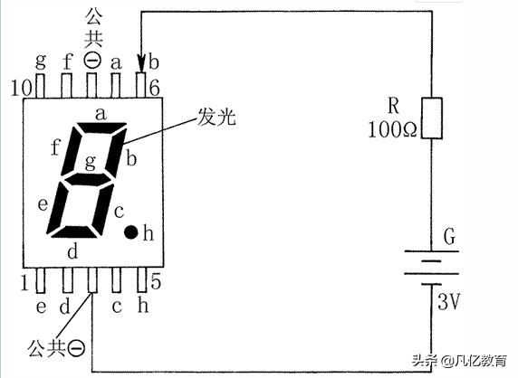
1)干电池检测法。
如图5(a)所示,取两节普通1.5V干电池串联(3V)起来,并串联一个100Ω、1/8W的限流电阻器,以防止过电流烧坏被测LED数码管。将3V干电池的负极引线(两根引线均可接上小号鳄鱼夹)接在被测数码管的公共阴极上,正极引线依次移动接触各笔段电极(a~h脚)。当正极引线接触到某一笔段电极时,对应笔段就发光显示。用这种方法可以快速测出数码管是否有断笔(某一笔段不能显示)或连笔(某些笔段连在一起),并且可相对比较出不同的笔段发光强弱是否一致。若检测共阳极数码管,只需将电池的正、负极引线对调一下,方法同上。
如果将图5(a)中被测数码管的各笔段电极(a~h脚)全部短接起来,再接通测试用干电池,则可使被测数码管实现全笔段发光。对于质量保证的数码管,其发光颜色应该均匀,并且无笔段残缺及局部变色等。
如果不清楚被测数码管的结构类型(是共阳极还是共阴极)和引脚排序,可从被测数码管的左边第1脚开始,逆时针方向依次逐脚测试各引脚,使各笔段分别发光,即可测绘出该数码管的引脚排列和内部接线。测试时注意,只要某一笔段发光,就说明被测的两个引脚中有一个是公共脚,假定某一脚是公共脚不动,变动另一测试脚,如果另一个笔段发光,说明假定正确。这样根据公共脚所接电源的极性,可判断出被测数码管是共阳极还是共阴极。显然,公共脚如果接电池正极,则被测数码管为共阳极;公共脚如果接电池负极,则被测数码管应为共阴极。接下来测试剩余各引脚,即可很快确定出所对应的笔段来。
2)万用表检测法。
这里以MF50型指针式万用表为例,说明具体检测方法:首先,按照图5(b)所示,将指针式万用表拨至“R×10k”电阻挡。由于LED数码管内部的发光二极管正向导通电压一般≥1.8V,所以万用表的电阻档应置于内部电池电压是15V(或9V)的“R×10k”挡,而不应置于内部电池电压是1.5V的 “R×100”或“R×1k”挡,否则无法正常测量发光二极管的正、反向电阻。然后,进行检测。在测图5(b)所示的共阴极数码管时,万用表红表笔(注意:红表笔接表内电池负极、黑表笔接表内电池正极)应接数码管的“-”公共端,黑表笔则分别去接各笔段电极(a~h脚);对于共阳极的数码管,黑表笔应接数码管的“+”公共端,红表笔则分别去接a~h脚。正常情况下,万用表的指针应该偏转(一般示数在100kΩ以内),说明对应笔段的发光二极管导通,同时对应笔段会发光。若测到某个管脚时,万用表指针不偏转,所对应的笔段也不发光,则说明被测笔段的发光二极管已经开路损坏。与干电池检测法一样,采用万用表检测法也可对不清楚结构类型和引脚排序的数码管进行快速检测。

图a 干电池检测法

图b 万用表检测法
(以上内容来源于凡亿教育)