润电能源科学技术有限公司的研究人员张建军、岳啸鸣、屈少平、卢炳均,在2020年第8期《电气技术》杂志上撰文,针对一起因220kV气体绝缘金属封闭开关设备母线支柱绝缘子断裂缺陷,造成C相母线导体掉落,并对筒体放电,致使B、C两相短路,进而引发三相短路故障,导致#2母线差动保护动作跳闸事故,进行了诊断试验及解体检查。
分析认为,#2母线支柱绝缘子浇筑过程中未严格执行工艺要求,机械强度降低,在运行中电动力作用下断裂是此次事故的主要原因,最后提出了相应的改进措施及建议。
气体绝缘金属封闭开关设备(gas-insulated metal- enclosed switchgear, GIS)作为一种可靠的输变电设备,具有结构紧凑、运行可靠性高和检修周期长的特点,在110kV及以上变电站、电厂中广泛应用。
GIS用支柱绝缘子作为GIS中主要的绝缘部件,对管型母线等导体起机械支撑和电气绝缘的作用,其运行环境恶劣,不仅要承受短路电动力的作用,还要承受管母、附属金具荷载、机械操作冲击、热胀冷缩应力等作用,易在运行中发生倾斜、断裂、放电等问题。
此外,GIS在制造、运输和安装过程中,其内部可能会因质量把控不严留下一些如金属微粒、绝缘件或内部紧固件松动和相对位移等缺陷,严重时会导致变电站、输电线路部分或全部停电,甚至人身伤亡,造成巨大的经济损失。
近两年,国内多省份连续发生多起220kV GIS运行事故。本文介绍了一起220kVGIS母线支柱绝缘子缺陷导致三相短路故障的案例,分析了事故原因并提出了改进措施。
1 案例介绍
1.1 故障前情况
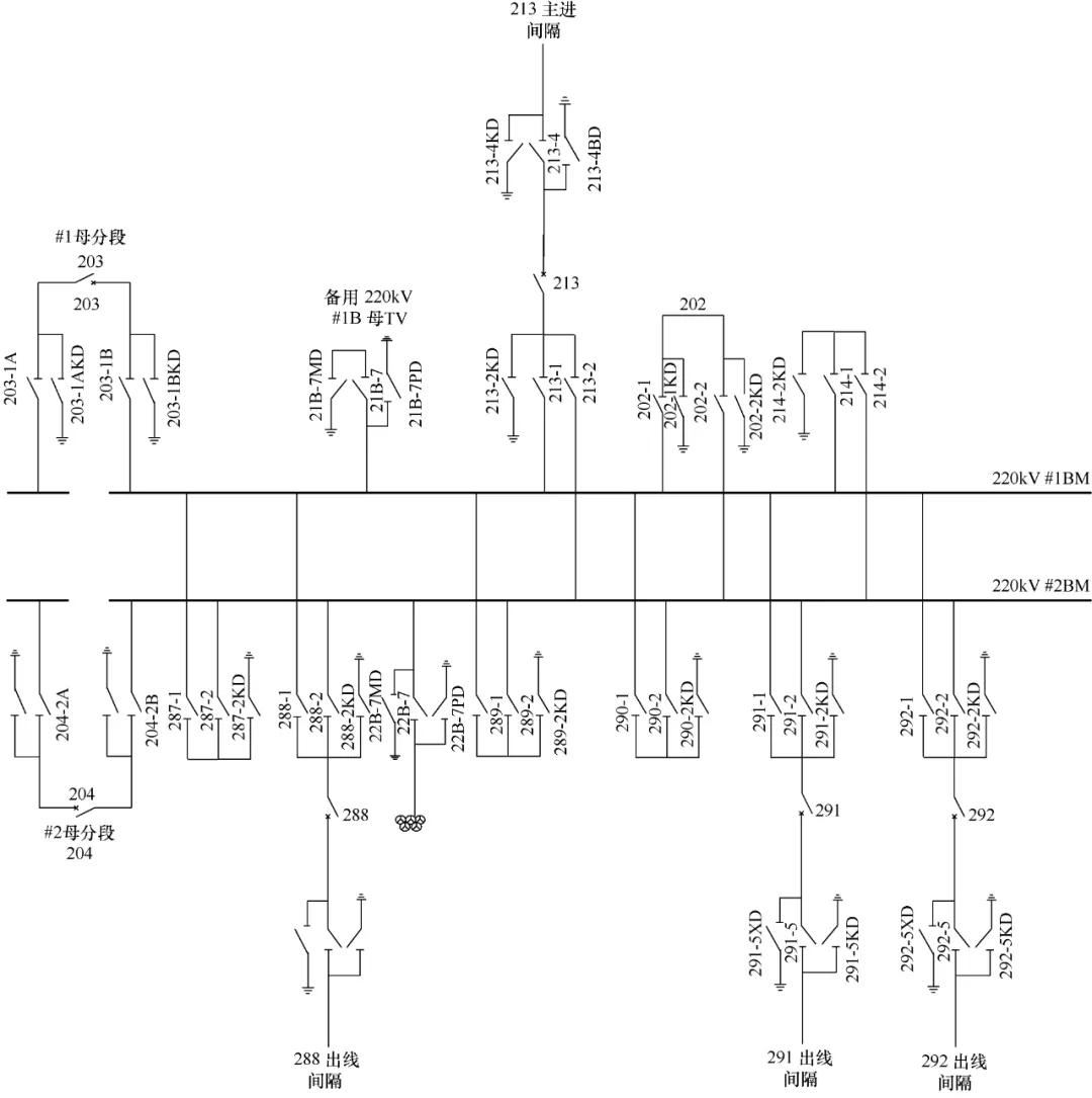
天气晴,故障前运行方式为220kV双母线运行;203、204为分段开关(已锁定,不可分闸);2号主变、出线288在220kV #2母线运行,3号主变、出线291在220kV #1母线运行;220kV其他间隔设备未投运,电气主接线图如图1所示。
设备基本情况:220kVGIS型号为ZF1-252,西安西电高压开关有限责任公司2015年5月生产,2015年12月投运,自投运以来未经历过不良工况。二次保护设备220kV母线保护屏型号为IBP-2CA,长园深瑞生产;220kV母线保护屏Ⅱ型号为PCS- 915A,南瑞继保生产。

图1 电气一次主接线图(部分)
1.2 故障经过
4月2日17:10,220kV #2母线故障,220kV母线差动保护动作,201、212、288开关跳闸。4月26日—29日,对故障的220kV #2母线GM62气室解体检查,发现291与202间隔之间的过渡母线气室内部C相支柱绝缘子断裂,C相导体落于母线筒底部,掉落附近的筒体内部有严重的烧蚀痕迹。
1.3 继电保护动作情况
288开关故障录波图如图2所示。
通过图2可知,故障首先为B、C相间短路,持续11ms后转化为A、B、C三相短路故障,在母线发生故障时212开关最大电流有效值为Ia= 11515A、Ib=14666A、Ic=8967A,213开关最大电流有效值为Ia=11403A、Ib=14687A、Ic=8912A,288开关最大电流有效值为Ia=17178A、Ib=20975A、Ic=15933A,291开关最大电流有效值为Ia=7102A、Ib= 7175A、Ic=6955A。母线故障后56ms切除故障,保护装置动作记录情况见表1。

图2 288开关故障录波图

表1 保护装置动作记录情况
跳闸后,立即对故障的220kV #2母线相关设备进行检查,未发现异常情况,通过检查保护装置及动作信息确定本次两套保护装置均正确动作,判断220kV #2母线B、C相间故障,排除误动可能;对220kV #2母线相关设备外观检查无异常,怀疑母线气室内部故障。
2 现场检查及分析
对220kV #2母线、2号主进212间隔、出线288间隔气室进行微水及气体组分测试,结果见表2,GM62气室中SO2特征气体组分含量为160L/L,远高于标准≤1L/L的要求,且相邻气室检测结果均为0,可判断220kV #2母线最右侧气室GM62内部发生放电。

表2 #2母线SF6气体微水、组分测试结果
3 解体检查试验情况
3.1 #2母线GM62气室解体检查
1)291与202间隔之间的过渡母线气室内部C相支柱绝缘子断裂,C相导体落于母线筒底部,掉落附近的筒体内部有严重的烧蚀痕迹(如图3、图4所示)。

图3 C相支柱绝缘子断裂

图4 断裂后的支柱绝缘子
2)B相(筒体最下部)支柱绝缘子沿面对筒体放电(如图5所示),A相支柱绝缘子无异常。

图5 B相支柱绝缘子放电痕迹
3)GM62和GM52气室之间的盆式绝缘子无异常,如图6所示,GM62气室也未发现其他可能引起内部故障的异常情况。
4)母线筒内壁与导体均有3处明显放电痕迹,分别如图7、图8所示。
母线筒内壁的3处明显放电痕迹,分别对应于母线导体上的3处放电位置。通过检查母线导体、支柱绝缘子和母线筒的放电痕迹,判断位置1为C相支柱绝缘子断裂后过渡导体对母线筒体放电(有2个放电点),位置2为B、C相母线导体间及B相沿支柱绝缘子直接对地放电,位置3为A、B、C相母线导体间放电。

图6 GM62和GM52间盆式绝缘子

图7 GM62气室母线筒内壁上的放电位置

图8 母线导体上的放电位置
3.2 支柱绝缘子检查
对故障的GM62气室6只支柱绝缘子进行了外观检查、X射线探伤检测,均无异常;对完好的绝缘子进行工频耐压和局放试验,结果均合格;选取1支完好绝缘子进行抗弯曲试验,力矩达到5386N•m,满足不小于4900N•m的要求。
追溯损坏的支柱绝缘子浇筑工艺流程记录,发现浇注工未及时将脱模产品放入烘箱进行二次固化,造成后固化时间缩短,不满足浇筑固化过程中温度保持127℃,时长16h工艺要求。
环氧树脂浇筑工艺是保证支柱绝缘子性能的关键,固化时间不足可导致环氧树脂分子交链不充分、不均匀,从而使机械强度降低。固化时一炉共制作支柱绝缘子3只,进一步排查该炉剩余的2只支柱绝缘子,X射线检测未发现异常,但局放试验均不合格,达到120pC以上,被判废处理。
检查断裂的支柱绝缘子金属底板与筒体螺栓连接部位,4条螺栓中有2条受力不均痕迹明显(如图9所示),说明在厂内安装及运行过程中受力不均,导体-支柱绝缘子-金属底板-母线筒体连接部位存在明显受力,并在运行中的电动力作用下最终造成绝缘子断裂。

图9 金属底板与母线筒体连接部位
3.3 故障原因分析
母线筒体内重组断裂后的C相导体绝缘子,B、C相导体之间的放电痕迹位置朝向不完全重合,说明发生相间放电时B、C相的导体位置相比原始的安装位置已发生变化。检查断开的支柱绝缘子,在一侧断裂缝附近有放电喷溅痕迹,并沿外表面深入断裂面内部,但未覆盖全部断裂面,说明发生放电时该绝缘子已存在裂缝,但裂缝并不大,因此判断放电发生在绝缘子断裂之后。
综合考虑以上现场检查结果和解体情况,判断此次故障主要原因与过程如下:
1)持续时间4ms,B、C相间短路,无零序电流。291和202间隔之间的C相母线导体支柱绝缘子因本身质量缺陷,在多种力量作用下出现断裂,C相导体因重力作用向B相移位,B、C相导电杆间绝缘距离不足发生短路。
2)4ms至15ms,B、C相短路且对筒体(地电位)放电,零序电流逐渐增大。B、C相间短路发生4ms后,电弧产生的金属蒸汽造成该气室内部绝缘下降,离相间短路点最近的(仅20cm)B相支柱绝缘子发生沿面放电。
该支柱绝缘子在母线筒下部,绝缘子闪络面正好面向B、C相间短路点,受金属蒸汽影响较大,导致绝缘子表面形成贯穿性的对母线筒体放电通道。另外,在金属蒸汽作用下,C相导体直接对母线筒放电。
3)15ms至56ms,发展为三相短路,56ms后跳开三相开关。随着气室内部绝缘持续下降,A、B、C三相之间逐渐形成稳定的放电,并最终形成三相短路。从现场放电痕迹看,A相主要通过导电杆对B相放电,B相通过导电杆与A相、C相间形成放电,最终发展为三相短路,C相导体完全跌落于母线筒右侧底部。
4 结论
1)220kV #2母线支柱绝缘子未严格执行浇筑工艺要求,造成机械强度降低,在运行中的电动力等多种电磁、机械振动力量作用下出现断裂,产生位移,致使绝缘距离不足产生放电是此次事故的根本原因。
2)此次事故检修中须更换220kV #1、#2母线全部支柱绝缘子,并根据现场检查情况更换金属底板,更换后测量导体与筒壁之间的距离,检查导体安装情况,确保导体-绝缘子-金属底板-筒壁之间的连接无受力情况。
3)基建工程施工过程中,要求厂家加强GIS母线对接、内部安装环节的管理,提高安装质量。
4)生产厂家需进一步加强产品制造质量管控,特别是对小型绝缘件按照要求进行全部绝缘试验,保证产品出厂质量。