这图原本是CAD的练习图,现在用来画ug的草绘也是可以的。
也可以用proe,SW的绘制,只要你愿意,软件都可以绘制,练习
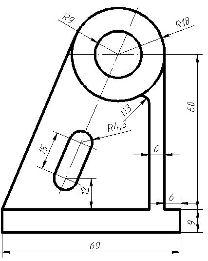
练习NO. 01

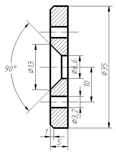
练习NO. 02

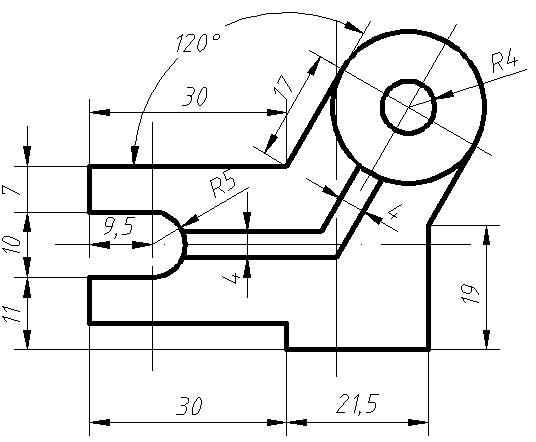
练习NO.03

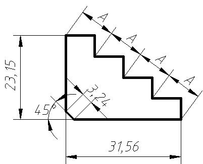
练习NO.04

练习NO.05

练习NO.06

练习NO.07

练习NO.08

练习NO.09

练习NO.10

练习NO.11

练习NO.12

练习NO.13

练习NO.14

练习NO.15

练习NO.16

练习NO.17

练习NO.18

练习NO.19

练习NO.20

练习NO.21

练习NO.22

练习NO.23

练习NO.24

练习NO.25

练习NO.26

练习NO.27

练习NO.28


练习NO.29

练习NO.30

练习NO.31

练习NO.32

练习NO.33

练习NO.34

练习NO.35

练习NO.36

练习NO.37、38

练习NO.39

练习NO.40

练习NO.41

练习NO.42

练习NO.43

练习NO.44

练习NO.45

练习NO.46

练习NO.47

练习NO.48

练习NO.49

练习NO.50

最后一个苹果的造型是稍微复杂一点的,喜欢的可以自己绘制,不会的可以私信小编哦,
喜欢的记得关注小编哦