摘要 :锂电池健康状态(State of Health,SOH)均衡技术是电池管理系统(Battery Management System,BMS)的关键技术之一。实现锂电池SOH均衡可使系统内所有锂电池同时达到报废标准,降低锂电池维护和更换费用,提高锂电池容量利用率。文中对SOH定义和不均衡影响因素进行介绍,指出影响SOH均衡的因素。从主动均衡、被动均衡和复合均衡三个角度出发,对目前发表的锂电池SOH均衡方案进行分类和总结。重点分析现有主动、被动和复合SOH均衡方案原理、优缺点及面临的问题。同时指出锂电池SOH均衡技术未来发展及改进方向,以期实现锂电池SOH均衡技术突破。
锂电池SOH定义及不均衡的原因
1.1 锂电池SOH定义
SOH为表征电池老化和劣化程度的指标 ,其值在0到1之间。随着锂电池服役时间的增加,锂电池SOH值会不断降低。当SOH降到一定值时(通常为20%),锂电池必须退役。锂电池为非线性系统并且很多电气参数难以直接测量。因此,SOH参数不能直接测量得到,需要采用合理的估算方法对SOH 进行估算。目前SOH的表达式主要包括两种: 基于容量和基于内阻 。一种经典的 基于容量 的SOH表达式为:

(1)
式中Qmax为锂电池可用的最大可用容量;Qrated为锂电池额定容量。
另一种 基于内阻 的SOH表达式为:

(2)
式中RE为锂电池寿命结束时的内阻;RC为电流内阻;RN为新电池的额定内阻。
由式(1)和式(2)可以看出,锂电池的SOH与电池容量和内阻指标密切相关。但由于电池容量和内阻指标难以直接测量,目前学者提出了许多改进SOH估算方法,以便更快和更准的获得电池容量和内阻值。这些改进SOH估算算法主要包括 实验估计法、自适应滤波法 和 数据驱动法 三类。
1.2 SOH不均衡影响因素
由式(1)和式(2)可知,导致SOH不均衡的因素主要在于各个锂电池的 容量 和 内阻 阻值 不一致 。 影响锂电池容量和阻值的因素 主要包括:
① 温度 。锂电池组内一般中间的锂电池散热效果差,导致锂电池组内锂电池单元存在温差,造成锂电池单元间容量和内阻阻值差异;
② 充放电电流倍率 。各块锂电池充放电倍率不同会影响锂电池容量的衰减度,影响SOH均衡;
③ 锂电池放电深度 (Depth of Discharge, DOD)。锂电池DOD的会影响锂电池充放电深度,进而影响SOH均衡;
④ 循环区间 ,锂电池放电循环区间差异会影响电池老化过程和电池内阻,导致SOH不均衡。
实际工程中,由于锂电池单体制造工艺、初始容量、环境、温度及服役时间等因素差异会造成锂电池时容量、内阻和自放电率等指标不同,致使锂电池组间或组内各个锂电池单元运行过程中SOH不均衡度逐步增加,进而导致“木桶效应”(见图1)。SOH不均衡会造成系统内锂电池退役的时间不一致,增加锂电池维护和更换成本,降低锂电池容量利用率。

图1 锂电池放电过程SOH状态
SOC与SOH均衡方案的差异
除SOH均衡,荷电状态(State of Charge,SOC)均衡也是电池管理系统的关键技术。但SOC均衡与SOH均衡技术有着本质差别(见表1)。

表1 SOC和SOH均衡方案差异

图2为传统SOC均衡控制方案下的SOH波形
图2中锂电池SOC和SOH分别采用 安时积分法 和式(5)来进行估算。基于安时积分法的SOC表达式如下:

(3)
式中SOCi和SOC0i分别表示第i台锂电池的SOC值和初始SOC值;Cei表示第i台锂电池容量;VB表示锂电池输出侧电压;Pi表示第i台锂电池逆变器输出的有功功率。
由图2分析可知:传统SOC均衡方案根据锂电池SOC状态调节逆变器输出的有功功率,使SOC高的储能单元输出更多的能量,加快SOC下速度,进而均衡各个电池的SOC。但传统SOC均衡方案中,逆变器输出的稳态有功功率是均分的,即以相同的DOD放电。在这种情况下,若初始SOH不一致,则锂电池SOH无法实现均衡。
锂电池SOH均衡方案研究现状
鉴于锂电池SOH均衡的重要性,部分国内外学者已经开展SOH均衡技术研究。目前,已发表文献中实现SOH均衡的方法主要分为 主动均衡法、被动均衡法和复合型均衡 三种方法。
3.1 被动SOH均衡方案
被动SOH均衡方案具有控制简单、成本较低、易于实现等优点,在工业中应用广泛。有学者提出给每块锂电池安装 分流电阻 (见图3),根据检测到锂电池SOH状态分流电阻控制开关,将SOH高的锂电池接入分流电阻,利用分流电阻消耗SOH高的锂电池能量,加快SOH下降速度,进而均衡所有锂电池SOH。但由于被动SOH方案 利用电阻发热耗能 的形式调节能量,因此存在 能量浪费 和 均衡速度慢 的问题。

图3 被动SOH均衡方案原理图
3.2 主动SOH均衡方案
针对被动SOH均衡方案的缺点,部分学者提出了主动SOH均衡方案。主动SOH平衡方案通过连接在每个锂电池单元或者锂电池组上功率变换器, 将SOH值高的锂电池能量转移到SOH值低电荷电池,进而实现SOH均衡 。主动SOH均衡方法克服被动均衡方案产生能量损耗的缺点,具有均衡速度快、效率高、节能等优点。针对SOH不均衡问题,郭向伟等根据锂电池实验数据,利用阻抗衰减率表征SOH,如式(4)所示:

(4)
式中ξr为锂电池老化衰减率;ξc为锂电池阻抗衰减率。
提出一种锂电池SOH 主动均衡拓扑结构 (见图4)。在该拓扑结构中,每个锂电池配备一个DC/DC升降压电路,通过能量转移实现单个锂电池组内各个锂电池单元的SOH均衡。该方案通过将当前锂电池SOH值与最小SOH值的差值作为目标函数,在约束条件下获得锂电池能量转移的最佳路径,实现SOH较好的锂电池转移出能量,SOH较差的锂电池转移入能量。通过该方式,实现四节串联电池SOH均衡。该方案具有能量损失小,控制原理简单的优点。但 该方案存在计算量较大,需要电子器件较多,成本较高,需要通信等问题 。

图4 基于拓扑结构的SOH均衡方案
Sifat提出的SOH估算算法,解决了需要采集大量实验数据的问题。同时,提出基于经验和物理的方法建立锂电池生命周期模型,并在该模型的基础上提出SOH均衡系统,通过为每个锂电池单元配置一个小的低功耗DC/DC变换器(见图5),并由一个独立的控制单元来实现锂电池单元的SOH均衡。

图5 基于双向DC/DC变换器的SOH均衡方案
该方案将各个锂电池的SOH数据送入主控制器,主控器根据SOH状态控制双向DC/DC变换器开关调节输出电流的大小,最终实现SOH均衡控制。
Lacey等提出一种SOH均衡系统。该系统能够识别出SOH低的锂电池,均衡SOH在50%~100%范围内的锂电池SOH以及替换SOH低于50%的锂电池。M. Serbanescu通过将系统内锂电池SOH状态信息传给主控系统,主控系统通过对比SOH信息将SOH状态较差锂电池切除或将SOH状态较好的锂电池接入,进而实现SOH均衡。Alma Pröbstl提出一种SOH感知均衡系统。该系统首先利用式(1)对SOH 进行估算,通过控制MOSFET开关减少较低SOH电池单元的负荷电流,以实现SOH均衡。
上述SOH估计都是根据式(1)和式(2)得到。但是采用式(1)时需要对锂电池进行长时间的离线充放电测试。而采用式(2)时SOH估算的结果受环境温度的影响。因此,式(1)和式(2)都不适合于SOH 的在线估计。基于此,Ma Z,李楠等提出一种 基于锂电池生命周期的SOH估算 表达式如式(5)所示:

(5)
式中Cleft为锂电池的剩余生命周期;Ctotal为锂电池总的生命周期;Calc为累积生命周期;SOH0为SOH的初始值;DOD为锂电池的放电深度;a和b为正的常数。
同时指出锂电池的SOH与其放电深度(Depth of Discharge, DOD)密切相关。在此基础上,研究一种针对储能型模块化多电平系统(Battery Integrated Modular Multilevel Converter, B-MMC)的控制方案,该方案利用DC/DC变换器根据电池SOH状态,对每个电池单元的输出的电流重新进行分配,使SOH高的锂电池输出的有功功率多(即处于深放电状态),SOH下降的速度快;使SOH低的锂电池输出的有功功率少(即处于浅放电状态),SOH下降的速度慢,最终实现B-MMC之间的SOH均衡(见图6)。值得注意的是和图2(b)不同,图6(b)中SOH均衡后,稳态有功功率处于不均分状态。稳态有功功率的状态是SOC和SOH均衡方案的重要区别。


图6 SOH均衡方案
上述方案仅实现单个锂电池组内各个锂电池单元的SOH均衡,未考虑锂电池组间SOH均衡问题。针对该问题,吴青峰提出一种 基于多代理的微电网分布式锂电池组间SOH平衡方案 。该方案中各个锂电池组通过逆变器给负荷供电(见图7)。该方案通过将DOD信息引入传统下垂控制中,利用多代理技术求出DOD平均值对逆变器输出的有功功率进行调节,进而实现锂电池组间的SOH均衡。基于多代理的锂电池组间SOH均衡方案控制框图如图8所示。但该方案仍然建立在通信的基础上。

图7 锂电池组结构图

图8 锂电池组SOH均衡控制框图
综上可知 ,已存主动SOH均衡方案能分别实现锂电池组间或组内SOH均衡,但现有方案均需集中能量管理器或通信,成本较高,控制较为复杂,不易于实际应用。
3.3 复合型SOH均衡方案
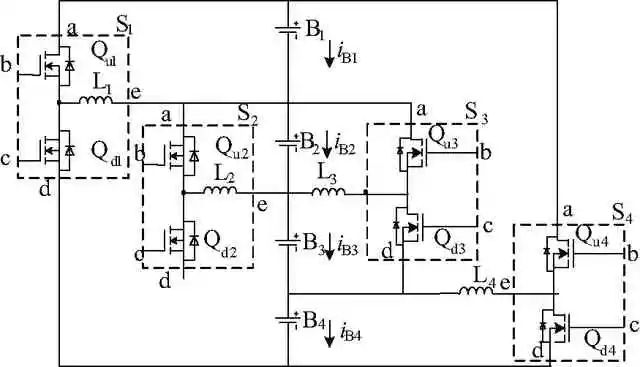
针对已存主动SOH均衡方案只能实现锂电池组内各个锂电池单元SOH均衡或锂电池组间SOH均衡的的缺点,Ma Z提出一种 复合型SOH均衡方案 (见图9)。复合均衡技术将主动均衡和被动均衡技术结合,同时实现锂电池组间/组内SOH均衡。
在主动均衡方面,通过给单个锂电池组内各个锂电池单元配备DC/DC变换器,利用BMS根据SOH状态调节各个锂电池单元间的功率流动。在被动均衡方面,通过在各个锂电池组输出端接入分流电阻,利用提出的控制算法控制分流电阻接入与切除,实现各个锂电池组输出功率进行调节,进而达到均衡锂电池组间SOH的目的。虽然该方案可以同时实现锂电组内和组间各个锂电池间的SOH均衡,但引入的分流电阻增加了系统成本和能量浪费。此外,该方案基于B-MMC电路,应用范围受到限制,需要中央控制器和全局通信,通信量大,算法复杂。

图9 复合型SOH均衡方案
表2列出了不同锂电池SOH均衡方法之间的比较,包括方法分类、均衡方法以及每种方法的优缺点。各种均衡方法之间的比较结果表明,每种SOH均衡方案都存在优点和缺点,由于每种方法在成本、均衡速度、控制复杂性和拓扑结构等方面的不同,可根据应用场合、控制要求、成本预算等限制条件选择不同的控制方案。但通过比较发现:如果能对功率转换和控制电路进行优化,以充分减小体积和成本,那么基于电力电子变换器的主动SOH均衡方法是非常有前途的。

表2 已存SOH 均衡方案总结与分析
SOH均衡技术发展方向及建议
SOH均衡技术是BMS系统不可或缺的技术。本节基于SOH均衡的研究现状和趋势,从主动均衡、被动均衡和复合均衡三个角度出发,对未来SOH均衡技术的发展趋势进行展望,提出未来SOH均衡技术可从以下几个方面展开研究:
1)主动SOH均衡技术发展方向及建议
现有的主动SOH均衡方案主要以DC/DC变换器为载体,研究DC/DC变换器控制方案。通过调节DC/DC变换器开关状态实现能量调节和SOH均衡,具有均衡速度快,效率高等优点。但现有基于DC/DC变换器方案要求中央控制器和通信、控制较复杂、成本较高、只能实现单个锂电池组内部储能单元SOH均衡,不易于实际应用。现有基于逆变器的SOH均衡方案,同样具有均衡速度快,效率高等优点,并能实现交流微电网锂电池组间SOH均衡。但现有方案仍无法摆脱对通信的依赖。针对主动均衡方案存在的问题,未来 可重点研究如何利用多代理、下垂控制等控制技术,实现无中央控制器、弱通信、甚至无通信状态下的锂电池SOH均衡,降低方案应用成本和难度 。
除目前已存的基于DC/DC变换器和逆变器的主动SOH均衡方案,还可以考虑 基于电容、基于电感和基于变压器 SOH均衡方案:
①基于电容SOH均衡方案。基于开关电容的SOH均衡方案中每个锂电池通过各自的开关与电容并联,电容器在与SOH高的锂电池单元并联时充电,在与SOH低的锂电池单元并联时放电,利用电容器在相邻电池之间传输能量,从而实现锂电池SOH均衡;
②基于电感SOH均衡方案。基于电感SOH均衡系统利用一个电感将电池组之间的能量转移到SOH最差的电池。控制器通过激活相应的开关实现电池组之间的能量转移和SOH均衡;
③基于变压器SOH均衡方案。在基于变压器SOH均衡方案中,每个次级绕组通过二极管连接到单独的锂电池单元。初级绕组通过开关连接在电池组,通过50%的占空比切换,能量从SOH高的锂电池传输到SOH低的锂电池。
2)被动SOH均衡技术发展方向及建议
现有基于分流电阻被动SOH均衡方案于具有可靠性较高、结构简单、成本低的优点。但该方案中能量以热的形式在电阻中释放,而没有转移到其他电池。因此,该方法均衡速度慢,能量损耗大且需要通信。 未来可对开关控制算法进行优化,减少开关导通和关断的次数,进而减少能量损耗 。
此外,除现有基于分流电阻SOH均衡方案,还可研究 基于固定分流电阻的SOH均衡方案 。该方案可将初始SOH高的锂电池串联接入阻值更高的电阻,消耗更多的能量,从而实现SOH均衡。该方案的特点和基于分流电阻的SOH均衡类似,未来难点在于研究SOH和电阻值之间的联系,通过合理配置电阻阻值,减少能量损耗。
3)复合SOH均衡技术发展方向及建议
现有复合SOH均衡方案能同时实现单台锂电池组内各个锂电池单元和多台锂电池组间的SOH,是未来研究的重点。但也面临控制复杂度和成本高、存在能量损耗难题。此外,现有方案只讨论了B-MMC拓扑下SOH均衡方案,需要中央控制器和通信。 未来可重点研究利用多代理等先进控制技术,消除对中央控制器的依赖,减少通信量,降低控制成本 。同时,可进一步研究 先进多级控制算法 。利用多级控制,在不使用外接电阻的前提下,同时实现单台锂电池组内各个锂电池SOH均衡和多台锂电池组间SOH均衡,减少能量损耗。最后,还可针对不同拓扑结构,研究相应的均衡算法。
【每日分享一点知识,有益点赞收藏关注】