故障现象: 一台创维32E500E型LED液晶电视,故障现象是绿灯亮, 不开机。
分析检查: 绿灯亮不开机,可能是数据问题,也可能是硬件问题。仔细观察,发现UM1存储器即 (flash)25Q64有焊过痕迹。经询问得知,该机原来 就是这个故障,拿到别处修理,怀疑数据问题,将fIash取下写数据,上机一试故障依旧,后要更换主板,机主嫌贵,转到本处。再仔细观察,除了fIash 外,什么也没动。测5VS、12V 等均正常,纹波不大。这时突然背光亮起来,俯身一看出现开机画面,但好景不长,一会又消失了, 背光熄灭,开关电源输出仍正常,绿灯亮。以为接触不良,但无论怎样振动,均不开机,说明不是接触不良所致。
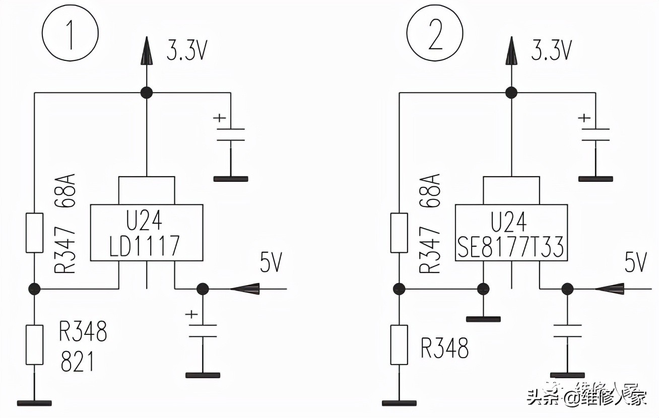
机主说以前也偶尔能开机。偶尔能开机,说明数据问题可能性小,而硬件问题可能性大。先查主板上的DC一DC转换电路。当测到U24(型号LD1117)时,如图1所示的原理图:

发现3.2V有很小波动,用示波器测纹波不大。测③脚输入5.1V稳定,纹波不大。测 ①脚电压,为2.1V且有很小波动。将分压电阻R347、R348取下测量,均正常,判断为U24不良或者是主芯片不良。
故障处理: 先换U24试试,由于手头没有型号为1117adj的集成块,只好从废主板上取下一只型号为SE8177T33上机 。由于SE8177T33是固定3.3V输 出,所以它的①脚必须接地。用一根白色导线将①脚与地连接,R347、R348不用取下来,不管它,原理图如上图2所示。

实物图如上图所示。通电试机,创维开机画面出现,接入信号,一切正常,长时间试机,故障彻底排除。可见修主板并不太难,主芯片都能买到,价格不高,但收益高。
小结: 绿灯亮不开机,偶尔能开机,一般不是数据问题。主板常出现的问题有:数据出错、过孔漏电、主芯片损坏或接触不良、DC一DC 转换块损坏或滤波电容损坏等。