车辆状况:2019款缤智,1年多行驶2.3万公里,无事故。

故障描述:扣动电子手刹开关后,车子不能刹车。
电子手刹没反应可能是这些原因造成的:1,手刹开关故障;2,挂挡机构脱落;3,刹车片磨损严重。

故障原因1:手刹开关故障。
维修技师拆下扶手箱,露出手刹开关,用万用表量取手刹开关电阻值。
如果电阻值不在正常范围内即可确认该故障。手刹开关出现故障,会造成手刹开关不能给挂挡机构发送信号,进而导致手刹开关不可用。
解决方案1:更换手刹开关。质保期内4S店免费更换;如果脱保,4S店的更换费用在200-300元左右,维修店的更换费用在100-200元左右。
故障原因2:挂挡机构脱落。
维修技师拆下扶手箱,观察挂挡机构是否有脱落的现象,即可确认该故障。如果挂挡机构脱落,就不能根据手刹开关的信号进行正常挂挡,进而会导致电子手刹没反应的故障出现。

解决方案2:更换挂挡机构。质保期内4S店免费更换;如果脱保,4S店的更换费用在1000-1500元左右,维修店的更换费用在800-1000元左右。
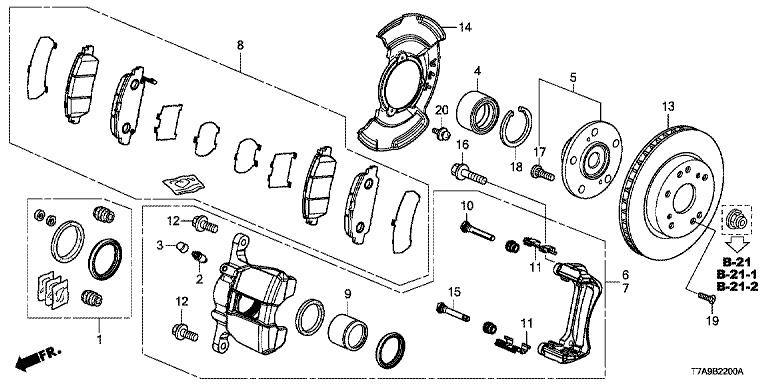
故障原因3:刹车片磨损严重。
维修技师用举升机举起车子,拆下轮胎,取下刹车片,观察刹车片的厚度是否正常,即可确认故障。如果刹车片磨损严重,会造成刹车失灵的情况,导致电子手刹没有反应。

解决方案3:更换刹车片,4S店的费用在800-1000元左右/套,维修店的费用在600-800元左右/套;刹车片属于易损件,需要车主自费。
总结:经检测,案例中的车子是由于电子手刹开关损坏导致的故障,具体处理方法可参考解决方案1。对此,我们建议车主及时清理电子手刹开关附近的杂物,并且需要定期保养车子。