本文介绍了如何创建低噪声、高性能且经济实惠的有刷直流电机可编程调速器。稳压器不受温度、电压或电机负载变化的影响。此外,该电路不受电机线圈电阻的影响,因此可在同一应用中使用多个电机而无需修改。
上述电路专为使用小功率有刷直流电机且要求电机速度稳定和噪声小的设备而设计。可以通过I2C接口修改电机速度,但它是预编程的,安装后不需要微调。
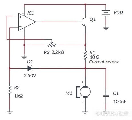
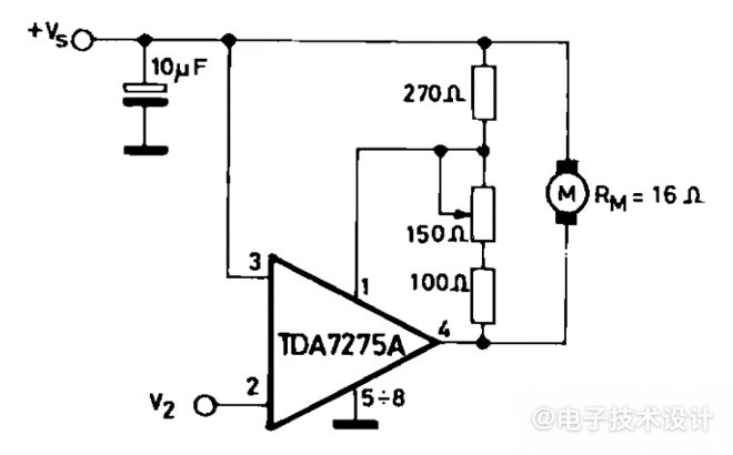
与图 1所示的传统电路不同,此设计无需使用反馈传感器,因为电机本身可用作传感器。电机线圈电阻会对其他较传统的设计产生影响(见图 2)。两者都需要在后期制作中进行修剪。某些应用(如音频应用)对噪声极其敏感,因此任何基于PWM的电机控制器都不合适。

图1:带电流传感器的传统直流电机速度控制器。

图2:基于TDA7275A的传统直流电机速度控制器。
每个有刷直流电机在电刷从一个线圈切换到另一个线圈时都会产生干扰,这被认为是这种电机最大的缺点之一。如果不进行滤波,它可能会中断由同一电源供电或位于附近的电路的正常工作。虽然使用与电机并联的电容器(在某些情况下,是串联铁氧体线圈)可以将干扰滤除到可接受的水平,但不可能完全消除干扰。
对于本文所描述的设计中,使用了小的剩余干扰来确定电机速度。在大多数情况下,廉价、低电压、低功率的有刷直流电机具有三个动圈。它们中的每一个都会产生尖峰形式的干扰,因此尖峰脉冲的频率是转子转数的3倍。因此,通过计算尖峰脉冲,不仅可以确定速度,还可以通过自动调整到预编程值来控制速度。使用SLG47004可实现所有这些功能以及更多功能,它是一种仅具有基本外部元器件的多功能可编程混合IC,请参见图 3中的原理图。

图3:有刷直流电机可编程调速器原理图。
设计
如前所述,此设计中仅使用一个芯片。SLG47004 IC将所有必需的模拟和数字宏单元组合在一个3×3mm的微型STQFN-24封装中。
要了解其工作原理,请参见图 4中的简化原理图。

图4:简化原理图。
模拟部分是一个简单的稳压器,输出端带有P沟道功率MOSFET。但它没有电压基准,而是有一个由该器件数字部分控制的数字电位器。
数字部分由ACMP组成,它用于检测来自电机电刷的小尖峰脉冲。电容器C2可阻止直流电压通过而让小尖峰脉冲通过。放大到VDD电平后,就会将它们送入设置为频率检测模式的计数器,进而对该尖峰脉冲频率与来自振荡器的参考频率进行比较。
当器件上电时,数字电位器的电阻值已预设,因此一些小电压将通过由运算放大器和P-FET构建的电流放大器(稳压器)到达电机。它将开始旋转并产生尖峰脉冲。随着每个检测到的尖峰脉冲,数字电位器电阻将增加1位,从而使电机电压缓慢增加。结果,电机速度将会上升,直到尖峰脉冲频率与参考频率匹配。当这种情况发生时,计数器将向电位器发出信号,在每次尖峰脉冲时将其电阻降低1位。电压就将随着电机速度下降。计数器将检测到该频率下降并向电位器发出信号以增加其电阻,然后循环继续。
换句话说,当尖峰脉冲频率低于参考频率时电机上的电压会升高,反之亦然。一旦电机速度稳定下来,电位器就将上下移动一步(1LSB),使速度稳定在±1LSB范围内。理想情况下,需要±1LSB来稳定电机速度,但由于惯性,可能需要高达±50LSB。电机负载越重,稳定速度所需的LSB就越多。