01
国家计委及相关部门在1999年、2002年及2007年,先后出台了建设项目服务收费管理的相关规定,主要包括以下几项:
《建设项目前期工作咨询收费暂行规定》(国家计委/计价格〔1999〕1283号)
《工程勘察设计收费管理规定》(国家计委、建设部/计价格[2002]10号)
《关于规范环境影响咨询收费有关问题的通知》(国家计委、环境保护部/计价格[2002]125号)
《招标代理服务收费管理暂行办法》(国家计委/计价格[2002]1980号)
《建设工程监理与相关服务收费管理规定》(国家发展改革委、建设部/发改价格[2007]670号)
以上规定,构成了政府指导价管理的框架,在一定时期内对规范建设项目服务收费行为起到了积极的作用。
02
2013年*党**的十八届三中全会召开以后,强调了要充分发挥市场在资源配置中的决定性作用。对原来执行的政府指导价管理政策进行改革。
2014年7月10日国家发展改革委发布了《国家发展改革委关于放开部分建设项目服务收费标准有关问题的通知》(发改价格[2014]1573号),做出如下规定:
放开除政府投资项目及政府委托服务以外的建设项目前期工作咨询、工程勘察设计、招标代理、工程监理等4项服务收费标准,实行市场调节价。采用直接投资和资本金注入的政府投资项目,以及政府委托的上述服务收费,继续实行政府指导价管理,执行规定的收费标准。实行市场调节价的专业服务收费,由委托双方依据服务成本、服务质量和市场供求状况等协商确定。
半年以后,2015年2月11日国家发展改革委发布了《国家发展改革委关于进一步放开建设项目专业服务价格的通知》(发改价格〔2015〕299号),规定:
自2015年3月1日起,在已放开非政府投资及非政府委托的建设项目专业服务价格的基础上,全面放开5项(建设项目前期工作咨询费、工程勘察设计费、招标代理费、工程监理费、环境影响咨询费)实行政府指导价管理的建设项目专业服务价格,实行市场调节价。5项服务价格实行市场调节价后,经营者应严格遵守《价格法》、《关于商品和服务实行明码标价的规定》等法律法规规定,告知委托人有关服务项目、服务内容、服务质量,以及服务价格等,并在相关服务合同中约定。
2016年1月1日国家发展改革委令31号,废止了30件规章和1032件规范性文件。1032件规范性文件包括上述5项关于规范建设项目服务收费管理的规定。
至此,建设项目专业服务价格全面放开。
03
2016年3月1日建设项目专业服务价格全面放开以后,上述已经被废止的5项关于规范建设项目服务收费管理的规定仍然在招投标文件和合同中作为参考文件使用。
行业协会在建设项目专业服务价格全面放开以后,就收费参考依据方面做了大量的工作。
中国勘察设计协会2016年12月26日,发布了《关于建筑设计服务成本要素信息统计分析情况的通报》(中设协字[2016]89号);2018年12月26日,发布了《关于园林和景观设计服务成本要素信息统计分析情况的通报》(中设协字[2018] 119号);2019年1月23日,发布了《关于市政工程设计服务成本要素信息统计分析情况的通报》(中设协字[2019]7号)。
这些文件能否替代已经废止的收费管理规定,成为市场行为中的收费参考,发挥相应的指导作用,还得拭目以待。
04
关于市政工程设计服务成本要素信息统计分析情况的通报
中设协字[2019]7号
各地方、各部门勘察设计同业协会,解放军工程建设协会,中国勘察设计协会各分支机构,各会员单位:
为充分发挥市场在资源配置中的决定性作用,维护市政工程设计市场公平有序的竞争环境,确保市政工程的设计质量,中国勘察设计协会委托市政工程设计分会组织开展了市政工程设计服务成本要素信息统计分析工作,重点对全国各地区市政工程设计单位 2013 年至 2017 年五个年度市政工程设计服务成本要素信息进行了调查、统计、测算和分析。
本次市政工程设计服务成本调查工作,对全国各地区不同类型的市政工程设计单位进行了抽样调查,主要收集了市政工程设计服务范围和内容、服务收入、服务项目人力资源要素配置、对应市政工程设计工程费的设计基本服务成本(含税金)等大量生产要素数据信息,采集的数据信息在市政工程设计行业具有一定的代表性。
市政工程设计分会组织相关单位对采集的大量数据信息进行了汇总、分析与归纳,并组织行业专家进行了多轮次的研讨和论证,形成了市政工程设计服务两类成本要素信息,一类是市政工程设计服务不同等级工程技术人员的人工成本信息,另一类是对应不同额度工程费的设计基本服务成本(含税金)的信息。现将市政工程设计服务两类成本要素信息予以通报,供市政工程设计市场各相关方参考。
由于市政工程设计市场不断发展变化,中国勘察设计协会将持续开展市政工程设计服务成本要素的调查、统计与分析工作,并不定期进行相关信息通报,以反映市政工程设计市场的成本现状,为维护市政工程设计市场秩序,反对不正当竞争,保证工程设计质量提供信息支持。
附件:
表1.市政工程设计服务人工日法综合成本信息表
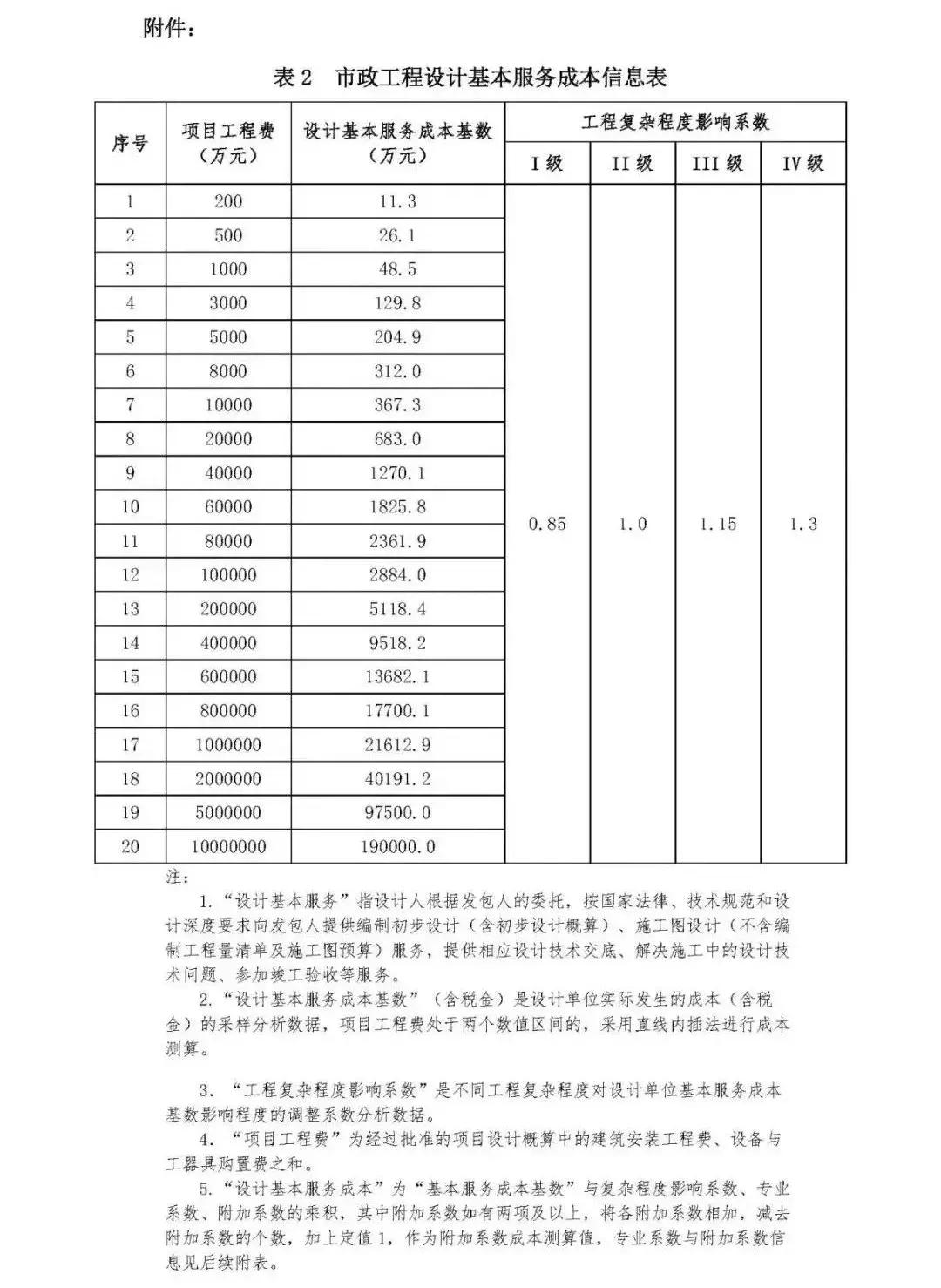
表2.市政工程设计基本服务成本信息表
表3.市政工程设计复杂程度影响系数及成本附加系数信息表
表4.市政工程设计其他服务成本附加系数信息表
表5.市政工程设计专业系数、各阶段工作量比例信息表
中国勘察设计协会
2019年1月23日
表1.市政工程设计服务人工日法综合成本信息表

表2.市政工程设计基本服务成本信息表

表3.市政工程设计复杂程度影响系数及成本附加系数信息表













表4.市政工程设计其他服务成本附加系数信息表

表5.市政工程设计专业系数、各阶段工作量比例信息表

部分内容来源于中国勘察设计协会。