
随着开关电源技术的不断发展和完善,小型轻量、高效率和低成本的开关电源得到了广泛的应用,以往开关电源的设计通常采用控制电路与功率管相分离的拓扑结构,但这种方案存在成本高、系统可靠性低等问题。美国功率集成公司(Power Integration Inc)开发的TinySwitch-Ⅲ系列新型智能高频开关电源集成芯片很好地解决了这些问题。
LED作为一种新型绿色光源,由于其具有耗电量低、寿命长、反应速度快、高效节能等优点,已被越来越广泛的应用。LED照明将成为继白炽灯、荧光灯、金属卤化物灯后的*四代第**新型照明技术。LED是一种新型的半导体器件,需要稳定的直流电源。但传统的驱动电源问题,造成LED照明光源寿命短的缺点,因此设计一种稳定可靠、转换效率高、寿命长的LED驱动电源对于LED照明至关重要。本文设计了基于TinySwitch-Ⅲ系列芯片的一种反激式低成本高效率驱动电源电路,介绍了设计原理和方法。该驱动电源能够输出恒定的电压和恒定的电流,有效地延长LED照明光源的寿命。
1 设计原理及芯片选择
1.1 基本原理
反激式隔离变换器最主要的特点是结构简单、成本低,因而在中小功率开关电源中是最为常用的变换器之一。其典型拓扑结构如图1所示。图1中,+Uin为整流后的输入电压;T为脉冲变压器,设计中还应有回路控制的偏置绕组;D1为输出回路的快恢复肖特基整流二极管;R1和C1为其阻容吸收电路;输出电路还包括由电感L0和两个电容C0组成的一个π型低通滤波电路;变压器初级有Rr、Cr和Dr组成的RCD漏感尖峰吸收电路;Q为控制脉冲变压器一次绕组导通和截止的反激式变换器所需的开关功率MOS管;Np为初级绕组匝数,Ns为次级绕组匝数;设计中变压器一次侧与二次侧的地信号采用安规电容隔离;“·”表示同名端。

图1 反激式变换器拓扑结构
在反激式变换器中,Q导通时以隔离变换器的磁芯储存能量,Q断开后将储存在T中能量释放至后级,经过整流二极管、滤波电路处理后,给负载RL提供所需要的优质电压和功率。
1.2 TNY275PN芯片介绍
TinySwitch-ⅢI器件以限流模:式工作。开启时,振荡器在每个周期开始时开通功率MOSFET。电流上升到限流值或达到DC MAX的极限时关断MOS-FET。由于TinySwitch-Ⅲ设计的最高限流值与频率是定值,它提供给负载的功率与变压器初级电感及峰值初级电流的平方成正比。因此,电源的设计包括计算实现最大输出功率所需的变压器初级电感。如果根据功率选择了正确的TinySwitch-Ⅲ,那么流过电感内的电流会在达到DC MAX极限前上升到限流值。
本设计采用TNY275PN电源芯片作为LED驱动电源的控制芯片。TNY275PN电源芯片在一个器件上集成了一个700 V高压MOSFET开关和一个电源控制器,与传统的PWM控制器不同,它使用简单的开/关控制方式来稳定输出电压。控制器包括一个振荡器、使能电路、限流状态调节器、5.8 V稳压器、旁路/多功能引脚(BP/M)欠压及过压电路、限流选择电路、过热保护、电流限流保护、前沿消隐电路。该芯片具有自动重启、自动调整开关周期导通时间及频率抖动等功能。
2 系统设计与实现
2.1 设计要求
AC输入电压范围U=195 V~265 V(通常在亚洲、欧洲和世界上大多数地区使用);
输出电压U。=20 V;输出电流I。=0.7 A;
输出功率P。=14 W;电路效率η≥80%。
2.2 电路实现
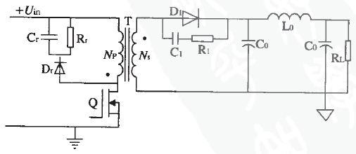
由于反激变换器电路简单且能高效提供直流输出,在中小功率、小体积的电源电路*特中**别常用,因此主电路采用RCD箝位电路的反激变换器拓扑结构,确定工作频率f=132 kHz。基于TinySwitch-Ⅲ的LED驱动电源电路图如图2。

图2基于TinySwitch-Ⅲ的LED驱动电源电路
3 TinySwitch-Ⅲ外围电路设计
为了更加透彻地分析此设计的结构与原理,把电路工作原理图分为以下五个部分加以分析:输入整流滤波电路、箝位保护电路、高频变压器、输出整流滤波电路和反馈电路。
3.1 输入整流滤波电路设计
输入整流滤波电路包括整流部分、交流滤波和直流滤波电路。为了抑制电网中的浪涌电流,输入端口串联了1 A保险管F保护电路和负温度系数热敏电阻RT1(NTC)。交流滤波采用π型滤波电路,电容C1、C2和共模扼流圈L1。共同作用滤除杂波去除电网中的干扰,共模扼流圈(电感)是由两股等同并且按同方向绕制在一个磁芯上的线圈组成。当负载电流流过共模扼流圈时,串联在火线上的线圈所产生的磁力线和串联在零线上线圈所产生的磁力线方向相反,它们在磁芯中相互抵消。因此即使在大负载电流的情况下,磁芯也不会饱和。而对于共模干扰电流,两个线圈产生的磁场是同方向的,会呈现较大电感,从而起到衰减共模干扰信号的作用。
3.2 RCD箝位保护电路设计
反激式变换器由于变压器漏感的存在及其它分布参数的影响,在开关管关断瞬间会产生很大的尖峰电压,这个尖峰电压严重威胁着开关管的正常工作,必须采取措施对其进行抑制。本设计采用结构简单、成本低廉的RCD箝位电路。根据选取箝位电容。
3.3 高频变压器设计
由于变压器在电路中兼有储能、限流和隔离作用,还要流过直流成分,因而是整个设计中的难点和关键。为了合理选择变压器的磁芯,确定初级、次级线圈的线径、匝数及气隙等参数,必须对磁场强度、传输功率、传输效率、初级和次级峰值电流等多项参数进行分析计算。计算方法多种多样,但计算结果相差不大。本设计采用了PIXls Designer 8软件,计算相当简单,仅需输入相关设计参数,软件就会输出所需的变压器设计参数:初级线圈电感量Lp=2917 μH;初级匝数:Np=90.7(实际设计中取91);初级绕组电流密度:4A/mm2;次级主绕组圈数NSM=14;磁芯选择:EE22,相关参数:骨架绕组宽度Bw=8.45 mm,磁芯截面积AE=42 mm2,带气隙磁芯等效电感量ALG=312 nH/T2,最大磁通密度BM=274 mT,磁芯损耗中的交流磁通密度BAC=80 mT;气隙长度LG=0.147 mm;初级漏感L_LKG=87.5 μH;次级走线电感LSEC=20 nH。
软件给出的参数都是经过一定优化得到的,故实际设计中优先选用这些推荐参数,实践证明这样做是合理且高效的。
3.4 输出整流滤波电路设计
输出整流滤波电路由整流二极管和滤波电容构成。整流二极管D7选用肖特基二极管可降低损耗并消除输出电压的纹波,根据公式UD7=U。+[UinMAX·(Ns/Np)]设计D7并选用额定电压为100 V的SBll00,与D7并联的RC缓冲吸收电路可以减少尖峰电压的幅度和减少电压波形的变化率,还降低了射频辐射的频谱成分,有益于降低射频辐射的能量;电容器C8一般应选择低ESR(等效串联阻抗)的电容。为提高输出电压的滤波效果,滤除开关器件所产生的噪声,在整流滤波环节的后面再加一级LC滤波环节。
3.5 反馈电路设计
反馈电路的形式由输出电压的精度决定,本电源采用“光耦+稳压管”形式反馈电路,光耦选LTV817A,VR2是额定电压为18 V容差为2%的稳压管。电源输出端电压由VR2、LTV817A和R4两端的电压决定。当输出电压变化时,电流流向光耦LED,从而下拉光耦中晶体管的电流。当电流超过TNY275PN使能引脚的阈值电流时,将抑制下一个周期,当下降的电压小于反馈阈值时,会使能一个开关周期,通过调节使能周期的数量,对输出电压进行调节。
当反馈电路出现故障时,即在开环故障时,偏置电压超过R7与旁路/多功能(BP/M)引脚电压之和时,电流流向BP/M引脚。当此电流超过ISD(关断电流)时TNY275PN的内部锁存关断电路将被激活,从而保护负载LED照明灯具。由于本设计使用了偏置绕组(可实现输出过压保护)将电流送人BP/M引脚,抑制了内部高电压电流源,这样的连接方式将265 VAC输入时的空载功耗降低到40 mw,有效地降低了功耗。
4 结语
本文设计了一种基于TinySwitch-Ⅲ的LED驱动电源电路,分析了其工作原理和设计方法。综合考虑了几个关键环节并阐述了各外围电路的功能特性,给出了合理设计相关电路参数的依据,特别是利用PIXls Designer8软件设计变压器参数,大大缩短了LED驱动电源的开发周期。经验证,该电源具有变换效率高(82%)、稳定性好、可靠性高等优点,可以为同类LED驱动电源设计提供一定的参考和借鉴。