苏泊尔普通电压力锅电路
苏泊尔普通电压力锅电路核心元器件是加热盘(发热盘)、限温器、定时器,辅助元器件有保温器、热熔断器、指示灯等,如图4-7所示。
1.加热、保压电路
旋转定时器旋钮设置需要的保压时间,使定时器的触点K接通,将D2短接,D2不能发光。锅内温度在未加热前较低,使压力开关P、保温器、限温器的触点接通,于是P和限温器的触点将定时电机和指示灯 D1 短接。此时,市电电压经热熔断器 FU 输入后,一路通过R3限流使加热指示灯D3发光,表明压力锅进入加热状态;另一路通过P、限温器、保温器的触点为加热盘H供电,H得电后开始发热,锅内温度、压力逐渐升高。当锅内温度达到80℃时,保温器的触点断开,通过K继续为H供电,压力进一步升高。当压力达到70kPa时,P的触点断开。此时,第一路不仅切断加热盘 H 的供电回路,使它停止加热,而且使指示灯D3熄灭,表明加热结束;第二路通过H和R2使指示灯D1发光,表明进入保压状态;第三路通过H为定时器电机M 供电,使它开始运转,进入保压计时状态。保压期间,若压力低于40kPa后,压力开关P的触点再次闭合,加热盘H得电又开始加热,当压力达到70kPa后,P的触点断开,H停止加热。这样,保压期间,H间断性加热,确保锅内的压力高于40kPa。

图4-7 苏泊尔普通电压力锅电路
2.保温电路
定时结束后,定时器开关K的触点断开,解除对保温器和D2的短路控制。此时,220V市电电压通过加热盘H、R2使D2发光,表明该压力锅进入保温状态。保温期间,当温度低于55℃时,保温器的触点闭合,H开始加热,使温度逐渐升高;当温度达到65℃时保温器的触点再次断开,H停止加热。这样,锅内温度在保温器的控制下保持在55~65℃。
3.过热保护电路
过热保护电路由限温器和热熔断器(超温熔断器)FU 构成。当压力开关、保温器或定时器的触点粘连,使加热盘H加热时间过长,导致加热温度升高并达到限温器的设置温度后,它内部的触点断开,切断H的供电回路,H停止加热,实现过热保护。
当限温器内的触点也粘连,不能实现过热保护功能后,使加热器H继续加热,导致加热温度进一步升高,当温度达到150℃左右时FU熔断,切断市电输入回路,H停止加热,以免H等器件过热损坏,实现过热保护。
爱得YBDXX-XXC系列电压力锅电路
爱得YBDXX-XXC系列压力锅电路核心元器件是加热盘(发热盘)、定时器、保温器、压力开关P,辅助元器件是限温器、热熔断器、指示灯等构成,如图4-8所示。
1.加热、保压电路
旋转定时器旋钮设置需要的保压档位,使它的开关触点接通,未加热前由于锅内温度较低,所以限温器和保温器的触点接通,此时市电电压通过热熔断器输入到锅内,不仅通过限温器和保温器的触点为加热盘供电,使它开始加热,而且通过R2限流使加热灯发光,表明压力锅工作在加热状态。同时,保温器的触点将定时器电动机短路,使其不工作。锅内温度随着加热板的不断加热而升高,当温度升到70℃时保温器的触点断开,此时市电通过压力开关P和限温器的触点继续为加热板供电,当温度升高使压力达到90~100kPa后,使内锅发生弹性膨胀,使锅底的弹性膜片向下移动,推动压力开关P动作,它的触点断开,解除对定时器电动机M的短接控制,M开始运转,此时市电不仅通过定时器开关的触点为加热盘供电使它继续加热,压力锅进入保压状态,而且通过 R1 使保压指示灯发光,表明工作在保压状态。当定时器倒计时结束后,它的触点断开,不仅使加热盘停止加热,而且使保压指示灯熄灭,表明保压结束。此时,市电电压通过M、R3、保温指示灯、加热盘和热熔断器构成的回路使保温指示灯发光,表明该压力锅进入保温状态。

图4-8 爱得YBDXX-XXC系列普通电压力锅电路
保温期间,当温度低于65℃时,保温器的触点闭合,加热盘开始加热,当温度达到75℃时保温器的触点释放,加热盘停止加热。这样,锅内温度在保温器的控制下保持在65~75℃。
2.过热保护电路
过热保护电路由限温器和热熔断器构成。当压力开关、保温器或定时器的触点粘连,使加热盘加热时间过长,导致加热温度升高并达到限温器的设置温度后,它内部的触点断开,切断加热盘的供电回路,H停止加热,实现过热保护。
当限温器内的触点粘连,不能实现过热保护功能后,使加热盘继续加热,导致加热温度进一步升高,当温度达到 150℃左右时热熔断器熔断,切断市电输入回路,以免加热盘等器件过热损坏,实现过热保护。
永兴DYB50-100型电压力锅电路
永兴DYB50-100型电压力锅电路的核心元器件是加热盘、温控器、定时器,辅助元器件有温度熔断器、指示灯,如图4-9所示。
1.加热、保压电路
旋转定时器PT旋钮设置需要的保压档位,使PT的触点接通,未加热前由于锅内温度较低,所以温控器ST1、ST2 的触点接通,此时接入电源后,市电电压通过温度熔断器FU输入到锅内,不仅通过ST1、ST2为加热器HE1供电,使它开始加热,而且通过R1限流使加热指示灯HL1发光,表明压力锅进入加热状态。同时,ST1的触点将PT的电动机M和加热器EH2短接,使它们不工作。随着EH1的不断加热,锅内温度升高,当温度升到80℃时ST2的触点断开,此时市电通过ST1、PT继续为EH1供电,当加热温度达到115℃时温控器ST1的触点断开,不仅使HL1熄灭,而且解除对PT的电动机和EH2的短接控制,电动机M运转,PT开始倒计时,此时市电通过PT的触点和EH2、EH1构成的回路使HE1、EH2加热,而且EH2两端产生的压降通过R2使指示灯HL2发光,表明压力锅进入保压状态。保压期间,由于EH2和EH1串联后阻值增大,所以加热温度降低。当PT倒计时结束后,PT的触点断开,HL2熄灭,EH2停止加热,保压结束。此时,市电电压通过指示灯EH2、R3、HL3、EH1、FU构成的回路使HL3发光,表明它进入保温状态。保温期间,当温度低于60℃时,温控器ST2的触点闭合,加热器EH2开始加热,当温度达到80℃时ST2的触点释放,EH2停止加热。这样,锅内温度在ST2的控制下保持在60~80℃。

图4-9 永兴DYB50-100型电压力锅电路
2.过热保护电路
一次性温度熔断器FU用于过热保护。当温控器ST1的触点粘连异常使加热器EH1加热时间过长,导致加热温度达到150℃左右时FU熔断,切断市电输入回路,加热器停止加热,实现过热保护。
苏泊尔DP-90型电压力锅电路
苏泊尔DP-90型电压力锅电路由电源电路、加热/保压电路、过热保护电路等构成。
1.电源电路
参见图4-10,220V市电电压经热熔断器TF输入后,不仅通过继电器K1为加热盘供电,而且经电源变压器BY1降压,从③、④脚输出10.5V左右的交流电压。该电压通过D1~D4桥式整流,EC1和C1滤波后输出+12V直流电压,一路为K1的驱动电路和蜂鸣器BUZ1供电;另一路经R1限流,EC2和C2滤波,通过三端稳压块IC1(LM7805)稳压输出+5V直流电压,由EC2、C2滤波后经连接器MY-6A的②脚为控制板电路供电。
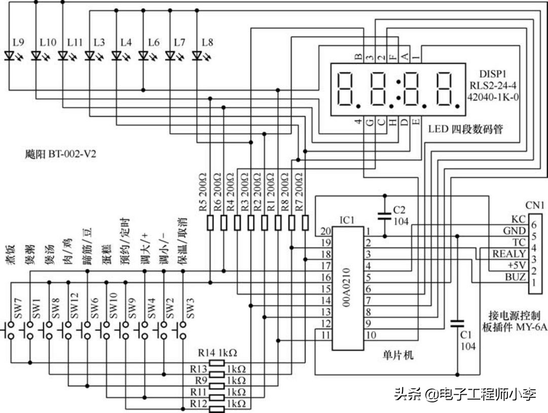
2.微处理器电路
微处理器电路由微处理器00A0210(IC1)、操作电路和显示电路等组成,如图4-11所示。
(1)基本工作条件电路
当电源电路工作后,由它输出的5V电压经C1滤波后,加到微处理器IC1的⑳脚为它供电。IC1 得到供电后,它内部的振荡器产生时钟信号,该信号经分频后协调各部位的工作,并作为IC1输出各种控制信号的基准脉冲源。同时,IC1内部的复位电路为存储器、寄存器等电路提供复位信号,使它们复位后开始工作。

图4-10 苏泊尔DP-90型电压力锅供电板电路

图4-11 苏泊尔DP-90型电压力锅控制板电路
(2)操作显示电路
该操作键电路采用键扫描方式。微处理器IC1的 11、13、14、16~19脚为键控信号输入端,不仅外接按键SW1~SW4、SW6~SW10、SW12和R9、R11~R14等组成按键电路,通过这些按键可以完成煮饭、煲粥、煲汤、肉/鸡、蹄筋/豆、蛋糕、预约/定时、调大/+、调小/–、保温/取消10种操作模式,而且还作为指示灯L3、L4、L6~L11和显示屏DISP1的驱动电压输出端,通过 R1~R8 限流后,低电平时驱动对应的发光二极管发光,并驱动数码管 DIS11显示工作温度等信息。另外,⑤、⑨脚分别为发光二极管 L9~L11、L3、L4、L6~L8 的正极公共端,高电平驱动时对应发光二极管发光;⑥~⑧、⑩脚为显示屏驱动电压输出端。
(3)蜂鸣器电路
进行操作或完成设置的功能后,微处理器IC1③脚输出的蜂鸣器驱动信号经CN1/MY-6A的①脚输入到供电板,利用R5加到Q1的b极,经其相放大后驱动蜂鸣器BUZ1发出提示声或报警声。
3.加热、保压电路
参见图4-10、图4-11,通过按键控制该机加热时,微处理器IC1第一路输出加热指示灯控制信号使其显示加热状态;第二路通过显示屏显示加热温度等信息;第三路通过②脚输出高电平加热信号。该信号经连接器CN1/MY-6A的③脚输入到供电板,利用R3限流使Q2导通,为继电器K1的线圈提供驱动电压,使它内部的触点闭合,接通加热盘的220V交流电压,加热盘得电后开始加热,使锅内的温度和压力逐渐升高。当温度升高使压力达到90~100kPa后,使内锅发生弹性膨胀,锅底的弹性膜片受压向下移动,推动压力开关KG动作,它的触点断开,此时5V电压经R4和连接器MY-6A/CN1的⑥脚输入到控制板,为IC1的④脚提供高电平电压,被IC1识别后执行保压程序,控制该锅进入保压状态。当保压程序结束后,进入保温状态。
4.保温电路
进入保温状态后,微处理器IC1第一路输出控制信号使加热指示灯熄灭,第二路输出控制信号点亮保温指示灯,表明该压力锅进入保温状态,第三路从②脚输出低电平控制信号,使Q2截止,继电器K1的触点释放,加热盘停止加热。保温期间,当锅内温度低于65℃时,温度传感器RT1的阻值增大,5V电压经R2、RT1取样,C1滤波后,为IC1 12 脚提供的电压增大,IC1 将该电压与内部存储器存储的该电压对应的温度值比较后,从②脚输出高电平信号,如上所述,加热盘开始加热,当温度达到75℃时RT1的阻值减小到设置值,为IC1的 12 脚提供的对应减小,被IC1识别后,判断锅内温度达到要求,控制②脚输出低电平信号,加热盘停止加热。这样,锅内温度在IC1、RT1的控制下保持在65~75℃。
5.过热保护电路
一次性热熔断器TF用于过热保护。当继电器K1的触点粘连、驱动管Q2的ce结击穿等原因,导致加热盘加热温度过高。当加热温度达到 TF 的标称值后它熔断,切断市电输入回路,加热盘停止加热,实现过热保护。