电缆故障定位仪
电缆故障定位仪是对电缆故障进行定位的测试的试验仪器,电缆故障定位仪能对电缆的高阻闪络故障,高低阻性的接地,短路和电缆的断线,接触不良等故障进行测试,电缆故障定位仪配备声测法定点仪,可以用来准确测定故障点的精确位置,适用于测试各种型号、不同等级电压的电力电缆及通信电缆,电缆故障定位仪的试验原理是通过发射脉冲和反射脉冲之间的距离,电缆故障定位仪实现定位的主要原理是跨步电压定点法,为了方便说明,推荐使用武汉鼎升电力自动化有限责任公司生产的DFDL-S地埋、地下、架空电缆故障测试仪,该产品符合电缆的测量原理,测试结果真实、可靠。
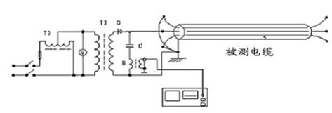
电缆故障定位仪跨步电压定点法
给被测电缆施加脉动或脉冲信号,如果电缆故障点处存在破损并接大地,在故障点附近就存在跨步电压现象,故障点前、后电压方向互反。
电缆故障定位仪测试原理
电力电缆故障测试仪由电力电缆故障测试仪主机、电缆故障定位仪、电缆路径仪三个主要部分组成。电缆故障测试仪主机用于测量电缆故障故障性质,全长及电缆故障点距测试端的大致位置。电缆故障定点仪是在电缆故障测试仪主机确定电缆故障点的大致位置的基础上来确定电缆故障点的精确位置。对于未知走向的埋地电缆,需使用路径仪来确定电缆的地下走向。电力电缆故障进行测试的基本方法是通过对故障电力电缆施加高压脉冲,在电缆故障点处产生击穿,电缆故障击穿点放电的同时对外产生电磁波并同时发出声音。
电缆故障定位仪原理图
