电容器的种类繁多,几乎所有的电子产品中都有电容器。在家电产品中,电容器隔直通交的特性,即隔断直流,允许交流电通过;该类元器件在家电产品中应用十分广泛, 它用字母"C”表示。下图所示为几种常见电容器的电路符号及实物外形。


一、电容器的功能
电容器在充电或放电过程中,电容器两极板上的电荷有积累过程,或者说极板上的电压有建立过程,因此电容器上的电压不能突变。利用这些特性,电容器可以实现耦合、滤 波等功能。
1、电容器的耦合功能
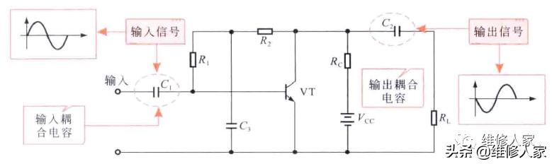
电容对交流信号阻抗较小,可视为通路,而对直流信号阻抗很大,可视为断路。在放大器中,电容常作为交流信号的输入和输出耦合电路器件。下图所示为采用电容器耦合的晶体放大器。交流信号经耦合电容 C1 加到晶体管的 基极, 经晶体管放大后,由集电极输出的信号经输出耦合电容C2加到负载电阻 RL 上。

值得注意的是,该电路中的电源电压Vcc经Rc为集电极提供直流偏压,再经R1、R2为基极提供偏压。直流偏压的功能是给晶体管提供工作条件和提供能量,使晶体管工作在线性放大状态。
此外,从该电路中可以看到,由于电容器具有隔直流的作用,因此,放大器的交流输出信号可以经耦合电容器C2送到负载RL上,而电源的直流电压不会加到负载RL上。也就是说从负载上得到的只是交流信号 。
2、电容器的滤波功能
下图所示为滤波电容器的滤波功能图,电容器(平滑滤波电容器)应用在直流电源电路中构成平滑滤波电路。可以看到,交流电压经整流后变成的直流电压很不稳定,波动很大。由于平滑滤波电容器的加入,电路中原本不稳定、波动比较大的直流电压变得比较稳定、平滑 •

二、电容器的基本特性
在电容器内两块金属板相对平行地放置,而不相接触就构成一个最简单的电容器。
1、电容器的充电原理
下图所示为直流电路中电容的充电原理。如果把电容器的两端分别接到电源的正、负极,那么接正极的金属板上的电子就会被电源的正 极吸引 过去;而接负极的金 属板, 就会从电源负极得到电子。 这种 现象就 叫作电 容器的 “充电”。 充电时 ,电 路中就 有电流流动。 两块金属板有 电荷后 就产生 电压, 当电容 所充的电压与电源的 电压相等时, 充电就 停止, 电路中 就不再 有电流流动, 相当于 开路,这就是电容器 能隔断直流电的道理。

2、电容器的放电原理
下图所示为直流电路中电容的放电原理。如果将接在电路中的电源拿开,而用导线把电容器的两个金属板接通(即视为将开关S断开),则在电源断开的一瞬间,电路中便有电流流通,电流的方向与原充电时的电流方向相反。随着电流的流动,两金属板之间的电压也逐渐降低,直到两金属板上的正、负电荷完全消失。这种现象叫作"放电"。

如果电容器的两块金属板接上交流电,因为交流电的大小和方向在不断地变化着,电容器两端也必然交替进行充电和放电,因此,电路中电流就不停地流动。这就是电容器能通过交流电的道理。
下图所示为信号通过电容器的状态示意图。电容对低频信号的阻抗高,对高频信号的阻抗低,信号频率越低阻抗越大,对直流信号的阻抗为无穷大,有隔直流的作用。当信号通过电容器时,信号的频率越低,衰减越大(如果是直流,则不能通过)。
