在很多个人计算机或小家电音响数字功放设计中,电源部分由市电经整流、滤波和稳压电路等处理后供给,电路复杂,而且体积大而重。本方案音响功放采用了SWITCH-MODE POWER SUPPLY,使得供电变的简单灵活更实用,且低成本,低功耗,体积小,效率高,设计灵活使用方便的数字功率放大技术。

1、方案设计
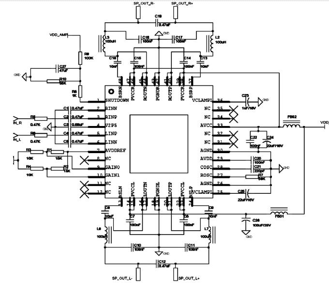
图1是功放电路原理图,功能模块上主要有:供电部分,信号输入部分、信号处理功率放大部分、输出部分最后由扬声器或喇叭输出的解决方案。为实现上述目的,本方案提出用9v或1 2 V直流稳压电源即通用的S W I T C H-MODE POWER SUPPLY供电。输入端是直接从数码信号源如PC音频输出端、CD唱机、DVD影碟机、DVD Audio以及LCD或DTV数码电视等输入的数码音频信号,而不是经过ADC模数转换或DAC数模转换处理的音乐模拟信号。所述功率放大电路主要由,供电电路、信号输入、功放IC处理以及信号输出组成。
输出部分由扬声器或喇叭组成。本方案所要达到的效果是:通过电路分析信号输入与数字音源的无缝结合、能有效降低信号间传递干扰,由于采用无负反馈的放大电路、低通滤波器等处理,可以将输出滤波器的截止频率设计得较高,从而保证在20Hz-20kHz内得到平坦的幅频特性和很好的相频特性,使得整个频段内无相对相移,声场定位准确。另外,由于它不需传统音响功放的静态电流消耗,所有能量几乎都是为音频输出而储备,加之无模拟放大、无负反馈的牵制,故具有更好的“动力”特征,即"动态特性"好。除此之外,如附图2所示:LC滤波器的差分实现,它们为滤波器提供相反极性的脉冲,其中滤波器包含两个电感器、两个电容器和扬声器。
2、具体实施方式及应用
如附图1所示:本方案的音响功放的信号流向如下所述:右声道信号(SP_IN_R)由R5,C2的RC串联电路送入功放IC的RINP脚,经IC处理一路由BSRP脚输出给由C13,L2,C17组成的LC低通滤波电路,最后输出给终端SP_OUT_R+;另一路由BSRN脚输出给由C16,L3,C18组成的LC低通滤波电路,最后输出给终端SP_OUT_R-;右声道地信号由RINN脚进入。左声道信号(SP_IN_L)由R6,C4的RC串联电路送入功放IC的LINP脚,经IC处理一路由BSLP脚输出给由C6,L6,C10组成的LC低通滤波电路,最后输出给终端SP_OUT_-;另一路由BSLN脚输出给由C9,L7,C11组成的LC低通滤波电路,最后输出给终端SP_OUT_L+;右声道地信号由RINN脚进入。图2是功放的低通滤波器电路图。

在输出级和扬声器之间插入一个低通滤波器以将电磁干扰(EMI)减至最小,并且避免以太多的高频能量驱动扬声器。为了保持开关输出级的功耗优点,要求该滤波器(见图1)是无损的(或接近于无损)。低通滤波器通常采用电容器和电感器,只有扬声器是耗能元件。
3、结语
本方案音响功放创新的采用了SWITCH-MODE POWER SUPPLY,使得供电变的简单灵活更实用。更为重要的是成功实现了用一块芯片就实现了将数字信号源与数字处理直接结合起来提供端到端数字音频系统。简化了电路设计,容易实现。
推荐阅读:
【干货】layout实际中的取与舍——晶振
分析MTK校准调试的原理