UPS电源作为网络机房、精密设备的坚实电力保护神,可不间断为负载提供几分钟到几十分钟不等后备电源使用,按设计电路工作频率可分为高频UPS电源和工频UPS电源。同时,作为国产UPS电源品牌厂家,易比克高级机电工程精心整理了一份易比克《工频UPS电源与高频UPS电源的区别》资料,供大家仔细阅读,深切了解UPS电源产品。
工频UPS电源与高频UPS电源区别
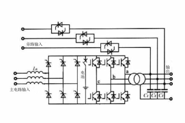
(1)工频UPS电源:由可控硅SCR整流器、IGBT逆变器、旁路和工频升压隔离变压器部件组成。主要特点是主功率部件稳定可靠、过负荷能力和抗冲击能力强。

图:工频UPS电源结构
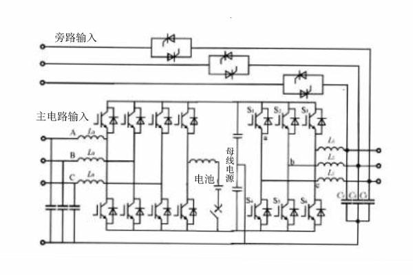
(2)高频UPS电源:由IGBT高频整流器、电池变换器、逆变器和旁路组成,IGBT可通过控制加在其门极的驱动来控制IGBT的开通与关断,IGBT整流器开关频率通常在几K到几十KHz,甚至高达上百KHz,高频UPS电源体积小,效率高。

图:高频UPS电源结构
(3)高频UPS电源输出没有变压器隔离,如有逆变功率器件发生短路,则直流母线(DC BUS)上的高直流电压直接加到负载上,具有安全隐患;工频机不存在此问题。
(4)高频机不带隔离变压器,其输出零线存在高频电流,主要来自市电电网的谐波干扰、UPS整流器和高频逆变器脉动电流、负载的谐波干扰等,其干扰电压不仅数值高而且难以消除。工频机的输出零地电压更低,而且不存在高频风量,对于计算机网络的通信安全来讲,更加重要。
(5)工频UPS电源抗负载冲击能力较强。
二、工频UPS电源与高频UPS电源性能表

三、易比克工频UPS电源与高频UPS电源
(1)易比克工频UPS电源
易比克工频在线式EK890系列三进三出UPS不间断电源工业级设计适用于各种恶劣条件及各种负载条件,采用高速DSP数字化控制技术、高精度SMD技术及内置输出隔离变压器,稳定可靠,且可至多并机4台运作。配置SNMP、USB、RS232接口,可平滑接入易比克UPS电源远程监控平台。
优点:市电输入范围宽、调整幅度大耐冲击、带隔离变压器、运行稳定性高、并机扩容方便、维护简单。
缺点:输入输出变压器尺寸大、体积相对较大、成本相对较高。

图:易比克工频在线式EK8900系列
(2)易比克高频UPS电源
易比克高频UPS电源分为高频在线式UPS电源、高频机架式UPS电源。
易比克高频在线式EK900系列依循国际标EN50091-3I6100-4系列标准设计,采用速DSP数字化控制技术、高精度SMD技术、内置维护旁路开关,且可选配置隔离变压器,稳定可靠,维护简单。最大可并机3台使用,充分为客户考虑到大功率负载设备供电问题。
易比克高频机架式EK900系列UPS电源采用机架构设计,配置USB、RS232接口,可平滑接入易比克UPS电源远程监控平台。另外,易比克UPS电源整机效率高达90.8%以上,输入功率因数高达0.99,同时为用户提供了ECO运行模式,具备显著的节能效果。与此同时,它还在物料、工艺等方面完全满足节能环保标准,能够为用户提供绿色、环保的能源支持。
优点:集成度较高、体积较小、重量较低、可以作到输入有源功率因数矫正,是将来绿色电源的发展趋势。
缺点:市电输入范围窄、对电网的谐波处理能力较差、不耐负载的峰值冲击、抗瞬间输出短路能力低、运行环境要求高、运行稳定性差、维护成本高。

图:易比克高频在线式EK900系列
易比克工频UPS电源与高频UPS电源在结构、性能不同外,其均广泛应用于中小型数据中心、企业机房、制造、交通、工业生产设备等领域。若对本文《工频UPS电源与高频UPS电源的区别》专题内容存在疑问,或对易比克UPS电源产品感兴趣,请与工作人员联系。
关于易比克
广东易比克能源技术有限公司是卓越的UPS电源厂家,为用户提供UPS不间断电源全系列设备、报价及维修。