故障现象
一辆2014年迈腾1.8TSI,停车后再次启动,出现了不着车现象,救援到现场后,又能正常启动,故障没有再现。于是让用户继续使用和跟踪,第二天用户再次致电服务站,抱怨发动机无法启动,于是把车辆救援回服务站做进一步检查。
故障诊断与排除
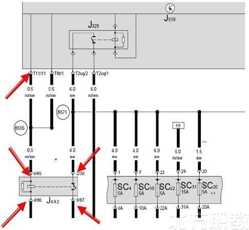
1.当故障再现时,启动发动机,启动机 不工作。首先检查蓄电池,电压正常,且蓄电池电极无松动、搭铁良好。直接短接启动机继电器J682的“30”和“87”端子,如图1所示,启动机能正常运转,说明启动机本身无故障,故障点可能在启动控制部分。

图1 短接试验

图2 存储故障码
2.使用VAS5052A查询故障存储器,发现车载电源控制单元系统J519存储有故障码:02389(变速器停用信号,挡位P/N不可靠信号),如图2所示。
3.根据车载电源控制系统的控制单元J519的故障码以及启动控制原理框图(图3)分析,导致启动机不能正常工作的原因主要有以下几个方面:
(1)选挡杆E313的实际位置不正常;
(2)直接换挡变速器控制单元J743实际收到的信号和对外输出的信号不可靠;
(3)点火开关E415的信号不可靠;
(4)转向柱电子装置控制单元J527接收点火开关的信号和对外输出的信号不可靠;
(5)J519接收和对外输出的信号是否可靠有效。

图3 启动控制原理框图
4.在故障再现时,直接短接启动机继电器J682的“30”和“87”端子,启动机能正常运转。在启动时测量启动机继电器J682的“85”端子与搭铁线之间的电压为0;检查J682的“85”端子与J519的T11/11之间的线路正常;检查J682的“86”端子接地良好,因此可排除启动机及启动机继电器之间的线路故障。
5.使用VAS5052A读取J519的数据组,P/N挡信号及启动信号,如图4所示。打开点火开关时,变速器处于“P”位置,正常情况下,启用P/N会显示“接通”,但故障车却显示“关闭”,此时J519所接收的启动信号不能满足启动条件,所以不会控制J682继电器动作。

图4 读取J519的数据组
6.读取J527数据组,如图5所示,可看出点火开关信号正常。当换挡杆位于“P”位置时,J527能识别“P”挡信号;当挂挡杆在“D”位置时,显示“挡位啮合”,因此可以确定挡位开关正常,且挡位信号已输入到J527。

图5 读取J527数据组
7.采用替代法更换J519,结果故障依旧,现在只剩下变速器控制单元J743未检查。仔细查阅电路图(图6),变速器控制单元J743的T20/17和J519的T16/7之间有一信号线。该信号线的含义是:直接换挡变速器机械电子单元、多功能开关(仅限于自动变速器)。对该线路进行仔细检查发现一根紫/黑线虚接,对其进行重新固定后,故障消失。
维修小结
此案例为典型的启动控制线路故障。由于J74 3 到J 5 1 9的启动信号线接触不良,而造成不能正常启动。另外,对于09G变速器的启动信号,在J519上也是此脚,但是对于变速器来说,它与J519之间的信号是通过F125多功能开关来传递的。重新处理变速器J74 3的T20 / 1 7插脚,故障被彻底排除。
( 1 )对于DSG变速器的启动控制电路,由于涉及的相关系统较多,需要综合分析,本案例通过简化的工作原理图帮助我们分析故障,把复杂问题简单化,从而有利于排查故障原因。
(2)对于J743到J519的启动信号线我们也可以通过测量该信号线的波形,以判断信号是否正常,如图6、图7所示。

图6 不在P/N挡时的正常波形

图7 在P/N挡时的正常波形