这个机器折磨10天左右,每天都要尝试一下,正准备放弃的情况下,修好了,我来分析一下这机器电路,是如何导致如此不稳定的故障的
【机器型号】戴尔DELL 7420
【主板版号】DA0R08MB6E
【故障现象】笔记本开机不显示
大部分不出CPU供电开启信号,偶尔出了也不能显示,又或者不出+1.05V_PCH。
【维修过程】
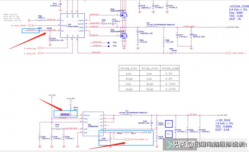
机器故障时触发掉电,有时1.2A,有时0.35A,不显示,拆机裸板测试故障一样,证明确实是主板问题,多次触发得出结论,大多数是0.35A,偶尔1.2A,测试各个电感,多次测试,大多数情况是除了CPU供电,其他都出来了,偶尔+1.05V_PCH(这里要特别注意一下,就是这个电压导致接下来的很多弯路)。而且上不上CPU,没有变化,不会掉电啦!

打开鑫智造查图纸,发现唯有CPU供电没有,这机器显卡供电比CPU供电早出来!

大多数不出CPU供电,现在就按照这个思路去修,图纸里面有时序,直接去查CPU供电的开启,果然没有开启信号,根据时序来看,当EC107脚收到HWPG信号,那么EC 16脚,就要发出IMVP_VR_ON,然而,实际测试,EC的107脚确实收到了,稳定的3.3V,那么EC的16脚,确没有发出IMVP_VR_ON ,那么正常思路有两种:刷BIOS、更换EC。

但是更换故障依旧,没有任何变化。重新打开图纸和论坛,再次慢慢分析,同时也翻翻论坛,确实给了一些启发,确实漏了一个信号,H_CPUDET#,CPU侦测信号,EC检测到CPU,才能发出开启信号。


在论坛里,查到差不多同样的故障,但是故障点是不同的。H_CPUDET#这里正常的,也没有断线。 在这个过程中发现了一个问题,就是偶尔有几个电感电压不出,测量时又出来,出来依然不出CPU供电,这几个电压就是PL4,1.05V电压不稳定造成!现在集中来修这个电压。



分析得知,供电开启正常,就是时出时不出。首先更换芯片,更换第一个芯片干脆电压彻底不出了,更换第二个的时候,突然就大短路了,而且待机3V这个上管也烧了!

那么故障就明显,把PU3,芯片和上下管,一起更换,3V那个上下管子也一起更换,终于完美修复了,安装系统,测试系统一切完美。


【维修总结】
1、真正的原因是1.05V电压不稳定,上下管子不良,EC检测不正常,不出CPU供电开启信号。
2、维修不稳定的机器,确实需要很长的时间的分析,才能找到最终的原因。
3、同样的故障确实有很多不同的故障点,拿来主义,不能生搬硬套。
本文由迅维会员(梓林1)原创提供!
私信回复:图纸,领鑫智造会员,免费抢先体验!