





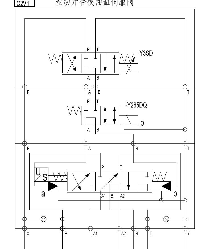
大型油压注塑成型机因为周期和节能要求需要液压油有再生回路,特别是传统的五点肘杆合模机构,利用合模油缸面积比实现差补进行油路再生,原理如下: D4带电,开合模阀的PB连通,液压油进入油缸无杆腔;Y6D带电,差动阀的A,T连通,有杆腔的液压油与无杆腔联通,由于两端作用面积不同,液压油推动活塞杆向有杆腔伸出,由于有杆腔的油与油泵的油一起供给了无杆腔从而使活塞杆的运行速度提高;直压机则多是利用预充阀将储存油箱里面的油液进入大油缸缸体进行补液,实现速度提升!这款差动锁模油路块不同处就是在一个标准的伺服阀P A B T孔的基础是增加了另外一个A孔,这样阀板上的开孔变成了P A1 B A2 T ,将四个标准孔液压阀变成五个孔的特殊液压阀,这样一个特殊伺服阀代替传统由两个阀组成的差动油路,基于这个特点,差动阀板上的密封件改为组合密封,除了在相关工作孔安装O型密封圈外,孔外围还有一个特殊的椭圆形密封圈!