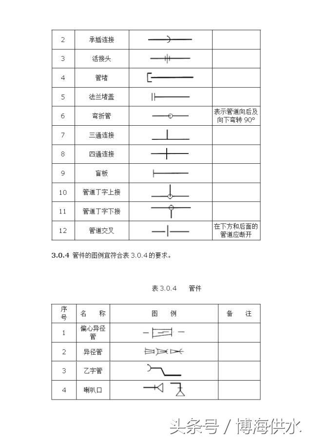
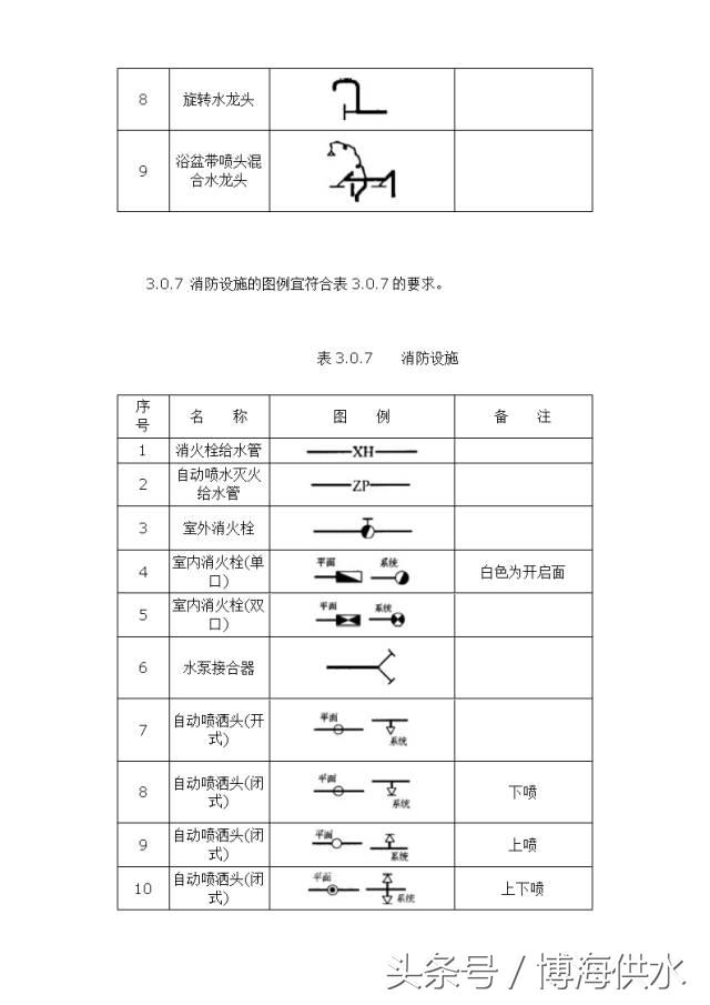
作为行业人员图纸上面的给排水图例你都认识了吗?认不全也没关系,看了这篇文章还来得及!

小编今天给大家准备了一份给排水图例大全,不管你是专业的还是非专业的门外汉看了涨知识准没错!
来,我们一起学喵叫。。。。。额,我们一起学干货,一起来进步!
















2
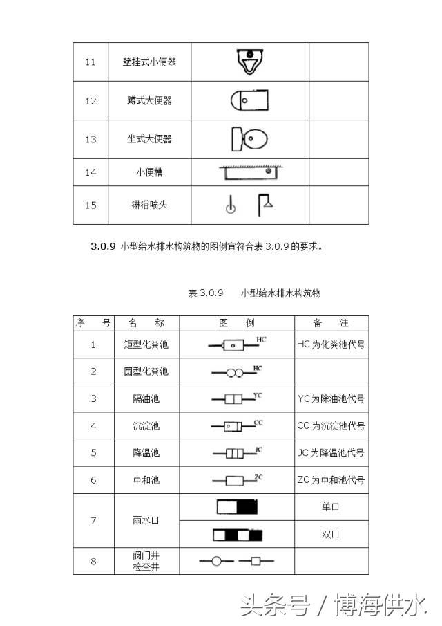
看完之后你记住几个了呢?学海无涯、学无止境、学而不厌,学习使我快乐!

涨了知识的朋友,点关注不迷路!不定时更新行业小知识,来和小编一起进步吧!
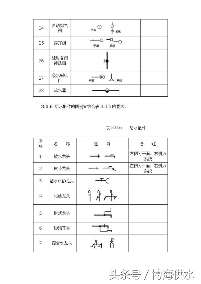
作为行业人员图纸上面的给排水图例你都认识了吗?认不全也没关系,看了这篇文章还来得及!

小编今天给大家准备了一份给排水图例大全,不管你是专业的还是非专业的门外汉看了涨知识准没错!
来,我们一起学喵叫。。。。。额,我们一起学干货,一起来进步!
















2
看完之后你记住几个了呢?学海无涯、学无止境、学而不厌,学习使我快乐!

涨了知识的朋友,点关注不迷路!不定时更新行业小知识,来和小编一起进步吧!