
控制器对中性气体和液体介质采用隔膜传感器,对腐蚀性介质具有一定规格。控制器的设定值可调,调节范围为0~ 1MPa。
性能

工作粘度 <1×10-3m2/s
开关元件 微动开关
外壳防护等级 IP54
环境温度 -5℃~40℃
介质温度 0~120℃
安装位置 压力接口垂直向下(允许倾斜15°)
抗振性能 Max 20m/s2
重复性误差 ≤1.5%
同步性误差 ≤0.5%(指下切换值的同步误差①)
触点容量 AC 220V 6A(阻性)600VA
规格

注: ①要求上切换值同步,应在订货中注明。
②在实际工作中,即使短暂的压力峰值也不能超过此值。
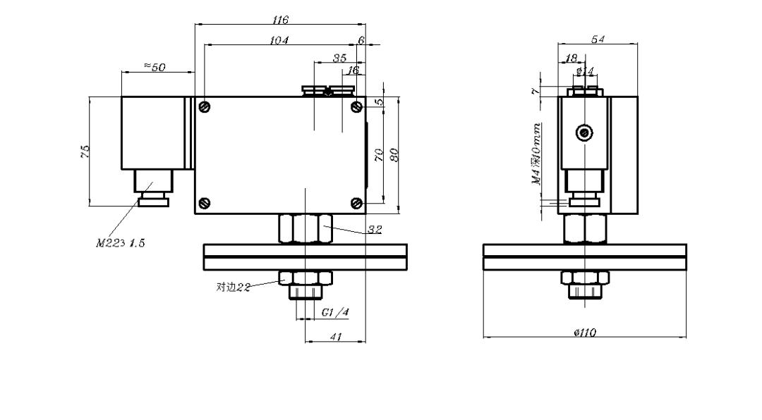
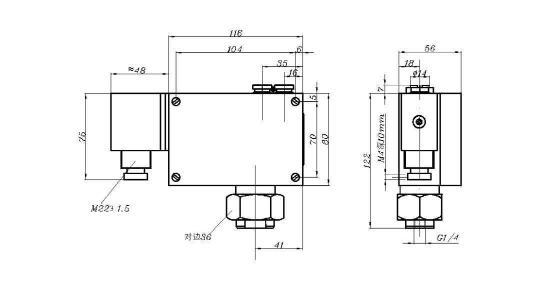
外形尺寸及安装尺寸




附件
可供选用附件目录编号:0574767,0574771,0574772,0574773。
订货目录编号为:0815108至0815308的低压控制器用订货目录编号为0574771的安装支架,其余用0574772。
电气接线图
单刀双掷微动开关作用过程:
接线端1-2,4-5压力上升至上切换值断开;
接线端1-3,46压力上升至上切换值接通。
