客户拿来一台苹果A1398 ,故障描述笔记本电脑不开机,按开关没反应,板号820-3332-A。

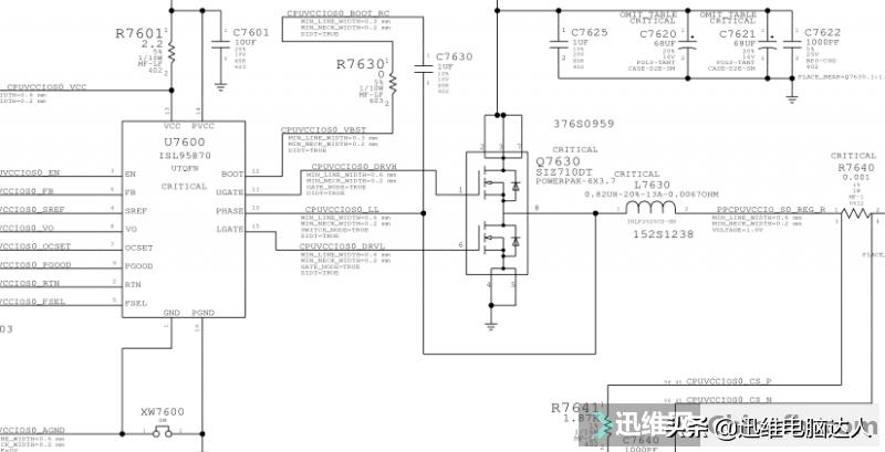
拆机,取出主板,没进水痕迹。接可调电源电流0.11,根据以往的经验判断应该电压没有出全。经测量,独立显卡的几个供电没有,CPU和集显供电没有,PPCPUVCCIO_S0电压没有。这些电压中PPCPUVCCIO_S0最先出来,PPCPUVCCIO_S0是由U7600产生。

测量U7600开启供电都正常。

换U7600芯片后,接电源电流1.2~1.3电流跳变,正常开机的节奏。本以为维修完成,组装测试开机“铛”的声音响了半下就掉电重启了,反复如此,拔掉屏线开机正常,换屏测试故障依旧。
测量屏接口背光供电脚PPVOUT_S0_LCDBKLT对地阻值短路,仔细观察主板发现一处有烧糊迹象。

挖掉烧糊的板层,坑还是不小。

再测背光阻值正常。通电试试,电流0.8-0.9-0.7电流比刚才小了很多,但跳变节奏正常。装机测试有声音没显示,测量发现独显供电没出来,挖坑前正常,肯定挖断线了。
测量独显供电芯片U8900,开启GPUVCORE_EN 0V,取下U9100芯片经过仔细排查发现U9100复位DPMUX_LRESET_L开机是0V。

看来源,DPMUX_LRESET_L是PLT_RESET_L经过R2687转换成的,R2687两端3.3V正常,那就是这里断线了。直接飞线吧!


飞好线,接电源电流1.2-1.3跳变正常,独显电压出来了,装机测试一切正常,维修到此结束。

苹果的板子烧坑了,还是很少看到的,而且挖坑,飞线,如此耐心的维修,坛友们也是赞叹不已!

有需要咨询维修的小伙伴们,点击关注我哟!
本案例由迅维学员(407930682)原创提供,未经允许不得转载!