这台主机于2002年购买,如今18年了。我家住在海边,不是大海,是进入内陆十几公里的小海湾,海水不算太咸,但空气中盐分含量仍比较高,室内室外的金属,尤其是铁,很容易被盐(氯离子)腐蚀生锈。由于这些年极少开机,潮湿的影响加上空气中的盐分腐蚀,就出现了不能开机,或开机后一段时间保护关机。甚至不能再开机,需要放置一段时间才能再开机。

打开机箱盖,能够看到电路板上灰尘不少,金属跳线锈蚀严重,元件腿和焊盘锈蚀,尤其CPU主控板上元件腿和焊盘锈蚀更严重。


如下图所见,元件腿和焊盘的锈蚀,对导电性能影响比较大,许多软性故障因此而生,因为电气参数发生了不可预知的改变,正常的功能也不会正常。

由于机器一会好一会坏,大部分时间根本不能开机,又没有可以查阅的电路图资料,网上也查不到能参考的维修经验和案例几乎,几乎束手无策了。
后来用Bing去搜国外英文网站,终于找到RX-750的维修手册,只能在线看不能*载下**,不方便。又费劲找到能*载下**的网址,终于*载下**到了。
又在国外网上找的一个可以参考的案例,仔细阅读了一下,并结合自己的问题进行对照。
在可以开机的时候,进入自诊断及设置菜单,查到RX-750的报错信息Power Supply故障,代码如下几种:
PS PRT :50E / PS PRT :57E / PS PRT :100E等。
对照手册给出的数据,PS超范围了。
极少数情况下出现直流电压超压报警,代码如下:
DC PRT :47E,DC也超范围了。
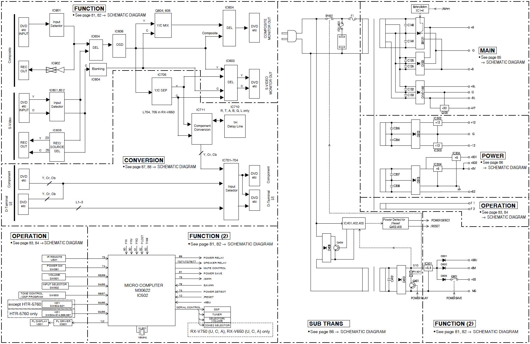
通过阅读维修手册,基本上弄清楚了RX-750的结构,各个PCB板的功能。
RX-750有至少三块电源板,功能如下:
1、SUB TRANS PCB
插上电源插头,在主继电器之前经过板上的小变压器直接供电,一方面用于此版上触发器状态维持,保持开机或关机状态,给主主继电器供电。另一方面整流后给CPU主控板(FUNCTION (2) PCB)供电,用于主控板功能的实现。
2、POWER (1) PCB
这是主电源板,SUB TRANS PCB上主继电器吸合后,经过变压器独立绕组为此板供电,提供直流+12、-12、+5、+5D电源。
3、MAIN (2) PCB
该板是功放板的子板,功放板是MAIN (1) PCB,SUB TRANS PCB上主继电器吸合后,经过变压器独立绕组为此板供电,提供直流+51.8、-51.8直流电,用来推动功放后级。
结合自己实际情况,维修过程如下:
1、首先对所有PCB之间的接线端子和线排进行处理
拆下接线端子检查,发现扁平排线插头氧化及锈蚀严重,于是用刀片刮去表皮锈蚀层,然后对插座进行清理。插回后试机,故障仍存在,但至少排除了插接件影响。
2、检查FUNCTION (2) PCB主控板焊点
发现部分焊盘颜色变深黑,元件线脚锈蚀严重,用刀刮磨后对焊盘补焊。之后试机,故障仍在。
3、处理SUB TRANS PCB电源板锈蚀
这块电源板垂直布置,位于机箱一边,检查不方便,好在容易拆下,不需要大动干戈。
拆下电源板,发现围绕电源IC402的多数元件接脚及焊盘腐蚀严重,于是用刀刮去锈迹,进行补焊。这种补焊不好掌握,比焊新元件难,锈蚀的接脚比较难清理干净,好在花费点时间和耐性都可以解决。
然后恢复电源板,通电试机,没想到开机成功了。
放CD试机,一个晚上没有问题,可是第二天再开机,又发生保护关机,检查故障代码依旧,因此只是排除了SUB TRANS PCB电源板焊盘虚焊的嫌疑,仍有其它故障致使开机就保护关机。
4、处理其它PCB板锈蚀
存在嫌疑的PCB板有POWER (1) PCB主电源板、FUNCTION (1) PCB和FUNCTION (2) PCB功放板、FUNCTION (2) PCB主控板及桥接的各种解码板和功能板等,于是将所有PCB板拆了出来,发现主电源板锈蚀严重,功放板好一些,主控板桥接的解码板和功能板几乎没有问题。
主电源板和主控板,每块板的除锈和焊盘恢复都几乎需要一个整天的时间,元件腿要一个一个地去刮,很难刮干净,焊起来很费力,好在功夫不负有心人,花了几天时间终于将这几块板处理好了,为随后的维修打下了基础,可以根据图上提供的参数进行测量和验证了。
处理之后进行试机,故障仍然依旧,但至少有基础了。
5、认真读图
首先找出与电源有关的CPU信号如下,然后在电路图上寻找这些信号从哪里产生。

第一个PSW,源于开机/关机按钮,至CPU,检查元件和线路没有问题。
第二个PRY,自CPU输出,去SUB TRANS PCB电源板,驱动电源主继电器,测量各点电压值,与标注的电压值有较大的偏离,存在不确定的问题。
第三个PRV,源于主电源板交流输入和直流+12、-12、+5、+5D、+51.8、-51.8等电源的取样,跨越多块板,检查元件和线路没有问题。
其它信号与报错代码关系不大,暂时不用去管。
6、维修重点移到FUNCTION (2) PCB主控板
这个时候维修走入了死胡同,走不动了,于是再次静下心来,对照图纸认真检查FUNCTION (2) PCB主控板。
之前也对CPU各个接脚的电压进行了一些测量,由于当初没有弄清楚CPU供电,因此下功夫对CPU供电进行了排查。
一边测量一边验证,结合电路图,CPU供电源自SUB TRANS PCB电源板变压器次级整流输出。
然后回头再对SUB TRANS PCB电源板相关电路进行测量,发现开机保护后整流二极管桥堆D410应该输出9.9V,实测为3.2V,相差较大。供给CPU的VCC实际电压为2.8V左右,距离要求的电源电压5V相差较大,主控板及CPU不能运行。

仔细检查元件情况,整流二极管桥堆D410正常。断开MAIN (2) PCB功放板与FUNCTION (2) PCB主控板之间的连接排线,整流二极管桥堆D410输出正常,于是怀疑FUNCTION (2) PCB主控板有问题。
排查FUNCTION (2) PCB主控板,发现CPU供电是将SUB TRANS PCB电源板桥堆D410的输出,用CMOS三端电源模块和二极管降为5.7V而来。开始怀疑相关电解电容漏电导致,拆下关联电容检查,这些电容完好,于是确定CMOS三端电源模块有问题。
在淘宝找到这种三端模块下单,等了两天才到货,更换后CPU供电恢复正常。

然后开机测试,能够运行一段时间,但还是有不确定时间的保护关机。
解决了CPU供电而后,对CPU各个接脚逐一进行了测量,并未发现大的问题,但保护关机还存在。
与Power Supply关联信号测试结果如下。

再次对CPU进行测量,对比两种状态的数据,一个是开机无保护正常情况,另一个是保护关机后的情况,发现晶振好像有异常,情况如下。

于是尝试更换晶振,但晶振在图上标注16Mhz,而在元件列表上却是17.7344 MHz,不知道哪个是对的。上淘宝问遍了商家,都没有17.7344 MHz陶瓷封装晶振,只有16Mhz的陶瓷封装晶振,于是决定用16Mhz的晶振试一试,下单订货。
又等了两天时间,晶振到货,更换后试机,开机无报错,能够运行一段时间,还是有不确定时间的保护关机,过段时间又能开机,有时又有PS报错。
后来发现那个CMOS三端电源模块很脆弱,在一次测量CPU电压的时候,这个模块又坏了,好在多买了几个,更换了上去。
7、阶段性总结
PCB板和元件腿的锈蚀,使机器处于不确定的状态下,主控CPU也没法正常运行,PS报错可能就是随机性问题导致的。
CPU供电不正常,CPU时钟不正常,均会使主控板失控,PS报错的结果也不好确定,或正常报错,或因供电不正常导致的随机错误引发。
仍或许这些故障及报错就是CPU老化引起的,因老化CPU处于临界状态,一个小的电源波动可能就会导致CPU宕机。
8、PS报错的根本原因是什么
Power Supply故障,代码如下几种:
PS PRT :50E / PS PRT :57E / PS PRT :100E等,随机不确定。
由于主机购买18年,近几年很少用,PCB板被含盐的空气腐蚀严重,而且元件经过18年时间状态不好确定。虽然长时间没用,但一直插在交流市电电源上通着电,或许某些元件,尤其是半导体二极管、三极管、电解电容等,是否因长期通电存在性能劣化不得而知。
再次将重点放在FUNCTION (2) PCB主控板供电上,因为供电不正常任何问题都可能发生,不解决供电问题维修走不下去。
在能正常开机的情况下(主继电器吸合),测量SUB TRANS PCB电源板变压器次级之后各点电压,对比未开机(主继电器未吸合)状态。发现未开机时,各点电压与图纸标准基本一致,开机后经过一段时间各点电压下降,整流输出由9.9V下降为5.5V,主控CPU能勉强运行,随时会因为电压不足而宕机,维修手册上未说明开机之后整流输出降低是正常的还是不正常的。
用手触摸变压器,发现整流输出电压降低后变压器发热严重很烫,判断电压降低为不正常状态。
9、解决SUB TRANS PCB电源板输出电压降低问题
通过查电路图,发现整流输出在SUB TRANS PCB板上主要用于驱动主继电器,然后通过插接件输出到FUNCTION (2) PCB主控板,在主控板上由分为三路,第一路回到SUB TRANS PCB电源板为PDET、/RES信号部分供电,第二路给FUNCTION (2) PCB主控板供电,第三路给OPERATION(1) PCB显示模块控制和驱动供电。
整流输出电压降低原因,初步分析为过载导致的压降,怀疑SUB TRANS PCB电源板、FUNCTION (2) PCB主控板、OPERATION(1) PCB显示驱动板上有元件热稳定性不良,主要是二极管、三极管、电解电容等元件。
元件热稳定性不良属于软故障,无法测量和确定位置,于是决定更换这三块板全部二极管、三极管、电解电容。
淘宝上订购这些元件花费了不少时间,毕竟每种元件量太少,不好下单,大概一周多时间才订购完,等到货几乎花了10天时间。
为了使更换元件过程不会引入新的故障,采用逐块更换的办法,更换完一块就开机测试一次。
首先更换OPERATION(1) PCB显示驱动板上元件,板上大多数是贴片元件,更换后开机测试,故障仍在,但一次能运行的是时间比更换元件前要长,说明有效。
第二个更换SUB TRANS PCB电源板上元件,先更换变压器次级部分元件,更换完后故障依旧。出现了新的情况,开机后整流输出电压从9.9V直接降低为5.5V,没有了延迟时间,虽然机器能稳定运行较长的时间,但仍会保护关机。
没有急着更换FUNCTION (2) PCB主控板上元件,先用可调压的恒压模块替代主控板上CMOS三端电源模块(IC501),接长引线,测量由SUB TRANS PCB电源板来的9.9V接入电流,情况如下:
(1)接通交流电源(待机状态)时瞬间电流44mA,几秒钟后跳变为22mA。
(2)按下开机按钮(STANDBY/ON),电流变为55mA,*放播**音时电流也基本上稳定在这个数值上。
查询CMOS三端模块(IC501)Data Sheet工作电流指标,发现以上测量值均在额定范围内,由此断定9.9V供电的三个部分(SUB TRANS PCB、FUNCTION (2) PCB、OPERATION(1) PCB)应该不存在之前怀疑的元件热稳定性不良问题了,这时只有FUNCTION (2) PCB主控板未更换过元件。
故障原因的焦点又回到了SUB TRANS PCB上未更换过元件的变压器初级部分电路上。
这部分电路通过两个光耦与变压器次级部分电路,以及PDET信号控制部分,进行隔离,交流电经过简单的稳压和整流进行供电。具体由一个双D触发器维持场效应管(开关管)的导通,使变压器初级经过一个全桥整流电路导通,从而在变压器次级输出电压。
D触发器在市电电源接通瞬间是反转的,经过一定的时间才反转回来,用来保护电路不会受到接通电源瞬间电流的冲击。
维修手册上未注明变压器键的参考电压(只有J、G型号,此机为T型号),实际测量值如下:
(1)待机时,初级128VAC,次级6.8VAC。
(2)开机后,初级150VAC,次级5.9VAC。
这个结果比较奇怪,初级与次级电压不成比例,应该是整流全桥的作用了,此时次级已经能够确定没有过载问题了。
其实在最初检查时,也测量过这部分的电压,尽管D触发器和场效应开关管的电压与手册标注不一致,但也没有怀疑此部分有问题。
再下决心更换此部分电路上的所有二极管、整流全桥、场效应管,更换完成后故障完全消失了。
对于FUNCTION (2) PCB主控板上未更换的元件,不打算换了,但这块PCB板补焊盘后一直没做清洁,还是下狠心拆下来用洗板水仔细清洗了一番,很脏呢!老尘+松香+刮下的金属渣,看来清洁十分必要。

10、最后总结
(1)30多年未动手实际维修操作
手生,工具也不凑手,比如有两块万用表,一块很便宜的MASTECH MY980,一块FLUK87。不知道为什么MASTECH MY980的电流档不能用,FLUK87十几年未用再拿出来时液晶显示不行了,缺笔画,拆开发现液晶屏外引导电电极已经腐蚀断掉了,又网购一块新屏换上,这时才具备测电流的条件。所以在此之前没有去测量CPU主控板工作电流,是修好了FLUK87才测的,也耽误了正常维修。
(2)YAMAHA RX-V750构成比较复杂
这是一台比较复杂的设备,是一台家庭数字影院,集解码+音频效果选择+模拟功放+电源为一体,故障不是经常出现的烧功放管损坏功放电源等简单问题,而是开机保护这类软性故障,且牵扯面比较广,没有维修手册几乎无法下手,有了维修手册也要需要时间去熟悉。
其实RX-V750的电源不止三个部分,仔细读图会发现除了电源板上,其它板上还有7805、7905之类的三端模块。而且SUB TRANS PCB电源部分比较复杂,不是通常的电源,与CPU主控板的关系也复杂。
认真读图是没有错的,对复杂的软性故障尤其重要。


(3)老旧的机器
机器老旧,加上运行环境海盐腐蚀严重,故障的不确定性因素很多,好在先处理接插件连接不良,再对元件插脚除锈及补焊,使腐蚀造成的不确定性降到最低,而后再依据手册进行维修。
(4)CPU主控板电源稳定性是功能正常的基础
这台设备的功能是通过CPU主控板实现的,CPU带有ROM存储器和RAM存储器,有固件。如果CPU损坏了,这台设备也就废了,几乎无法维修了,除非找到主控板更换。
显示驱动板也由专用微处理器控制的,微处理器坏了同样没法维修,只能换板。
换板配件只有去旧货市场找了,新件估计根本找不到。
(5)常用元件很便宜
维修更换的元件的确很便宜,一块板的元件才几十块钱,总数一两百块钱而已,对于老旧机器的维修不用费力检查每个元件的好坏,怀疑哪个元件热稳定性不好就换掉,缩小软性故障的范围,便于维修。