
LM386是一种音频集成功放,具有 自身功耗低 、更新内链增益可调整、电源电压范围大、外接元件少和总谐波失真小等优点的功率放大器,广泛应用于录音机和收音机之中。

主要参数

引脚
电压增益 内置为20。但在 1脚和8脚之间增加一只外接电阻和电容 ,便可将电压增益调为任意值,直至 200。

第7脚(BYPASS) 的旁路电容不可少!实际应用时,BYPASS端必须外接一个电解电容到地,起滤除噪声的作用。工作稳定后,该管脚电压值约等于电源电压的一半。增大这个电容的容值,减缓直流基准电压的上升、下降速度,有效抑制噪声。在器件上电、掉电时的噪声就是由该偏置电压的瞬间跳变所致,这个电容可千万别省啊!




音频功率放大电路


第7脚(BYPASS) 的旁路电容不可少!实际应用时,BYPASS端必须外接一个电解电容到地,起滤除噪声的作用。工作稳定后,该管脚电压值约等于电源电压的一半。增大这个电容的容值,减缓直流基准电压的上升、下降速度,有效抑制噪声。在器件上电、掉电时的噪声就是由该偏置电压的瞬间跳变所致,这个电容可千万别省啊!
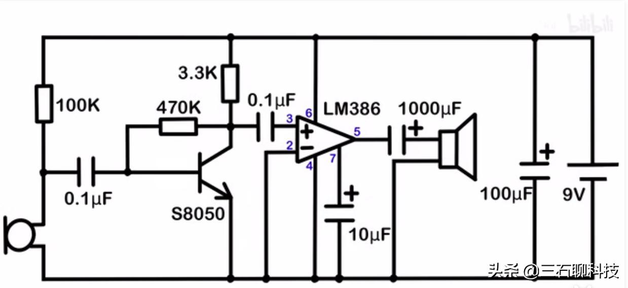
示例:喊话器电路图

