安科瑞 华楠
摘要: 本文对数据核心机房建设过程中几种典型的供电系统方案进行分析和对比,并对系统方案中的错误配置和在实践中已发生过的问题进行一些探讨,为选择较为安全、可靠并便于今后扩容、维护的机房供电系统提供一些思路和参考。
关键词: 用户变电站 UPS 供电系统 单母线 双母线 双总线
1 前 言 数据核心机房基础建设项目是东方有线网络有限公司建设的重要项目,在 2006~2008 年间先后建设了3个数据核心机房。 在机房建设过程中,机房供电系统建设部分是机房基础建设的重中之重,它关系到整个数据核心机房在线设备今后供电的安全,机房一旦投入运营, 要求设备每年 365×24h 24小时可靠运行,不允许中断、停电。 因此,数据核心机房供电系统方案的选择至关重要,在建设之初应该慎重选择。 下面就数据核心机房建设过程中几种典型的供电系统方案进行分析和比较,并对系统方案中的错误配置和在实践中已发生过的问题进行一些探讨,为选择较为安全、可靠并便于今后扩容、维护的机房供电系统提供一些思路和参考。
2 数据核心机房供电系统的组成 数据核心机房主要为数据业务定义的城域骨干核心机房,用于核心数据交换。 面积一般在 300~1000平方米左右,有源网络机柜在100个以上,机房外市电总容量在400kW以上,设有独立的用户变电站。 因此,数据核心机房供电系统建设包括用户变电站变配电系统、 UPS 供配电系统、 直流供配电系统及非主要负载、空调、照明等供电系统的建设。 由于广电机房应用直流电源设备不多,主要为 DWDM 、 SDH 等传输设备,用电量不大,一般采用在 UPS 供电系统的有源机架上增加48V整流电源模块方式解决。 因此,本文对机房直流供电部分不做过多的论述。 数据核心机房供电系统配置图如图 1所示。

图 1 数据核心机房供电系统配置图
3 用户变电站变配电系统建设方案 3.1 用户变电站建设方案界面划分 用户变电站建设一般以用户变电站高压柜输入开关的上装头(接线端子)为界面划分,输入开关上装头至上联电力公司电网变电站段属于电力公司负责建设部分,产权归电力公司,投资由用户负担;由高压柜输入开关至用户低压用电开关上装头段属于用户变电站自建部分,产权归用户,由用户投资、维护。 本文讨论的用户变电站建设方案为用户自建部分的建设方案3.2 用户变电站建设方案 根据上海市电力公司供电营业细则,高压10Vk供电时要求用户受电变压器总容量在 250kVA 及以上至 6300kVA 。 因此,一般数据核心机房用户变电站高压供电为 10kV 站, 特大型的数据中心机房( IDC )也有引入 35kV 站的。 本文以高压 10kV , 低压 400V用户变电站建设方案来讨论。 另外,根据现行国家标准《供配电系统设计规范》及《电子计算机场地通用规范》规范要求,数据核心机房供电方式为一类供电,需要至少引入 2 路异站电网市电,重要负载应配置不间断电源供电系统、柴油发电机组等后备电源。 在用户变电站建设中常用的典型建设方案有两个,一是单母线供电方案,如图 2 所示;一是双母线供电方案,如图3 所示。

图 2 单母线供电方案示意

图 3 双母线供电方案示意图
单母线供电方案采用2台变压器,高压引入2路异站市电,变压后通过 K2和 K2’互锁开关,互为备用输出到一段低压母线上。 平时一台变压器运行,当常用变压器市电停电、维护或故障时切换到另一台备用变压器上继续供电。 本方案优点: (1)供电系统结构简单; (2)设备少,易操作,结构简单; (3)采用一段母线节省一次性设备投资。缺点: (1)备用变压器启用需要通知电力公司,切换时间不能自主; (2)一段母线不能停电,无法维护; (3)申请容量为2台变压器容量,只能用一台,利用率50% 。 (4)UPS、空调及其它设备共用一段母线,使得谐波增加,污染UPS输入电源质量。双母线供电方案采用2台变压器,高压引入2路异站市电,平时2台变压器均在线运行,变压后分别输出至低压一段母线和低压二段母线。 本方案优点: (1)机房 UPS 、空调用电安全性、可靠性高低压一段母线定义为UPS常用电源, 空调的备用电源;低压二段母线定义为UPS备用电源,空调及其它非重要负载常用电源。 当低压一段UPS常用电停电、维护或故障时,切换到低压二段备用电源上。 同理空调也可在低压一段、二段母线上切换,增加数据核心机房 UPS 及空调用电的安全性、可靠性。 (2)变压器设备利用率高由于平时 UPS 和空调用电分别由低压一段和二段母线供电,使得 2台变压器都在使用,不会造成一台变压器负载过重,另一台变压器轻载的情况。 (3)提高机房 UPS输入电源的质量UPS和空调等非线性负载分别由低压一段和二段母线供电,减轻了由空调等非线性负载产生的谐波对UPS的干扰。 (4)可维护性高由于双母线供电,每段母线上的变压器及配电柜等设备可以通过联络开关倒换,轮流维护、维修及扩容等,因此,本方案可靠性较高。缺点: (1)一次性设备投资较高; (2)系统结构较单母线复杂。3.3 方案选择 通过以上对比,用户变电站供电方案推荐采用双母线供电方式建设,若变电站容量不大,也可考虑单母线方案。
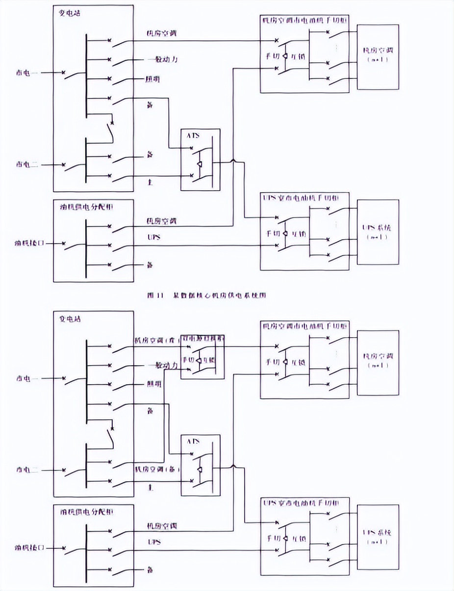
4 非主要负载、空调、照明等供电系统 对于非主要负载、空调、照明等供电系统,首先要明确非主要负载中哪些负载是可停电的,哪些是可短暂停电的。 然后根据负载类型不同确定相应的系统。 在实践中存在对非主要负载、空调、照明等供电系统重视不够,认识不清,造成系统可靠性减低,存在风险。 如图11所示。该系统图中,就忽略了非主要负载的类型,机房空调应属于可短暂停电的较重要的非主要负载;照明等其它负载属于可停电负载。 根据运维经验,对于机房空调停电时间一般要求不能超过15分钟。 在 0~15分钟内,机房的温度还可承受;在 15~30分钟,温度上升很快,会造成机房设备高温报警;超过30分钟以上, 有些机房设备会因温度过高宕机。 因此,机房空调为较重要的非主要负载设备,用电要得到保证。 以上方案存在的主要问题就是可用性低, 因空调系统配电一般安装在机房的配电间,需要从用户变电站引电。 当市电1断电时,只能通过用户变电站的联络开关进行市电切换,一般用户变电站和机房由不同的单位(或人员)维护,那么切换时间就得不到保证。 因此,可用性降低。 要解决此问题,可在空调市电油机切换柜前再增加1个双电源切换柜, 从用户变电站引接2路市电。新增的双电源切换柜一定要设在机房配电间,这样当市电1断电时,可以在机房配电间内进行切换,无需用户变电站的母线联络开关切换了,可靠性、可用性明显增加。 如图4所示。

图4改进后的某数据核心机房供电系统图
另外,注意关键负载和非关键负载常用电要分设在不同变压器上供电,这样可以避免非关键负载造成的谐波对关键负载的影响。 同时,也可提高变压器的利用率,增加系统的可靠性。
5 安科瑞列头柜及监测产品介绍 随着数据中心的迅猛发展,数据中心能耗问题也越来越突出,可靠的数据中心配电系统方案,是提高数据中心电能使用效率,降低设备能耗的有效方式。 AMC系列数据中心精密配电系统是针对数据机房末端设计的,能够综合采集所有能源数据的智能系统,为交直流电源配电柜提供准确的电参量信息,并可通过通讯将数据上传到动环监控系统,实现对整个数据机房的实时监控和有效管理,为实现绿色IDC提供可靠保证。 5.1精密配电管理解决方案5.1.1交流系统 1)功能要求: 遥测:输入分路的三相电压、三相电流、有功功率、有功电度;输出分路的单相电压、单相电流、有功功率、有功电度; 遥信:输入分路的过压/欠压,缺相,过流,输入分路和输出分路的开关状态,具备电流、功率需用量分析和统计,实现电压、电流、功率等参数的越限报警功能。 2)配置方案-示意图

配置方案多功能仪表 PZ72L-E4电流互感器 AKH-0.66-30I-XXA/5A
5.1.2直流系统 1) 功能要求 遥测:输入分路的电压、电流、功率、电度; 遥信:输入分路的过压/欠压,输入分路的熔丝状态,具备电流、功率需用量分析和统计,实现电压、电流、功率等参数的越限功能。 2)配置方案-示意图

配置方案多功能仪表 PZ72L-DE霍尔传感器 AHKC-F- XXA/5V开关电源 SBD-30 (48V)
5.2产品规格




说明:■为标配功能。
5.3配套附件


6 安科瑞母线槽监测产品介绍 6.1 概述 数据中心小母线系统是数据中心末端母线供配电系统的俗称。近年来,随着数据中心建设的快速发展和更高需求,智能小母线系统逐渐被应用于机房的末端配电中,具有电流小、插接方便、智能化程度高等特点,即插式插接箱给各个机柜内的PDU分配电。始端箱和插接箱内可设置监测模块,将数据上传至动环监控中心。6.2 AMB智能小母线管理系统 1)交流系统功能: 遥测:三相电压、电流、有功功率、无功功率、视在功率、功率因数、有功电能、无功电能、电缆温度,系统频率、零序电流、零地电压、漏电流、机柜温度、机柜湿度、开关状态、电压/电流谐波含量、电流/功率; 遥信:过电流2段阀值越限、过/欠压、过功率告警、缺相、过频率、欠频率越限、零地电压、零线电流、温/湿度告警,开关状态、开关跳闸; 2)直流系统功能: 遥测:电压、电流、功率、电能、电缆温度、漏电流、机柜温度、机柜湿度、开关状态、电流/功率; 遥信:过电流2段阀值越限、过/欠压、过功率告警、缺相、温/湿度告警,开关状态、开关跳闸;
6.3 产品介绍


说明:■为标配功能。
7总 结 以上对数据核心机房供电系统的分析,仅仅是供电系统中存在问题的一部分。 在机房供电系统设计和实际配置中还存在着其它各种问题,在不同程度上影响了供电系统可用性。 总之,要设计建造出性能优良的机房供电系统,需要从供电系统中每个环节入手才是关键的。
参考文献: 【1】张广明,沈卫东,曲颖编著.《UPS 高可用供电系统设计与应用》.人民邮电出版社 2004年1月. 【2】李会永.浅析数据核心机房供电系统方案配置 【3】安科瑞数据中心IDC配电监控解决方案.2020.03版. 【4】安科瑞企业微电网设计应用手册.2020.06版