仿真模拟实验基于multisim 14实验进行的。
Multisim是行业标准SPICE仿真和电路设计软件,适用于模拟、数字和电力电子领域的教学和研究。 NI公司的提供的试用MULTISIM教学版*载下**地址为:https://www.ni.com/multisim/zhs/。
半波整流电路仿真


二极管半波整流仿真电路

蓝色曲线:为整流后的效果
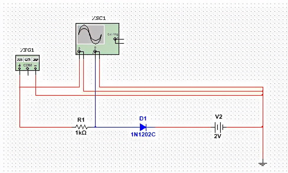
限幅电路仿真
利用二极管单向导电性,限定输出信号的幅度

二极管限幅仿真电路

蓝色为限幅之后的图形
钳位电路仿真
钳位电路的作用是将周期信号波形的顶部或底部保持在某一确定的直流电平上, 信号波形形状不变。
钳位——是指将某点的电位限制在规定电位的措施,是一种过压保护技术。

二极管钳位电路仿真电路

*载下**文件
链接: https://pan.baidu.com/s/1xx9YTd0ww-5I2eX4Nm5ICA 提取码: zfm2