【例9-3】 采用1-2 相励磁法实现电机的正转控制。
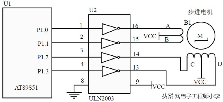
单片机的I/O口驱动电流较小,一般无法直接驱动步进电机,图9-10采用ULN2003作为步进电机的驱动芯片,ULN2003工作电压高,工作电流大,灌电流可达500mA,并且能够在关状态时承受50V的电压,输出还可以在高负载电流并行运行。只需按表9-2(c)的8个步序向P1口发送数据,通过ULN2003的驱动,即可实现步进电机按1-2相励磁法正转运行。

图9-10 步进电机驱动控制电路图
C51程序如下:

提示
上面的delay( )程序可参考之前例子中的延时程序编写,这里不再重复。
利用相同的程序编写方式可以实现1相励磁和2相励磁的电机控制。
【例9-4】 步进电机的正反转控制
利用接在单片机P3.7口的开关对步进电机的正反转进行控制,当开关闭合时,步进电机正转运行,当开关断开时,步进电机反转运行。此处采用1相励磁法。步进电机正反转控制电路如图9-11所示。

图9-11 步进电机正反转控制电路图
C51程序如下:

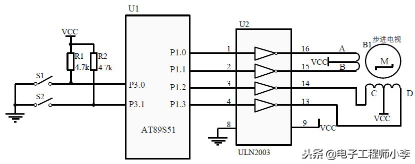
【例9-5】 利用查表方式通过两组开关实现三种励磁状态的切换。
两组开关实现三种励磁状态切换的电路如图9-12所示。利用接在P3.0、P3.1口的两个开关的四种状态实现步进电机的1相励磁、2相励磁、1-2相励磁及停止状态的切换。开关实现步进电机运行状态切换如表9-3所示。

图9-12 两组开关实现三种励磁状态切换的电路图

表9-3 开关实现步进电机运行状态切换表
由于三种励磁状态每拍的状态均为已知,在软件设计中,可以将这些状态预先存储到3个数组当中,根据2组开关的状态去查询对应的数组即可实现步进电机励磁方式的切换。
C51程序如下:
