
于装修这个活来说,真的不知道有多少业主要抱怨了,不去谈其他的,我们就看看这开关插座吧!说实在的这才是真要命的!前期布置不好,后期直接影响生活的舒适度!
现在的电器可谓是越来越多,所以在布局的时候一定要规划合理!今天,小编带来一位口出狂言的师傅总结的黄金定律,据说没人敢否定!
一、开关和插座的分类
.



二、开关插座全屋布局
玄关处:

玄关大家一定要注意要设计2个开关,一是玄关,二是客厅!然后要走到玄关尽头的时候,一定要再安装一个开关,这是为了关闭玄关!
玄关的鞋柜旁可以安装一个插座,这是为了方便阴雨天气
进玄关处要设计两个开关,分别打开玄关和客厅的照明灯,
快出玄关的地方要再装个开关,关闭玄关灯。插烘鞋器。
详情可以参考一张图:

客厅处:

客厅的电视柜处是要安装插座最多的地方,开关相对要少很多!
客厅是电器比较多的地方,需要的插座多,开关的设计就相对少了点。
详情可以参考一张图:

卧室处:

卧室虽然面积不大,但是规划的地方还挺多,比如说床头附近的插座,梳妆台附近,还有衣柜旁边,估计都要设计开关或者插座吧!
在这设计的时候,大家一定要注意家具的尺寸,千万别被家具遮挡了,那就尴尬了!
厨房处:

厨房的插座布局也比较复杂,不但对数量有着一定的需求,而且对其质量也有一定的要求,所以一定要保证其质量以及位置的精准度!
卫生间处:

卫生间的潮气是最重的地方,所以在开关插座上一定要注意装上防潮的面板,这样的安全度比较高!

大家肯定会问哪排风扇是不是也要插座呀!在这小编给两个建议,一就是选择自带排风扇的浴霸,还有就是安装一个!
阳台处:

阳台上插座的安装主要就是你用不用到晾衣架,这是需要的!还有就是一般阳台都是用来晒东西的,所以一定要做一个防潮罩子!

以上就是小编为大家带来的师傅的黄金定律,是不是很有用呀!
三、开关插座安装位置


四、开关接线
单开单控-----适用于一个开关控制一个灯

双开双控----适用于两个不同位置控制一个灯

单开三控-----适用于三个不同位置控制一个灯

双开单控---适用于同一位置开关控制两个不同位置的灯

三开单控-----适用于同一位置开关控制三个不同位置的灯

四开单控-----适用于同一位置开关控制四个不同位置的灯

三开双控-----适用于两个不同位置开关控制三个灯

插座接线图

一开带插座---单控接线法-----双控接线法

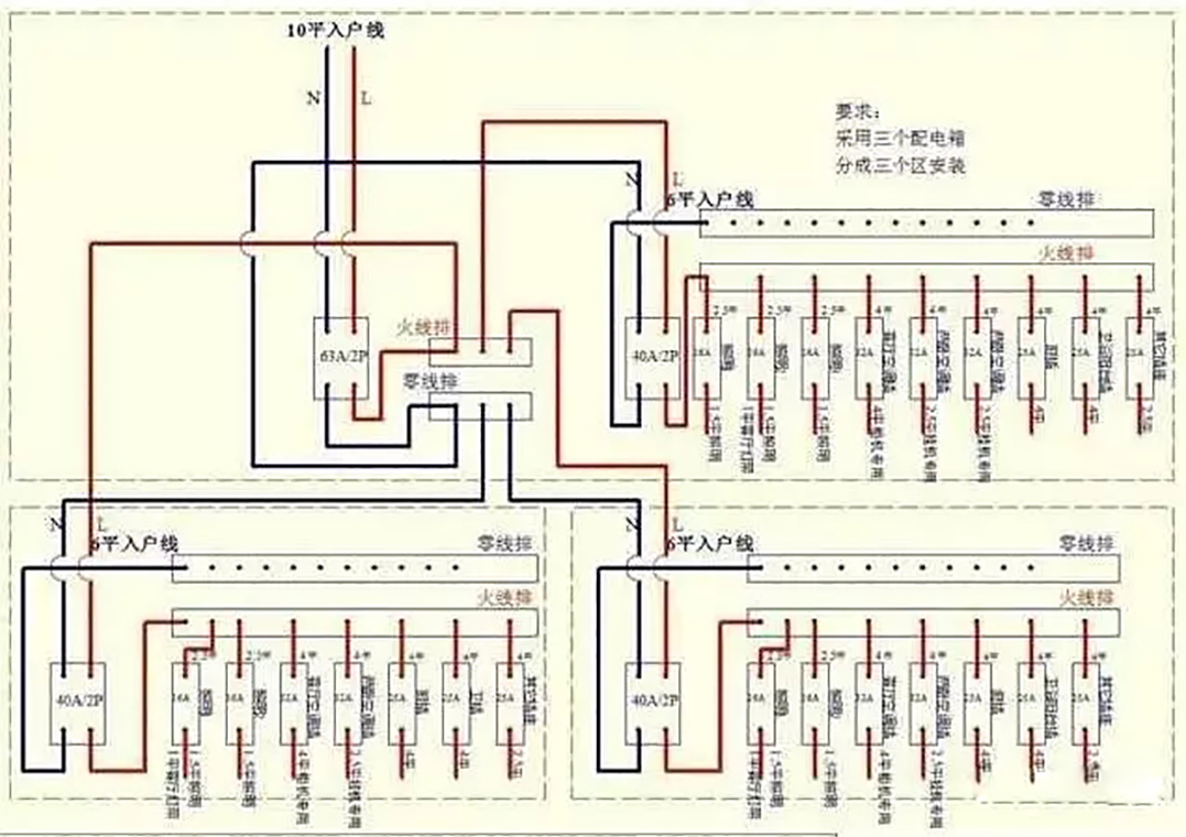
家庭配电箱系统接线方法一

家庭配电箱系统接线方法二

家庭配电箱系统接线方法三

家庭配电箱系统接线方法四

家庭配电箱系统说明


家庭弱电布线系统


看完之后觉得对大家有帮助的话麻烦多多转发,多多收藏,让更多的人能学到这些专业知识,非常感谢大家,如果有更好的建议意见麻烦评论区留言,我会挨个回复,谢谢大家。
请关注“装修工艺大师”每天推送关于装修文章,让您快速的了解装修,学会装修。