投稿点这里
案例一:雪佛兰科鲁兹 无法启动
故障现象:
一辆2013生产的雪佛兰科鲁兹轿车,手动变速器,行驶1500km,启动车辆没有任何反应,仪表显示正常。
故障诊断与排除:
此车为在修事故车,首先怀疑起动机熔丝问题,用万用表测量熔丝正常。用GDS试图进入车辆进行全车诊断,结果发现,GDS无法读取VIN。在排除GDS本身的问题之后,根据数据通信线的特点,手工输入VIN,全车扫描DTC。清除故障码后,当前故障码为“电子刹车、转向模块、BCM分别与ECM失去通信”。根据上述检测,可以判定:高速通信线路或者ECM内部有故障。用万用表测试诊断插头DLC的6#与14#针脚之间电阻,测量值为120Ω,正常值为60Ω。
通过阅读通信线路图,看到高速通信线经过的插头分别有:X114、X100、X190。通过与现场工作人员沟通得知,此事故车维修过左前熔丝盒附近,以上三个“X”插头中,只有X100有可能在本次事故中拆装过。拆检相关部件发现,X100插头虽然插上,但是有松动迹象(图1)。重新安装后,再次测量6#与14#针脚之间电阻为58.1Ω,启动车辆,一切正常。

维修小结:
在检查线路的实际工作中,特别是事故车,一定要将线路图与实际部位联系,这样才能提高解决问题的效率。
案例二:别克英朗倒车灯、室内灯不亮
故障现象:
一辆2012款英朗轿车,1.8L手动挡,行驶里程80,000km,倒车灯不亮,室内灯不亮。
故障诊断与排除:
询问客户得知该车在其他汽修厂修理过多次,没有排除故障。维修人员接车后用GDS检测存储故障码B2545,倒车灯电路开路。检查熔丝及倒车灯线路未发现故障原因,无奈之下经客户同意更换了BCM车身控制模块总成,之后故障依旧。笔者接车后查阅维修手册,查找本车电路图,但没有找到倒车灯开关电路图。
此车倒车灯开关信号由发动机控制模块接收,然后再通过高速网络传递到车身控制模块,车身控制模块再通过内部电路通往倒车灯。电脑检测,发现发动机控制模块数据显示倒车灯开关在挂入和挂出倒挡时,在活动与不活动之间变化,在BCM数据里面变化此信息说明倒车灯、ECM以及BCM电路无故障。
结合电路图分析此问题应出现在BCM上面,因为得知BCM是刚换的新件,出现故障的机率很小,遵循从简单到复杂的原则,检查了仪表板熔丝盒,发现未插入F19DA熔丝(图2),插入20A熔丝后故障排除。

维修小结:
现在的大多数车辆为了节约成本,减轻车辆自身重量用通信线代替了以往的传统电路,例如此车的倒车灯电路。以往倒车灯电路:蓄电池-熔丝盒-熔丝-倒车灯开关-倒车灯泡-搭铁。英朗车倒车灯电路:倒车灯开关-ECM-BCM-倒车灯泡-搭铁。省略了很多线束的布置从而达到节约成本的目地,所以在实际维修过程中我们必须充分了解,才能使我们维修工作手到病除。
案例三:别克凯越无法启动
故障现象:
一辆别克凯越轿车,行驶里程45678km,客户反映车辆无法启动,打开点火开关,发动机故障灯不亮。
故障诊断与排除:
接车后确认故障现象与客户保修内容一致。对车辆点火和喷油系统进行测试,启动车辆发动机不点火、不喷油。查阅相关电路图(图3),检查EF22熔丝,正常,没有熔断,打开点火开关,EF22熔丝没有供电。

根据电路图往前顺延,拔下点火继电器,测量87号针脚到EF22熔丝的线路,连接正常。互换点火继电器,故障现象依旧。再次取下点火继电器,测量30和86号脚,供电正常。打开点火开关,测量86和85号脚的电压为12V,正常。用二极管试灯测量86和85号脚,试灯不点亮,说明电脑没有控制继电器工作。用带熔丝的导线跨接30和87号脚EF22熔丝供电恢复,测量85号脚到ECM插头的C62针脚的导通,正常。
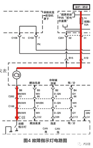
断开ECM并打开点火开关,测量电脑插头的C48号针脚电压为12V(图4),说明发动机故障灯电路正常,将此处直接搭铁故障灯能够点亮。此时线路已经排查完毕,就剩下ECM了,测量ECM的供电和搭铁线路都正常。更换ECM总成并编程,打开点火开关故障灯点亮,启动发动机,发动机运转正常。

维修小结:
此车的问题主要位于ECM内部,由于ECM在控制系统中的特殊性和重要性,在替换之前要对外围线路进行测量,在排除外部线路故障后才能进行替换。不要盲目更换,只有做到知己知彼,才能够百战不殆。
相关文章
