
材料版块
【大理石干挂】
材料探秘
关键词:
#方柱基础大理石#轻质砖墙大理石#圆柱基础大理石干挂#
1 大理石干挂简介
■ 石材干挂法又名空挂法。该方法以金属挂件将饰面石材直接吊挂于墙面或空挂于钢架之上,不需再灌浆粘贴。其原理是在主体结构上设主要受力点,通过金属挂件将石材固定在建筑物上。


■ 特点:
- 可以有效地避免传统湿贴工艺出现的板材空鼓、开裂、脱落等现象,明显提高了建筑物的安全性和耐久性;
- 可以完全避免传统湿贴工艺板面出现的泛白、变色等现象,有利于保持装饰面层清洁美观;
- 在一定程度上改善施工人员的劳动条件,减轻了劳动强度,从而加快工程进度。
■ 材料准备和要求:
- 石材定货加工:
- 按照设计确定的石材及石材样品对石材进行翻样、定货加工。必须注意加工的质量,它关系到现场的施工质量。
- 石材进场检查:
- 石材进场时必须按照设计要求的饰面石材规格、品种、颜色、花纹进行检查,检查合格后按照石材排板图对石材进行编号保存备用。
- 钢骨架:
- 干挂石材使用的钢骨架主要材料有80槽钢、40*40角钢,按照设计要求准备齐全,使用的槽钢、角钢必须有合格证、检验报告,材质符合设计要求。
- 其他配件:
- 根据设计要求选择好不锈钢挂件、挂件与骨架的固定螺栓。
- 按照现场情况及设计要求准备好膨胀螺栓(一般为直径为¢8~¢12)、填缝胶等辅助材料。


■ 施工机具准备:
主要有冲击钻、手枪钻、云石机、磨光机、活动扳手、水平尺、铝合金靠尺、白线、钢卷尺、铁锤、扫帚、凿子、胶枪、壁纸刀、棉纱、小桶、铁锹、灰盆、钳子等。




■ 施工作业相关条件:
- 结构经验收合格,水电、通风、设备安装等应提前完成,并准备好加工石材的场地、水电源等前提条件。
- 室内施工脚手架,以及运输设备搭置完毕。
- 所有施工完成的窗套、窗抹灰时会留出余量,检查各部分节点连接现场与设计图纸有出入,及时纠正。对墙面的垂直度、平整度进行检查,需要处理的必须完成后才能下道工序。
- 对石材要保存好,避免日晒雨淋,在石材下垫木方,并核对数量、规格,并预铺、配化、编号等备用。
- 对现场的石材必须进行挑选,对色差较大的不能施工。现场要对每一块石材的质量进行检查。


▲ 石材质量检查

▲ 脚手架安装完成

▲ 浇筑面未完成
■ 施工工序流程:

■ 施工技术措施 :
- 基层处理:墙面基层表面用扫帚清扫干净。根据装饰墙面的位置检查墙体,是否有局部剔凿,保证装饰厚度。
- 放控制线:石材干挂施工前必须按照设计标高要求在墙体上弹出50mm水平控制线和每层石材标高线,并在墙上做上控制桩,拉白线控制墙体水平位置,控制和找平房间、墙面的规矩和方正。
- 根据石材分割图弹线,确定金属胀管安装位置或石材骨架的安装位置。
- 挑选石材:石材进场到现场必须对其材质、加工质量 花纹尺寸等要求进行检查。
- 预埋石材:将挑选出来的石材按照使用的部位和安装顺序进行编号,并选择较为平整的场地做预排。
- 预埋件安装:在结构墙面上固定12mm的膨胀螺栓,固定间距与石材分格相同;轻质墙面安装石材应在地面、顶棚固定角钢件,固定间距不大于600mm。
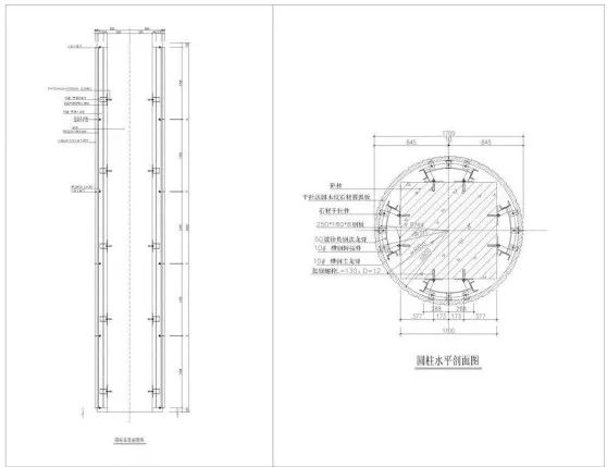
2 圆柱基础大理石干挂
■ 圆柱基础包大理石圆柱工艺:
- 基层清理、修补。清除圆柱结构面上的浮沉和补灰、堵洞等部位,保证基层清洁。
- 挂面测量控制。按照设计图纸的要求和根据加工石材的规格,在圆柱面上放出竖直线和标高线。弹出石材竖向控制线,在以标高线为基线放出板材横向控制线,确定挂件的钻孔位置。
- 柱面钻孔。采用YG型M10膨胀螺栓,钻孔直径10.5mm孔深60mm。
- 圆柱钢构架安装。将槽钢用角码连接固定在钢筋混凝土圆柱结构上,通长竖龙骨8号槽钢直接焊接在用膨胀螺栓固定的钢板上,两侧通长满焊。次龙骨安装在竖龙骨上,次龙骨采用40*40*4角钢。
- 不锈钢挂件安装。按测量后确定点,带石材就位测试后,再把”T”型件拧紧固定。
- 弧形石板安装。将已编号的石材板对号入座临时就位,利用“T”型件的调节孔,进行调整。调整弧形板的垂直度和弧度,然后卸下石板,进行局部处理,调整符合要求后,将挂件连接紧固。
- 注胶嵌缝。弧形石材安装就位准确时,用云石胶涂满挂件和槽内的缝隙,以及石材的接缝。




▲ 钢架基层

▲ 安装

▲ 最终效果
■ 安装注意事项
- 石材安装时要严格按照排版图编号进行加工,以防色差明显, 排版差异;
- 石材安装时要注意石材纹路方向进行安装;
- 在大理石安装完成后,一定要用大理石保护膜保护,若出现磨花,需重新打磨抛光。此外,还应注意接缝有无高低偏差,还可用手敲敲大理石,看有无存在空鼓现象。
■ 胶粘材料
石材缝隙的材料选择云石胶和配套的固化剂,云石胶与固化剂的比例为20:1,用于挂件的挂舌填补和石材接缝的粘接。


3 方柱基础大理石干挂
■ 方柱基础包大理石圆柱:



▲ 安装

▲ 固定


▲ 安装

▲ 内部结构
■ 方柱基础包大理石方柱:
- 表面清理
- 弹线,确定完成面。
- 将”L“型材用膨胀螺丝固定在方柱上。
- 根据完成面距离墙面的位置,裁取横向角铁的长度。
- 确定竖向角钢的位置,与横向角钢焊接。
- 安装“L“型件与干挂件。
- 石材安装,石材进行试安装,如果安装准确固定干挂件。
- 注胶嵌缝。

▲ 弹线

▲ 现场施工图

▲ 完成效果图

▲ 角铁与“L”型件焊接在一起。
干挂件与角铁用螺栓固定。焊接处涂防锈漆。
4 方柱基础大理石干挂
■ 材料准备
石材、角码、膨胀螺丝、挂件、连接螺丝、云石胶、硅酮结构密封胶及泡沫棒等。

▲ 膨胀螺丝 ▲ 角码

▲ 挂件 ▲ 连接螺丝

▲ 硅酮结构密封胶 ▲ 云石胶 ▲ 泡沫棒
■ 材料特性介绍
- 硅酮密封胶:
- 高性能硅酮结构胶是一种中性固化、专为建筑幕墙中的结构粘结装配而设计的。依靠空气中的水分固化成优异、耐用的高模量、高弹性的硅酮橡胶
- 云石胶:
- 云石胶基于不饱和聚酯树脂,适用于各类石材间的粘接或修补石材表面的裂缝和断痕,常用于各类型铺石工程及各类石材的修补、粘接定位和填缝
- 泡沫棒:
- 聚乙烯泡沫棒是以聚苯乙烯树脂辅以聚合物在加热混合的同时,注入催化剂,而后挤塑押出连续性闭孔发泡的硬质泡沫塑料板,是一种具有高抗压、吸水率低、防潮、不透气、质轻、耐腐蚀等优异性能的环保型棒材。

▲ 硅酮密封胶的运用

▲ 云石胶的运用

▲ 泡沫棒的运用
■ 操作步骤:

















■ 细部节点图:

5 方柱基础大理石干挂
■ 轻质墙基层大理石干挂:
- 基层处理,墙面找平。
- 将镀锌钢板用穿墙筋固定。
- 将槽钢焊接在钢板上,焊接处涂防锈漆。
- 角铁焊接在槽钢上,焊接处涂防锈漆。
- 安装石材干挂件。
- 石材试贴,调整误差,调整完成后固定干挂件。

▲ 墙面处理 ▲ 没有穿墙筋固定

▲ 镀锌钢板用穿墙筋固定 ▲ 石材安装

(来源:新筑课堂,版权归原作者所有,仅作学习和分享,如有侵权请联系删除)