常用的测速方法
常用的测速传感器可输出脉冲信号,只要通过频率电压或电流转换就能与电压、电流输入型的指针表和数字表匹配。频率电流转换的方法有阻容积分法、电荷泵法和专用集成电路法,前两种方法在磁电转速仪中也有运用。专用集成电路大多数是阻容积分法、电荷泵法的综合。目前,常用的专用集成电路有LM331、AD654和VF32等,转换精度在0.1%以上;但在低频时,这种转换就无能为力。采用单片机或FPGA做F/D和D/A转换,转换精度在0.5%~0.05%,量程从0~2Hz到0~20kHz,频率低于10Hz时反映时间也会变长。
在显示精度、可靠性、成本和使用灵活性上有一定要求时,就可直接采用脉冲频率运算型测速仪。频率运算方法有定时计数法(测频法)、定数计时法(测周法)和同步计数计时法。测频法在测量上有±1的误差,低速时误差较大。测周法也有±1个时间单位的误差,在高速时,误差也很大。同步计数计时法综合了上述两种方法的优点,在整个测量范围都达到了很高的精度,万分之五以上精度的测量转速仪表基本都采用同步计数计时法。
反射式红外测速仪的设计
这里我们介绍一款实用的反射式红外测速仪的设计与制作。
反射式红外测速仪在测量物体运转速度时,首先向被测物体发射出红外线脉冲,利用被测物体表面的反射能力(可在被测物体表面粘贴白色的反射纸等),使红外接收器收到光脉冲信号,然后通过光电转换电路将光脉冲信号转变为电脉冲信号,电脉冲信号通过放大和处理后,输入到单片机的计数控制门,与内部的标准表秒脉冲信号相比较,经运算后,通过显示器将被测物体运动的旋转速度显示出来。
红外探头的测量距离根据实际需要,可设计成近距离和远距离两类。近距离的探头可采用小功率发光管和光敏受光管。如果是远距离的测量,探头就可采用中、大功率的发光二极管或者是合适的激光二极管。
1.系统设计方案
图26.1为反射式红外测速仪的系统构成方框图,由单片机控制器、38kHz载频振荡器、红外线发射/接收电路、8×2点阵字符型液晶屏及工作电源等组成。

图26.1 反射式红外测速仪的系统构成方框图
2.转速测试原理
转速测试原理见图26.2。进入测试状态后,38kHz的载频振荡器起振工作,驱动红外发射管向外发射红外载频信号。单片机首先检测信号的边沿,当一个脉冲的下降沿到来时(图中A点),计数器开始对脉冲计数,同时,单片机还启动定时器进行测试计时。当定时器计时到1000ms时(图中B点),单片机发出一个准备结束本次测试的信号,这时程序又开始检测信号的下降沿,当下降沿到来时(图中C点),单片机对脉冲的计数cnt及对测试时间的计时time完成。此时根据公式:转速=(cnt/time)×60000即可算出此时的转速。当计时到1300ms时(图中D点),单片机输出显示,将测得的转速显示到液晶屏上。此次测试、显示完成后,又进入下一次的测试、显示,周而复始。

图26.2 转速测试原理
测速仪常用于电机、电扇、纸张、塑料、化纤、洗衣机、汽车、飞机、轮船等制造业中。依据对转速检测原理的不同,测速仪可分为以下几种类型。
离心式测速仪:利用离心力与拉力的平衡来检测转速,是最传统的机械式测速工具,测量精度一般在1~2级。
磁性测速仪:利用旋转磁场,在金属罩帽上产生旋转力,通过旋转力与游丝力的平衡来检测转速。
电动式测速仪:电动式测速仪由小型交流发电机、电缆、电动机和磁性表头组成。磁性表头与小型交流电动机同轴连接在一起,小型交流发电机产生交流电,交流电通过电缆输送,并驱动小型交流电动机,小型交流电动机的转速与被测轴的转速一致,磁性表头指示的转速自然就是被测轴的转速。
闪光式测速仪:闪光式测速仪可发出频率可调的脉冲闪光,利用人眼视觉暂留的原理对转动物体进行测速。除了检测转速(往复速度)外,还可以观测循环往复运动物体的静像。
电子式测速仪:电子式测速仪是以现代电子技术及计算机技术为基础而设计的,一般有传感器和显示器,有的还有信号输出和控制。
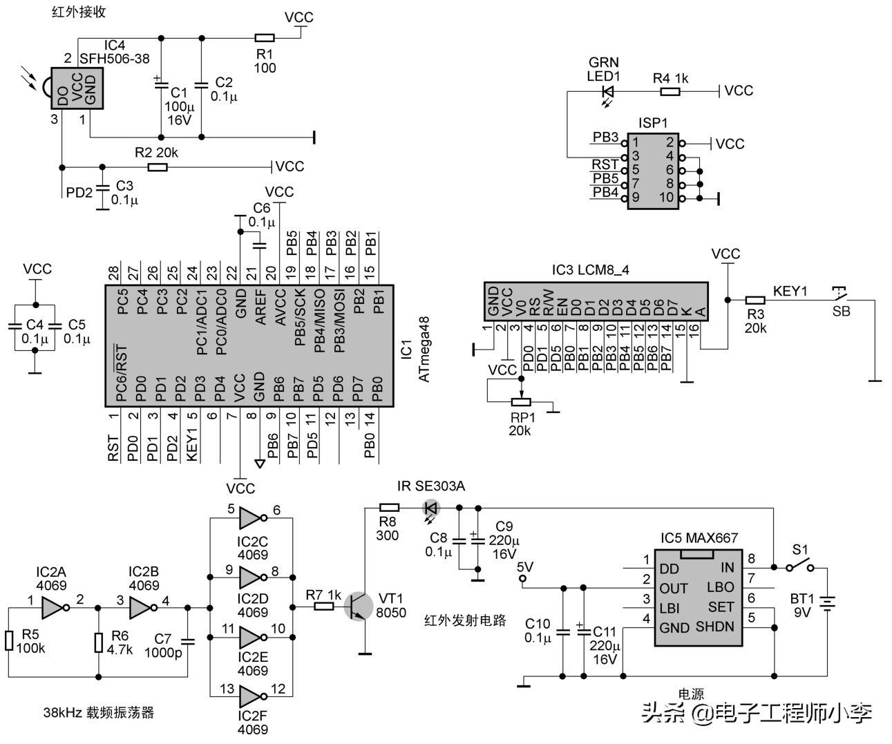
3.电路设计
反射式红外测速仪的电路如图26.3所示。单片机选择Atmel公司的ATmega48,负责整个测试系统的运行。IC2及阻容元件组成了38kHz的载频振荡器,其载频经VT1放大后驱动红外发射管IR向外发射红外线。IC4为38kHz的一体化红外接收头,它负责红外线的接收、放大及解调,它将解调出的脉冲信号送入单片机进行计数处理。IC5为液晶显示模块,使用了8×2的点阵字符型液晶屏(带背光),形体较小,用于显示测试得到的转速。

图26.3 反射式红外测速仪电路图
整机供电使用9V积层单池,经稳压器IC5稳定为5V后,供单片机工作。笔者实际制作的发射、接收组件如图26.4所示,使用热熔胶固定。制作完成的样机上的液晶屏、电源开关及按键如图26.5所示,按键SB目前没有使用,作为备用,整机照片如图26.6所示。

图26.4 发射、接收组件

图26.5 液晶屏及控制按键

图26.6 反射式红外测速仪整机照片
主函数
void main(void)//主函数
{
uchar temp;//定义单字节无符号局部变量
float count,time,x;//定义浮点型局部变量
Delay_nms(400);//延时400ms,等待电源稳定
init_devices();//初始化单片机
InitLcd();//初始化液晶模块
display1();//液晶屏显示欢迎界面
Delay_nms(2000);//等待2s
display2();//液晶屏显示工作界面
DisFlag=1;//测速显示标志置1
while(1)//无限循环
{
WDR();//看门狗喂狗指令
if(DisFlag==1)//如果测速显示标志为1
{
time=(float)tx;//整数转成浮点数
count=(float)cx;
x=count/time;x=x*30000;//数学计算
DisVal=(uint)x;
/******将测得的4位转速值存放于显示缓冲区*******/
disx[3]=(DisVal/1000)%10;
disx[2]=(DisVal/100)%10;
disx[1]=(DisVal%100)/10;
disx[0]=DisVal%10;
/**********在液晶屏上显示转速值*********/
DisplayOneChar(4,1,disx[3]+0x30);
DisplayOneChar(5,1,disx[2]+0x30);
DisplayOneChar(6,1,disx[1]+0x30);
DisplayOneChar(7,1,disx[0]+0x30);
/**此次显示完成后,相关变量初始化,准备进入下一次的测试**/
DisFlag=0;WorkTime=0;
DisTime=0;
EndFlag=0;Start=0;cnt=0;
}
else//否则如果测速显示标志为0则进行脉冲取样
{
do{
temp=PIND&0x04;WDR();JS=1;//等待下降沿后下一次测试
if(Counter>1500)
{Counter=0;JS=0;DisFlag=1;cx=0;goto END;}
}while(temp==0x04);
BeginFlag=1;Start=1;GICR=0x40;
//重开INT0中断
END:;
}
}
}
4.软件设计
程序主要分为主控程序、液晶屏驱动程序和头文件三大部分,这样设计速度快、结构完善,并且也便于整个程序的装配。程序使用ICC7.14C集成开发环境编译。限于篇幅,这里仅介绍一下主函数,完整程序可以到QQ群*载下**。
调试与应用
本机唯一需要调整的是红外发射电路的38kHz载频,它关系到红外测速仪的使用灵敏度及可靠性。整机检查无误后通电,用一个10kΩ的多圈可调电位器代替R6,用示波器或频率计测R7电阻的任一端,细调电位器,使频率为38.000kHz,越准确越好。调好后,取下电位器,测出其阻值,用一个同阻值的固定电阻代替电位器,焊在R6位置。整机其他部分全是数字信号处理,因此只要器件良好,就无需调整了。
红外发射管需要套一个直径5mm的黑色热塑套管,并且与红外接收头稍微隔开一点距离安装,防止发射出的红外光直接进入红外接收头。当然也不能离开太远,以免降低接收灵敏度。