在建筑工程中,电气安装是重要的组成部分,对整个建筑工程具有重要的现实意义。那么你对电气安装了解多少呢?以下是关于电气安装基础知识的内容,希望大家喜欢!

电气安装基础知识
一、开关盒数量=开关数量+插座数量
二、接线盒数量=灯头盒数量+规范规定
⑴无弯管路不超过30m;
⑵两个接线盒之间有一个弯时,不超过20m;
⑶两个接线盒之间有二个弯时,不超过15m;
⑷两个接盒 之间有三个弯时,不超过8m;
⑸暗配管两个接线盒之间不允许出现四个弯。

三、接线盒,每个明装配电箱(暗配管)的背后都用一个接线盒(先配管)。
接线箱一般的配电箱都是接线箱。
接线端子箱一般里面只有接线端子,没有元器件,如分支接线箱、等电位接线箱。
接地端子板是接地端子箱的一个端子板。
LEB是局部等电位连接箱,一般很小,里面的端子板也很小,端子也很少。
接地跨接线是用在比如桥架各节段、电线管之间的断接口电气辅助联通用的起传导电位的作用,正常时不通过电流。
电气安装小常识
断接卡是用在防雷接地上的,一般用在人工接地极的引入线上,主要是为了测接地电阻时把人工接地极与接地网断开,从而方便准确的测出这个人工接地极的接地电阻。
一、电缆头按制作安装材料又可分为热缩式(目前最常用的一种)、干包式和环氧树脂浇注式
现在的70mm2以上电缆普遍采用热缩式,其实就是用到热缩头,一个热缩头在几十元到上百元不等,就是所谓的“手套”形状像手套一样,把电缆外保护层剥开,套上热缩头,然后用喷灯加热,使之附着在电缆头上(压铜鼻子我就不详说了)。
干包式就是采用高压自粘式胶布和电工胶布缠绕制作电缆头。一般临时用电较多用到。
70mm2以下用干包式。

二、电缆头的区别
电力电缆头分为终端头和中间接头,按安装场所分为户内式和户外式,按照电缆头制作材料分为干包式、环氧树脂浇注式和热缩式等三类。
1.户内干包式电力电缆头,干包电缆头不装 " 终端盒 " 时,称为 " 简包终端头 " ,适用于一般塑料和橡皮绝缘低压电缆。
2. 户内浇注式电力电缆终端头,浇注式电缆头主要用于油浸纸绝缘电缆。
3. 户内热缩式电力电缆终端头,热缩式电缆头适用于 0.5 ~ 10.0kV 的交联聚乙烯电缆和各种电缆。
三、三种电缆头的施工工艺区别:
1.户内干包式电力电缆头:剥保护层及绝缘层,清洗,包缠绝缘,压连接管及接线端子,安装、接线。
2. 户内浇注式电力电缆终端头:锯断,剥切清洗,内屏蔽层处理,包缠绝缘,压扎锁管和接线端子,装终端盒,配料浇注,安装接线。
3. 户内热缩式电力电缆终端头:锯断,剥切清洗,内屏蔽层处理,焊接地线,压扎锁管和接线端子,装热缩管,加热成形,安装,接线。
四、四种电缆头的施工工艺应用范围:
1)干包,在一些要求不高或者为了省钱的项目上,低压电缆接头使用干包的比较多,由于低压电场可以忽略不记,所以特别是那些安装公司为了省钱使用干包。高压干包电缆目前国内似乎没人做,国外偶也只见到3M公司有干包电缆附件(通常都是中间接头)。
2)热缩,热缩电缆附件相对干包的费用高,但目前在10KV及以下等级使用热缩电缆附件是比较经济的,一般适用于新建工程、施工时不要求防火等普通供电系统。
3)浇注电缆附件,基本淘汰,主要使用油浸绝缘电缆上,自从热缩油浸电缆问世以后基本上就淘汰了。目前3M等低压电缆还有浇注式电缆接头。
4)冷缩电缆接头,目前正在大力推广的电缆附件,特别适用与石油化工等禁止明火施工的环境,而且减少人了人为的因素,更安全,缺点是价格比较昂贵。
常用电缆的特性如下:

CEF——乙丙橡胶绝缘氯丁橡胶护套,船用阻燃电力电缆。
CVV——聚氯乙烯绝缘,聚氯乙烯护套船用阻燃电力电缆。
电线常采用BV,BX,RV,RVV系列电线,其中:
BV——铜芯聚氯乙烯绝缘电线,长期允许温度65℃,最低温度-15℃,工作电压交流500V,直流1000V,固定敷设于室内、外,可明敷也可暗敷。
BX——铜芯橡皮绝缘线,最高使用温度65℃,敷于室内。
RV——聚氯乙烯绝缘单芯软线,最高使用温度65℃,最低使用温度-15℃,工作电压交流250V,直流500V,用作仪器和设备的内部接线。
RVV——铜芯聚氯乙烯绝缘和护套软电线,允许长期工作温度105℃,工作电压交流500V,直流1000V,用于潮湿,机械防护要求高,经常移动和弯曲的场合。
电缆常见型号
VV表示:聚氯乙烯绝缘(第一个V),聚氯乙烯护套(第二个V)
YJV22表示:交连聚氯乙烯绝缘(YJ),聚氯乙烯护套(V),钢带凯装(22)
型号加“ZR”或“FR”的为阻燃电缆(电线)。加“L”为铝线
电线的型号较简单:
BVV--聚氯乙烯绝缘和护套铜心线,
BV--聚氯乙烯绝缘铜心线,
BVR--聚氯乙烯绝缘铜心软线,
BX--橡皮绝缘铜心线,
RHF--氯丁橡套铜心软线。
电气安装的知识
一、强电系统施工的技术要求:
1. 配电箱安装位置:应安装在通风易操作位置,便于日常的操作及维修,箱体的底边离地面高度宜为1.8米。原配店箱位置一般不可移位,若需移位要加装过度盒并由设计、施工员确定方案,在施工员指导下进行施工。
2. 检查漏电保护器和空气开关:对漏电保护开关进行检查,漏电30mA能动作切断电源,动作时间应≤0.1S。对空气开关的数量及容量进行检查,如不能满足使用要求的必须更换或增加。照明用电必须单设一个两极的短路保护器且不受漏电保护器总开关的控制。空调、吸尘器等15A以上的插座和一般常用的10A五孔插座,除有一个单极的短路空气开关控制外,还必须受总开关漏电保护器的控制。
3. 空调:2匹机(含2匹)以下的电源线为4m㎡插座为16A。3匹机电源线为4m㎡。5匹以上的空调柜机必须用三相五线制的动力电且主线必须为至少6m㎡的多股软线,强调接地线连接。
4. 卫生间安装浴霸的应单独分路导线直径为2.5m㎡,水 源旁插座采用防溅式。厨房需单独分路导线直径为2.5m㎡(若有大功率电器需增加导线截面积)。
5. 插座与灯具数量超过25只的需增加分路进行控制,凡有特殊用途的如电脑、电加热器、音响电源宜用带保险丝的插座。
6. 房屋建筑使用时间超过5年以上,电气线路必须全部进行更新。5年以下的经测试线径:照明≥1.5m㎡、空调≥4m㎡、插座≥2.5m㎡及绝缘状态绝缘阻值>5m㎡一般可以利用。
7. 凿线槽、开关、插座、线盒孔、排管穿线的施工要求:
⑴ 管布线的原则:横平竖直,凿好管线槽排入专用阻燃型电线管,管壁>1.5mm。线管在线槽中必须用木橛进行固定,线盒与线管相接,应使用锁扣锁紧。导线必须待线管铺设好后穿入,开槽深度为管径的1.5倍。
⑵ 管铺设尽可能减少弯曲次数,管路超长必须加设过度线盒,弯管必须用弹簧现弯,不得使用90弯头及三通,线管连接采用束节胶粘进行连接。
⑶ 严禁线管直接铺设在复合地板、地毯下和厨房及卫生间的地砖下,铺设在地板下的线管必须有固定措施。
⑷ 入线管导线的总截面不应大于线管孔有效面积的40%,管内布线根据使用要求,总数≤3根,管内不得有接头,扭接。
⑸ 线进入线盒必须保证有一定的长度,不得<150mm以便 进行开关、插座的安装维修及今后的导线更换。
⑹ 线色标:配电箱及各回路配线均需按要求进行分色。L1相为黄色、L2相为绿色、L3为红色、中性线(N)为黑色、接地线(PE)为黄绿双色线、灯头线为白色。
⑺ 地线(PE)截面的要求:相线截面积在16m㎡以下PE线截面积与相线截面积相同。16m㎡以上的PE线截面积为相线的一半。
二、 弱电系统施工的技术要求:
1. 电话线必须使用专用电话线穿管进行铺设,进户路数必须要求≥2路线,不足路线应予补足。
2. 有线电话闭路线必须采用符合要求的同轴电缆线(宽频为5Ω),并严禁对接。
3. 注:有线网络路的弯曲半径必须≥8D(R为64mm)。
三、 电气开关、插座的安装定位:
1. 开关安装位置离地面高度宜为1400mm左右,安装在门边的开关与门框距约为150—200mm。儿童房开关高度宜为1000mm。
2. 插座安装位置应离地面高度为300mm,插座接线应上为接地、左零、右相。开关、插座等器件应安装牢固、端正,与墙体间隙≤1mm,同一室内安装高度差≤5mm。导线与暖气、热水、燃气管道间的间隔平行时应≥300mm,交叉时应≥100mm,电气开关接头与燃气管间距离≥300mm。
3. 开关、插座的面板必须待油漆全部结束后进行安装。
四、 吊平顶内的线路排放要求:
1. 吊平顶内的各种强、弱线严禁裸露,必须穿管排放,应将线管固定在吊架及木龙骨上。
2.必须做到一只灯配一只接线盒,接线盒的设置位置应便于维修,并加盖板。导线穿软管接至灯位,其长度不得超过1m。相线进开关,零线进进灯头。强、弱电的导线均不得吊平顶内出现裸露。
五、 灯具的安装要求:
1. 灯具必须待施工全部结束后进行安装,灯具安装必须符合牢固、安全的要求。
2. 吊灯安装严禁使用木橛进行固定,必须采用膨胀螺栓或美固钉进行固定,安装在面积较大厅中的吊灯宜采用双路开关进行控制。
3. 日光灯安装时必须在灯架底部作防火绝缘处理,具体方法为:日光灯底部加小块长条瓷砖或加小块长条面石膏板作绝缘及防火层,特殊条件下必须垫加绝缘板。
4. 包胶布时,先包2层防水胶带,再包2层绝缘胶带。

六、 其他注意事项:
1. 现场严禁带电头裸露,严禁用铁钉、线头等直接插入插座取电。
2. 拆墙施工前对前墙面开关、插座、过度盒、网线、电话、TV等做一定了解,防止造成不必要的损坏(建议与物业协调),并断开配电箱总电源。
3. 电气完工后由电工施工员绘制出电路图(电气排列平面图、系统图、图例)。
4. 通电施工操作时应穿好绝缘鞋,必须两人以上操作,严禁穿着短衣裤进行工作。
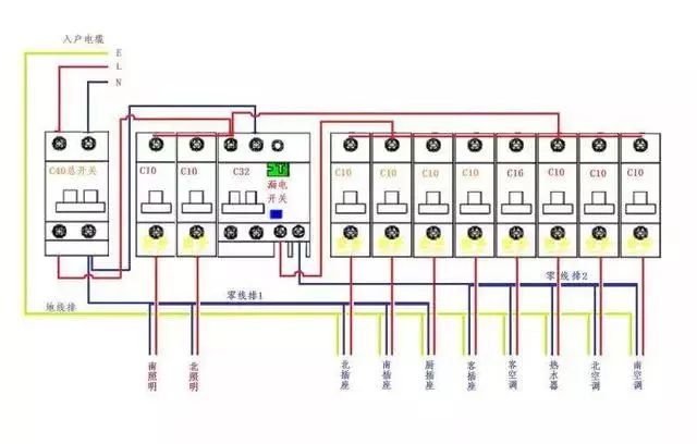
最后附上最全的开关接线图
一、下面列举了家庭电路中常用的开关类接线:





二、家用配电箱的常用接线



