电动刮水器
轿车电动刮水器一般具有5种功能:
a.低速刮水
b.高速刮水
c.间歇刮水
d.停机复位
e.风窗洗涤

(一)电动刮水器的组成
组成:
电动机
涡轮 蜗杆
刮水片
传动机构

(二)刮水片的摆动控制
电机转动,通过涡轮驱动摇臂旋转,从而使拉杆往复运动,刮水片左右摆动。

(三)刮水片的变速控制
1.永磁电动机结构


2.永磁电动机变速原理


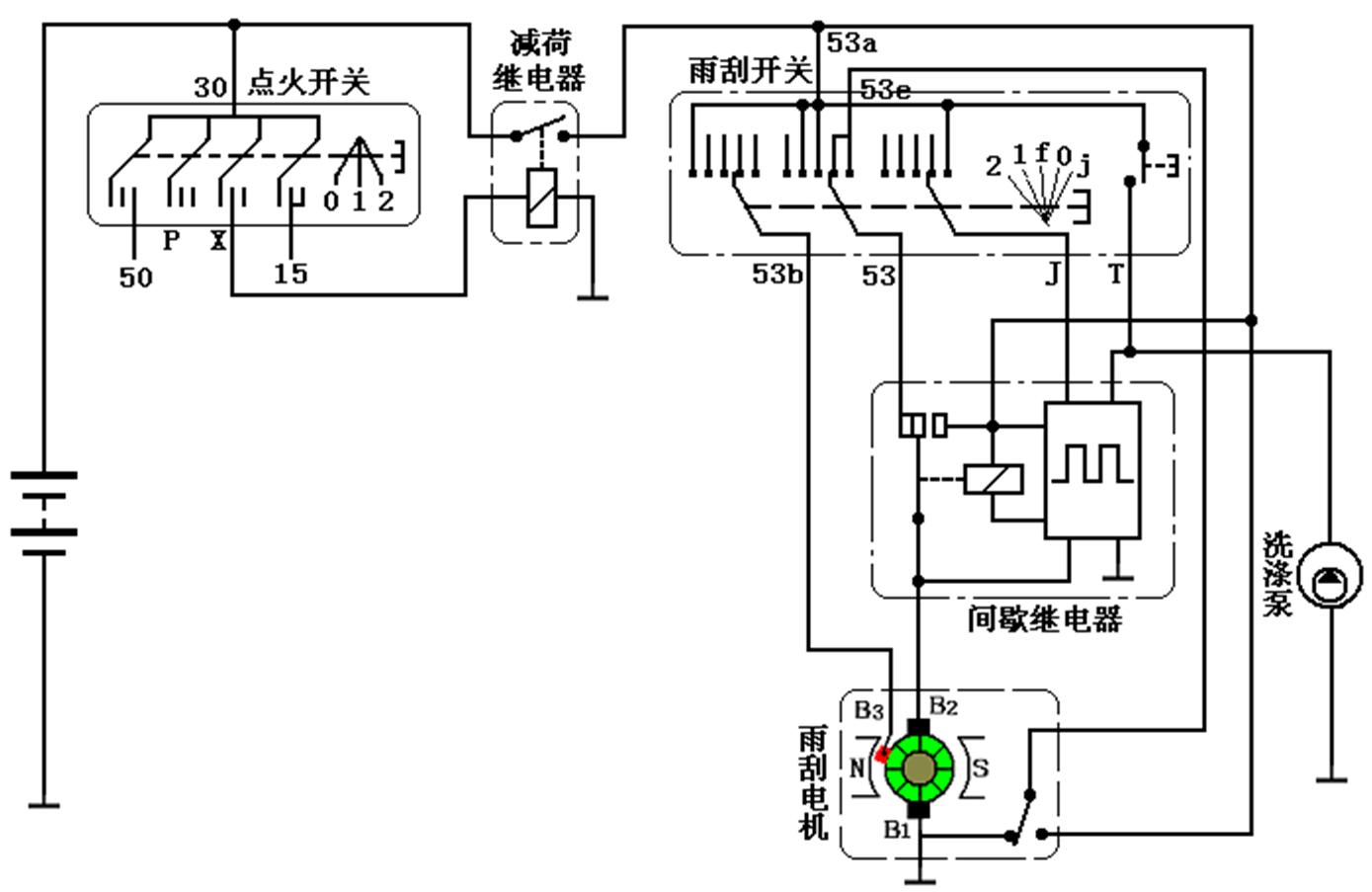
(四)雨刮电机控制电路

1.刮水器开关拉到“Ⅰ”档--低速刮水
刮水器电动机电流通路:
蓄电池的正极→点火开关→电刷 B2→电枢绕组→电刷 B1→刮水器“Ⅰ”档→搭铁。
刮水器电动机低速运转。
2.当刮水器开关拉到“Ⅱ”档—高速刮水
刮水器电动机电流通路:
电池的正极→点火开关→电刷 B2→电枢绕组→电刷 B3→刮水器“Ⅱ”档→搭铁。
刮水器电动机高速运转。
3.设置停机复位功能
为什么设置停机复位功能?

停机复位机构:

停机复位机构作用原理:
刮水器开关退回到“0”位:
雨刷片若没有停在规定的位置,蓄电池继续供电:
电池正极→点火开关→熔断丝→电刷 B2→电枢绕组→电刷 B1→刮水器“0”档→两触片→铜环→搭铁。
此时电动机将继续转动,当刮水器的刮水片达到规定位置时,两个触片都和铜环接触,使电动机短路,停止转动。
夏利刮水器与洗涤器开关:

卡罗拉组合开关:



+1低速
+2高速
B 电源
S 复位

(五)间歇式刮水器
功能:
小雨或雾天,实现间歇刮水。
类型:
1.不可调节间歇控制电路
①同步间歇振荡电路
a.型式1:

工作过程:
刮水开关拨至间歇挡,电源经停机复位开关向电容充电,其电路:
蓄+→点火开关→停机复位开关→电阻R1→电容C→搭铁→蓄-
随着充电继续,电容C电压逐渐升高至一定值,三极管VT1、VT2导通,继电器线圈通电,常闭触点打开,常开触点闭合,接通刮水电机电路,其电路:
蓄+→点火开关→B2→B1→继电器闭合后的触点→搭铁→蓄-。电动机低速转动。
同时,停机复位开关下触点闭合,电容放电,三极管VT1基极电位降低而截止,继电器线圈断电触点张开,但电动机仍通电转动,其电路:
蓄+→点火开关→B2→B1→继电器常闭触点→停机复位开关下触点→搭铁→蓄-。
只有刮水片回到原位,停机复位开关下触点张开,上触点闭合时,电动机才停止转动。
此时,电容器被重新充电,重复上述过程,实现刮水片重复刮水。
间歇时间的长短,取决于电容器充电时间。
b.型式2:

工作过程:
(1)雨刮开关OFF,间歇开关OFF:
雨刮电机B1、B2等电位( B1的电位—经复位开关—J的 K1触点—雨刮开关OFF位—B1)。
(2)雨刮开关OFF,间歇开关ON:
VT1导通,VT2截止,J的K2被吸闭—雨刮电机低速转动刮水;
同时,C1被充电到一定值,使VT2 导通, VT1截止, J的K2张开, K1闭合——雨刮电机自动复位停止工作;
C2又被充电到一定值,使VT1 导通, VT2截止, J的K2又闭合——雨刮电机低速转动刮水;
②集成间歇振荡电路

工作过程:
刮水开关拨至间歇挡,集成电路端子3输出高电位,继电器线圈通电,常闭触点打开,常开触点闭合,刮水电机运转,其电路:
蓄+→点火开关→B2→B1→继电器闭合后的触点→搭铁→蓄-
同时,停机复位开关下触点闭合。经过一段时间后,集成电路端子3输出低电位,继电器线圈断电,常闭触点闭合,常开触点打开。由于停机复位开关下触点闭合,刮水电机仍运转,其电路:
蓄+→点火开关→B2→B1→继电器常闭触点→停机复位开关下触点→搭铁→蓄-
只有当刮水片复位,停机复位开关常开触点才能打开,常闭触点才能闭合,刮水电机停止运转。
重复上述过程,实现间歇刮水。
2.可调节间歇控制电路
特点:
根据雨量大小自动开启或关闭雨刮电机,并自动调节间歇时间。
控制电路:

特点:
S1、S2、S3是安装在风挡玻璃上的雨水流量检测电极,雨水落在电极之间,可改变电极间电阻值,雨水流量越大,其阻值越小。
(1)雨量小时,雨水将S1与S3连通[距离近(2.5cm)],VT1先导通,继电器j1线圈通电,触点闭合,雨刮电机低速转动。

(2)雨量大时,雨水将S1、S2、S3同时连通[S1与S2距离远(3cm)],VT1导通的同时,VT2也导通,继电器j1、 j2线圈均通电,j1触点闭合,j2常开触点闭合,雨刮电机高速转动。

(3)雨停(雨刮开关打开状态)时,由于S1、S2、S3之间电阻都很大,VT1、 VT2均不导通,继电器j1、 j2线圈均不通电,雨刮电机停止转动。

3.电动刮水器控制电路实例:

刮水器开关具有5个挡位:
1挡:低速(42~52r/min)
2挡:高速(62~80r/min)
f挡:点动挡
0挡:复位停止挡
j挡:间歇刮水挡
风窗玻璃洗涤器
1.风窗玻璃洗涤器的组成
储液罐、洗涤泵、输液管、喷嘴

喷射压力:70~80kpa
洗涤泵连续工作时间:不大于5s,间歇时间10s。
喷水停止后,刮水器应继续刮动3~5次。
2.风窗洗涤器的工作原理
打开洗涤开关,洗涤泵转动,洗涤液经喷嘴喷出,同时雨刷片刮动风窗玻璃。
洗涤液罐和洗涤电机:

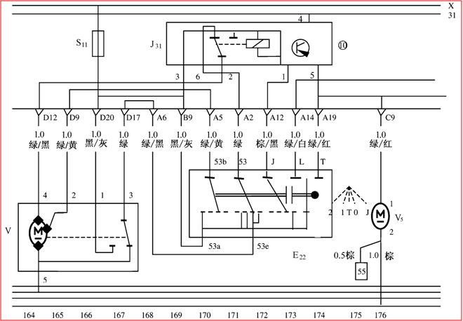
桑塔纳2000系列刮水及清洗置控制电路:

S11—刮水洗涤器熔丝;V—前风窗刮水电机;J31—刮水间歇继电器;E22—刮水洗涤开关;V5—前风窗洗涤泵。
风窗玻璃除霜装置
1.前风窗玻璃除霜—空调暖风除霜;

2.后风窗玻璃除霜—电加热除霜;

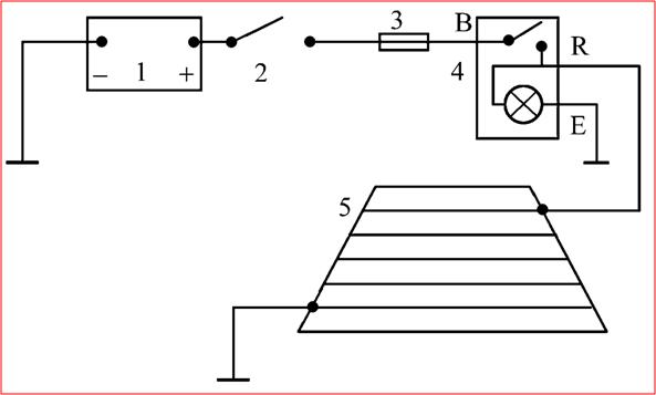
电热式后窗除霜器的组成与原理:

1—蓄电池;2—点火开关;3—熔丝;4—除霜器开关及指示灯;5--除霜器(电热丝)。
很多了在做人、做事、做学问等事情上都出现了“拔苗助长”的习惯,一个个相互之间攀比着谁以最快的效率达成实际上的效应。我很反感这样的彼此竞争,因为很多时候我们所做的事情是没有实际效果的,有的事情就需要本身慢慢的去积淀,这需要漫长的煎熬与等待。如果任何事情都可以用肉眼来衡量、去追溯所获取的成绩与得失,那还需要坚持与耐心干什么?所以当我们遇到一件事时不要老想着以最快的速度以达成物质标准衡量的程度,而是多放点时间在里头用整体、系统的思维方式去完整的切割它而不使他/她零碎和丧失与其它部分的功能与联系,我想这才是“匠心精神”所独有的魅力。