
最近正在整理宝马车型的几款发动机的资料,正好可以写一篇关于宝马发动机型号变换的文章,让我们对宝马的发动机有一个清晰的认识;
熟悉宝马的人都应该清楚宝马的发动机经历了这几个变化:

宝马的发动机从最开始的M系列,发展到N系列,直到现在使用的B系列发动机,这三个型号的发动机是最常见的三种型号,搭载在宝马3系、5系等车型之中;
一、宝马M系发动机
一提到宝马的M系发动机,我想脑海里一定会浮现出M54这个代号。它是一台直列六缸自然吸气的发动机,2002开始推向市场,并普遍搭载在宝马E36、E46(宝马3系)、E39、E60(宝马5系)等车型;

宝马M54的发动机主要有三种型号:M54B22、M54B25和M54B30,宝马E60系列自投入市场起,最初采用的型号为M54B22和M54B30,随后于2003年9月推出另一改进型号M54B25;

宝马M54都是直列六缸发动机,B后面的数字代表发动机的排量,22对应2.2L、25对应2.5L、30对应3.0L,你可以跟上表中的排量进行对比看看;

宝马M54发动机最常见的故障就是VANOS橡胶圈老化、断裂的问题,上图就是宝马的VANOS系统,中文名称叫可变凸轮轴正时控制系统;

具体的就是这个东西的两个橡胶圈的问题,出现问题的时候只要替换这两个橡胶圈即可,这个橡胶圈的问题是厂家货源的问题,后来N系列发动机上市以后,就解决了这个问题;
宝马M54发动机VANOS的橡胶圈问题主要出现在4年或者十万公里以上的车辆上面,橡胶圈老化、断裂以后导致发动机动力下降、油耗升高、启动困难、低扭无力、怠速忽高忽低等现象;
二、宝马N系发动机
新一代发动机NG4系列,是M系列发动机的替代产品。这一代N系列发动机我们熟知的有很多型号,比如:N52、N55、N46、N13、N20等

这是N52发动机,它是M54/M56的换代产品,新一代的宝马6缸发动机。通过采用轻型结构设计方案,N52比M54减轻了10kg。世界首创的铝镁合金复合式曲轴箱和轻型结构排气歧管对此贡献最大。
N52发动机首次应用于E63和E64上。

宝马N52发动机常见的故障:发动机气缸盖罩区域有油污,涉及发动机型号:N52、N52K、N52T、N54、N54T、N55;


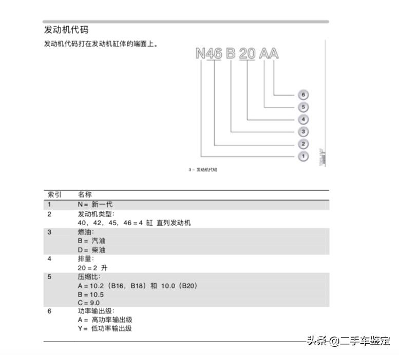
这是宝马的N46发动机,这是一个直列四缸发动机。它的上一代产品是N40、N42,这一代的N45、N46对其进行了改进,改进了平衡轴、曲轴、连杆、火花塞、真空泵(仅限N46)、滚子式气门摇臂、气缸盖罩等;
对于N45/N46发动机常见的型号有三种:N45B16、N46B18、N46B20,我们最常见的就是N46B20发动机;

对于N系列发动机,我们应该了解发动机代号的含义:

宝马N46发动机常见的故障:
1、发动机烧机油的故障
一般车辆行驶10万公里左右,出现烧机油的现象,一般来说原因是气门油封老化导致;
2、发动机气缸盖罩、真空泵存在机油渗漏现象
1、气门室罩盖密封件不密封或破损。
2、真空泵泄漏
a)真空泵外壳的密封圈
对于零件号为11 66 7 542 498-03 及11 66 7 635 656的真空泵,未收到过漏油报告(新的真空泵自 2011 年 9 月起开始生产,截至约 2012 年 1 月逐渐用于车辆生产。)
b)真空泵及缸盖间的密封圈

这是宝马N20发动机,N20 发动机是 BMW 新一代的 4 缸汽油发动机。它将逐渐取代 4 缸发动机 N46 和 N43 以及 6 缸自吸式 发动机 N52 和 N53。N20 发动机采用了将 TVDI涡轮增压 Valvtronic 直接喷射与 TwinScroll 废气涡 轮增压器配合使用等最新术。
宝马N20发动机常见的故障:发动机气缸盖罩区域机油渗漏
三、宝马B系发动机

这是宝马B系列发动机,也是最新一代的发动机。宝马B系列发动机主要采用模块化生产,这样做的主要目的降低成本、提高生产过程的灵活的,提高客户满意度。
最后,我们总结一下宝马3系、宝马5系各个年款采用的发动机型号:

