早上收到客户送修的一台联想V110-151KB,昨天浇花的水壶洒到电脑上面了,当时清理了水,并用吹风进行吹干,没有拆机,今早还是笔记本不开机,客户用来打发票的,希望尽快把机器搞好。

维修过程:
拆出主板,明显已经进水不成样子了!如图:


只放了一宿,就烧成这个样子,有点不敢相信!

上可调电源待机0.11明显偏高,用洗板水清洗主板进水部位,然后打助焊剂,加焊,待机恢复正常,触发电流只跑到0.052,风扇在转,测所有供电,除了待机电压之外,只有内存是0.126V,明显不对。
内存供电部分打值,发现上管G极和上管S极打值只有0001,换了芯片上下管,故障依旧。

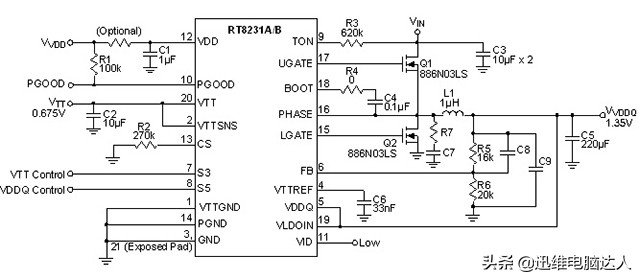
因为这是第三次遇见这种故障,前两次没有图纸、芯片手册也找不到,索性这次找到了内存供电芯片手册,看看到底是哪里出了鬼。

经过查找,内存供电芯片型号是RT8231,只找到了一份引脚定义和功能应用。

测量第9脚频率设定的电阻已经断线,更换一个620K的电阻后,通电故障依旧。

对照参考资料,测量一圈电阻阻值没有问题,自举电阻电容也换了,通过BIOS屏蔽了4代内存颗粒,通电故障还是一样。
仔仔细细查找终于发现了猫腻。CPU供电芯片有一个电阻像腐蚀断线了。如图:

经过测量,确实是断线了,应该是个供电电阻,找了个几百欧的电阻换上去。

通电,跑码了!测内存供电上管G-S还是短的,但示波器已看到波形了,内存供电正常产生。

上管G极,正常应该是25-26V方波,我的示波器电压偏高1-2V。

上管S极波形,即电感前段的波形,正常是20V方波。不会用示波器的小伙伴,请自行补课,也可以到迅维找阿林老师!
装机测试,机器已经正常亮机。

总结:进水的机器很多都是断线,或者清洗掉件,保留主板原始图片,仔细排查故障,尤其是电阻电容是否有引脚腐蚀断线,维修是一本大书,细心总会有收获!
喜欢我们内容,需要维修咨询的小伙伴,点击关注我哟!
本案例由迅维学员(一碗江南)原创提供,未经允许不得转载!