VIN:LSGGF53W2DH××××××。
行驶里程:29100km。
故障现象:客户反映行驶中仪表显示维修悬挂系统。

图1 仪表显示
故障诊断:试车确认故障现象存在,GDS检测到“C0600 05 右前加速传感器回路”,故障现象是当前,如图2所示。

图2 故障码
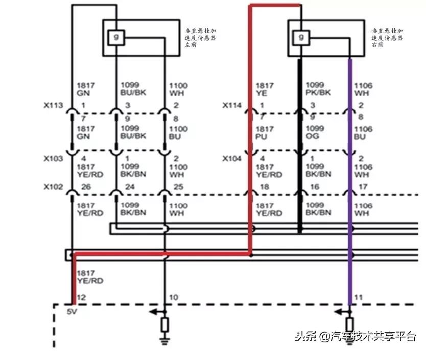
根据SBD的诊断流程和维修手册故障的电路说明,悬挂控制模块向每个车身加速度传感器提供一个5V参考电压和一个低电平参考电压。车身加速度传感器向悬挂控制模块提供一个0.5~4.5V信号。
根据电路图(如图3所示)分析,点火开关打开ON挡,X114的1号脚与3号脚电压为5V。

图3 垂直悬挂加速度传感器电路
测量信号线2号脚对电压、搭铁均正常。并且左右加速度传感器已对换过,故障现象仍然存在。
考虑到前悬挂线束在行驶中会产生故障,故更换前悬挂线束,让客户暂使用。客户使用了两星期左右又反映故障重现,并偶尔出现倒车打方向打不动现象。
第二次进店在听取客户叙述后,再次试车,确认故障现象。发现每次出现故障时仪表灯闪烁,有时会伴随蓄电池电压下降,最低可到12.4V左右,如图4所示。

图4 仪表显示
遇其他同款车型相比均显示偏低,测量蓄电池电压12.45V左右,正常,测量发电量在14V左右。
使用GDS再次读故障码,故障显示有“与转向盘角度传感器、电子制动模块、LIN总线3与设备8失去通信”等历史故障记录(如图5所示)。

图5 故障码
结合故障现象与故障码,认为故障可能存在以下几方面:
(1)电源线路部分存在接触不良;
(2)电器部件损坏(间歇性);
(3)公共电源与接地部分有问题。
由于仪表灯会闪烁且信息中心电压会下降,检查蓄电池电压12.48V,正常;充电系统检测,充电电压正常。考虑电压会瞬时下降,故建议客户更换发电机试试,后来客户同意更换发电机与蓄电池。原蓄电池是(EN438)小蓄电池。更换完后试车,故障暂未再现,交车给客户,但两星期后客户反应故障又一次出现。
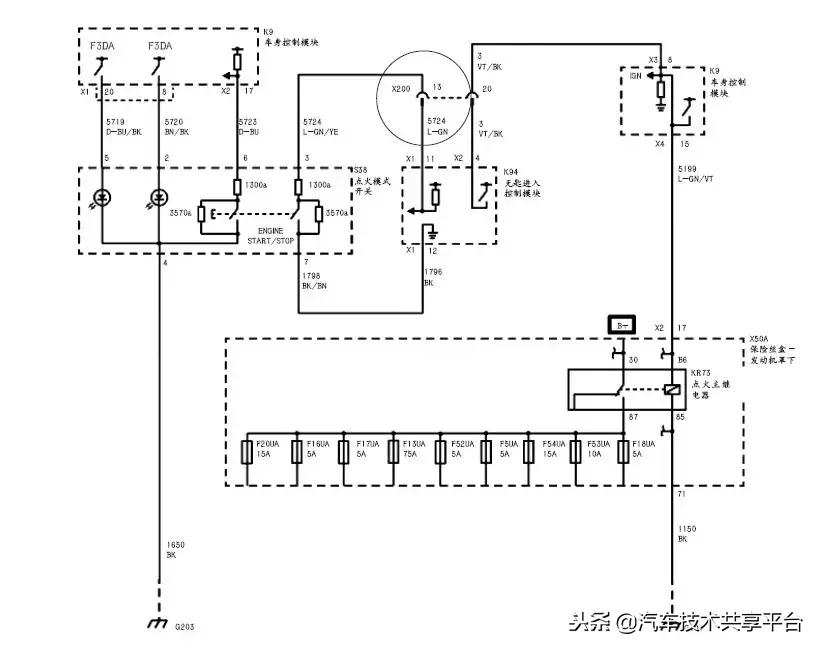
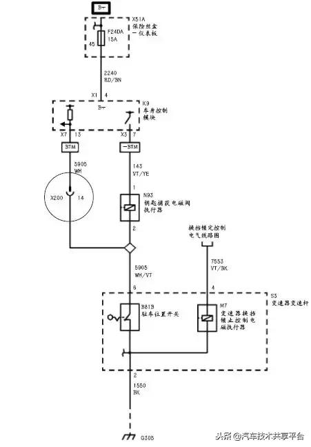
客户再次进站维修,技师按电路图(如图6、图7所示),测量并打磨发动机舱所有接地点,并且更换蓄电池负极线与保险丝盒的电源线,检查驾驶舱X200插头,发现内部有氧化现象(如图8所示),检修并清洁X200,交车给客户。

图6 X200插头电路1

图7 X200插头电路2

图8 X200插头
技师原以为X200的针脚氧化会造成此次故障灯闪烁,认为故障有可能排除,可是一段时间后故障又重新出现。只得再次邀约客户来店重新检测电源供电线路,这次技师重新对照图纸,仔细分析,寻找问题的症结,如图9所示。

图9 电源电路
发现之前疏忽了至关重要的一点,就是除了蓄电池本身的问题外,与之相关的还有它的连接线路!果然故障就是蓄电池与保险丝的连线接触不良造成(如图10所示),更换不良线束后故障排除。

图10 线束接触不良位置
故障总结:维修此类故障,由于故障现象有时很难模拟,每次维修或断电后均不能再现故障现象,造成诊断方面思路混淆并多次重复维修。维修隐形故障,还需针对故障的源头去做仔细分析,贸然下结论是要吃苦头的。