空气幕又称为风幕机、门帘机、风帘机、空气门。

主要用以装置在有空调环境的公共场所的出入口上,应用特制的高转速电机,带动贯流式、离心式或轴流式风轮运转产生一道强大的气流屏障,形成一面无形的门帘,有效的保持了室内外的空气环境,能有效保持室内空气清洁,阻止冷热空气对流,减少空调能耗,延长空调使用寿命,防止灰尘、昆虫、及有害气体的侵入。

风幕机的分类:
按配用风机型式可分为贯流式、离心式、轴流式。
1)贯流式:又称横流式,具有圆筒式形状,气流垂直于轴线进入,以相反方向穿过叶片排出。贯流式风幕机进出口气流在较大的送回平面内很均匀。

2)离心式:气流从风轮的轴向进风从径向出风离心式风幕机出风集中,压力较大,适用于隔离空间大的场合。
3)轴流式:气流主要沿轴线方向运动,即沿轴线方向进,同时也沿轴线方向流出。轴流式风幕机出风集中,风量较大,适用于安装高度较低、空间较大的场合。
按送出气流的处理状态分为非加热风幕机和热风幕机。其中热风幕机按其热源种类又可分为热水加热、蒸汽加热和电加热。
按风轮直径分为90mm、120mm、130mm和150mm等,大小不同,产生的风量也不同;
按机身长度可分为900mm、1000mm、1200mm、1500mm、1800mm等;
按安装高度可分为25、30、35、40、45等,分别对应安装高度:2.5米、3.0米、3.5米、4.0米、4.5米以上;
按送风方向可分为上送式和侧送式。
自然风风幕机:
自然风风幕机主要用于华中华南等高温炎热地区,以夏季阻隔室内冷气外流为主要目标;
自然风风幕机结构比较简单,目前国内外各大品牌都有自然风风幕机产品,而且产品比较成熟;
一般而言,自然风风幕机由于出风口部分没有加热器阻隔,因此风力、风量充足,可悬挂高度较高。
热风幕机:
主要用于华北、西北及东北等地,主要用于冬季阻隔室外冷空气侵入,即封门,另外还起到辅助加热取暖的作用;
目前最常见的热风幕机以电辅加热为主,在出风口末端安装有PTC加热器,用于对气流进行加热;
确保加热效果,因此出风口位置的加热器密度较高,而且尺寸较大,因此必然导致出风口风速降低、风量减小,从而严重影响风幕机的另一个主要功能-风力阻隔;
为解决此难题,有些厂家将加热器设置在了风幕机的背部进风口,从而在气流进入风幕机腔体时进行加热,如此减小了风幕机出风口部分的风力阻尼,从而完美解决了这一问题。
冷热两用风幕机:
冷热两用风幕机都以中央空调系统的水为冷热源,夏季可用中央空调系统的冷水进行制冷,冬天可以制热,和一般电辅加热风幕机相比,增加了夏季制冷功能,从而拓展了风幕机的功效。
风幕机专业术语及解释:

空气幕相关标准:
JB/T9067-1999《空气幕》
13K312《空气幕选用与安装》
上送式:系指空气幕安装在需要隔绝气流交换的门洞或其他场合的上部,向下送风的方式(见图1)。
侧送式:系指空气幕安装在需要隔绝空气交换的门洞或其他场合的单侧或双侧,水平送风的方式(见图2)。

空气幕的型号由大写汉语拼音字母和阿拉伯数字组成,具体表示方法如下:

风幕机型号说明:


空气幕基本参数:

1)指最大风量时的值。
空气幕的噪声(声压级)限值不超过下表规定:

1)风量为1000~1600 m3/h。
如何选购合适的风幕机?
选用风幕机应根据门的实际宽度和高度,参照风幕机的技术参数来选择,选购时要注意两个主要参数。
第一个是安装风幕机的门口宽度。风幕机的长度应略长于或等于门的宽度,若门过宽时,可采用多台连接使用(如门口宽度为2米,则可选择两台1.0米长度的风幕机,如门口宽度为2.4米,可以选择两台长1.2米的风幕机);
第二个是安装风幕机的门口高度。(一般风幕机可吹2.5米高,如门口高度超过3米则需要选择加大风量的风幕机,否则无法达到风力阻隔要求)
选型注意事项:
门的高度应在风幕机的有效隔断距离之内,如果安装的实际环境不同,例如靠近公路或处于风沙较大的地区,应选用风幕机的有效隔断距离大于门的高度的风幕机。
门的高度较高时,应尽量选用遥控型的。
在油烟浓度大的地方,如:厨房,应选用金属风轮的风幕机。
大风量风幕机并不一定是最好的选择,因为风量越大,随之而来的是噪音值越高,对于对噪音值有严格要求的场所,除了风量参数外,更多需要考虑是否舒适性。
选型误区:并不是风速越高,风幕机的隔断效果就一定越好。风速过大,碰到地面后反弹引起气流乱串,从而影响风幕机对室内外空气的隔断效果。因此为避免选型误区,要根据具体的门高并加以结合具体环境来选用。一般来讲,门高3米以内,到达地面的风速能在2米左右,就能起到很好的隔断效果。
系统设计:
空气幕的送风方式,公共建筑宜采用由上向下送风。工业建筑,当出入口宽度小3m时,宜采用单侧送风;当出入口宽度为3~18m时,应经技术经济比较,采用单侧、双侧送风或由上向下送风;当出入口宽度超过18m时,应采用由上向下送风。
热空气幕的热媒宜采用0.07~0.04MP的蒸汽或不低于90℃的热水。热(冷)水空气幕,当供热和供冷共用1套热交换器时,热媒温度不宜高于65℃。
采用由上向下送风(顶送)的空气幕,当一台空气幕的长度不够时,可采用两台或多台空气幕并联的形式。


大门空气幕:侧送式、下送式、上送式。

吹吸式空气幕:

下(侧)送式空气幕计算:

x=0、y=0;x=H、y=0,该点的流函数为:

注意问题:
出于经济上的考虑,空气幕效率一般采用下列数值:下送空气幕0.6~0.8,侧送空气幕0.8~1.0。
侧送时射流的喷射角一般取45°,下送时,为了避免射流偏向地面,取30°~40°。
空气幕射流与室外空气混合后的温度不宜过低,否则大门附近的工人会有冷的吹风感。下送时,混合温度应不低于5℃;侧送时,混合温度应不低于10℃。
吹吸式空气幕风量的计算方法 :
速度控制法:苏联学者巴图林提出,首先选定喷气射流最远点的控制风速,然后再计算吸气罩口的流速和流量的方法,此法称为速度控制法,又称为巴图林法。
对于有尘毒产生的工业槽,其计算方法为:
对于尺寸(如槽宽)、温度一定的工业槽,按下列公式和经验数据确定射流终点(气罩口前)的平均速度:
经验数据:

为防止喷射气流溢出吸气罩,吸气罩的吸风量应大于射流终点(吸气罩前)的射流流量,吸风量为射流量的1.1~1.25倍;
射流吹风口高度W一般为吹吸罩间距离B的0.01~0.15倍,即W=(0.01~O.15)B,W的实际尺寸应大干5~7mm,以防吹风口堵塞,吹风口出口速度不宜超过10~12;
要求吸风罩口上的速度V3≤(2~3)Vc,V3过大,吸风口高度H过小时,含尘(或毒)气流容易溢出吸气罩,H也不能过大,否则影响操作。按扁平射流公式计算吹风口V0。

确定系数法:
该法首先根据工业槽温度、横向气流及槽面因操作等千拢因素决定出单位槽面排风量L`3=1830~2750,则吸气罩排风量L3=单位槽口表面积×槽口表面积,

不足之处:在侧向气流或压力作用下射流会发生偏转,必须有防护措施;
未考虑吸气罩的吸气作用,这是此法计算上的缺欠。
吹吸式空气幕的应用:

设计图例:


水力设计:
为方便机组使用及维护保养,水力系统设计时应在机组进出口设置截止阀。为防止杂物或碎石进入换热器,机组进口最好设置一个不低于80目的Y型过滤器。如选用的为带控制功能机组时,则需要另外在进、出水管靠机组一侧安装两个测温盲管,用于安装机组提供的进出水传感器,其安装及制作方法,可参见下图。

风幕机的安装:
请查阅13K312《空气幕选用与安装》:


1、风幕机应安装于门框上方。必须将地线接好,初次试机时、机器下方严禁有人。
2、电热型为大功率供热产品,购买前应核算电量是否满足产品需要,外接电源应配置与机器电加热功率匹配的空气开关,以实现过流保护,由专业电工负责选配电源线,空气断路器及安装接线;由专人负责日常使用与维护,无人值守时严禁使用。
3、安装底板必须牢固地固定在墙上(或柱子上),防止由于松动而引起的振动。
4、安装搬动时,不允许将导风板当提手去提,以免导风板脱落或断裂;由两个人分别托在风幕机后面的金属底板上,防止塑料外壳因受力不均而碎裂。
底板的安装方法:
例:对应安装底板上的孔的位置,安排8个螺栓(M10/60)的相对尺寸位置,把螺栓预埋在水泥中,或者直接在混凝土上钻孔用膨胀螺丝固定之。
1、待砂浆充分干后,将安装板用垫圈螺母固定螺栓上,见如下图所示。
2、机体挂脚一定要插入安装板上安装孔中。

管道安装:
测温盲管与进出水管焊接应严格密封,不能有渗水或漏水现象。
从机组上取出进/出水传感器,辨认清楚后分别插入进/出水管的测温盲管内。(插入传感器之前须挤入适量导热硅脂在测温盲管里)
连接管道前,请按照机组进出水口标识辨认清楚机组的进出水口,防止水管接错;
接管时,管道螺纹用生料带做密封防止漏水,用管钳固定机器上接头,旋转接水管,绝不能使机器预留接头直接承受全部旋转扭力;

热水、蒸汽空气幕:
热水供水温度宜为不低于95℃的热水。热水流量应使其散热排管中水流速在O.2m/s以上,以保证散热效果。
热水空气幕的进出水管,一般是下部进水、同侧上部出水(下进上出),支管坡度应采用i>O.O1,坡向应有利于排气和泄水。
热水空气幕的配管及附件见下示意图:

1-热水空气幕热交换器; 2-热水供水管;3-热水田水管;4-截止阀; 5-过滤器;6-金属软管;7-电动二通调节阀;8-电动三通调节阀。
蒸汽空气幕以蒸汽为热媒,设备内设有蒸汽热交换器,将空气加热到所需温度,严寒地区、寒冷地区使用较多。蒸汽空气幕蒸汽压力宜采用0.07-O.4MPa。
每台蒸汽型空气幕应单独设置疏水装置。疏水装置的选用由工程设计确定,并应遵循国家标准图集05R407 《蒸汽凝结水回收及疏水装置的选用与安装》的有关内容。
管道连接一般是蒸汽管在上,凝结水在下(上进下出),异侧接管,支管坡度宜采用i≥O.O1,坡向应有利于排气和泄水。
蒸汽空气幕的配管及附件见下示意图:

1-蒸汽空气幕热交换器;2-蒸汽管;3-凝结水管;4-截止阀;5-过滤器;6-金属软管;7-疏水装置(包括疏水阀、截止阀、止回阀、过滤器、检查管、冲洗管等);8-电动二通调节阀。
热(冷)水空气幕:
热(冷)水空气幕以热(冷)水为介质,设备内设有热交换器,将空气加热或冷却到所需温度,一般用于空调建筑。
热(冷)水空气幕,当热媒与冷媒共用热交换器时,热水供回水温度宜为60-50℃,冷水供回水温度为宜7 -12℃。若热水温度高于65℃, 则应有防止结垢的有效措施,以保证供冷时的热交换效果。当供热与供冷的热交换器分开设置时,则热媒宜采用不低于95℃ 的热水。热水、冷水流量应使其热交换器排管中水流速在0.2m/s 以上,以保证供热、供冷效果。
空气幕的进田水管,一般是下部进水、同侧上部出水(下进上出)。支管坡度宜采用i≥0.01。坡向应有利于排气和泄水。空气幕应设冷凝水排水管,坡度i≥0.01。
冷(热)水空气幕的配管及附件见下列示意图。

1-热(冷)水空气幕热交换器;2-热(冷)水供水管;3-热(冷)水回水管;
4-冷凝水排水管;5-截止阀;6-过滤器;7-金属软管;
8-电动二通调节阀;9-电动三通调节阀。
吊装机组用杆长度超过1m时,应采取防止晃动的措施,可根据施工现场情况,采用拉索、拉杆等方式。
具有供热和供冷功能的暖(冷)空气幕,应保证机组冷凝水顺利排除。
热水型、蒸汽型、热(冷)水型空气幕应按施工图设计要求,连接相应的热(冷)媒管道,支管上安装截止阀、过滤器、止回阀、泄水阀、排水放气装置等附件。热媒为蒸汽时,每台设备应单独设疏水装置。
热水型、蒸汽型、热(冷)水型空气幕安装完毕,应进行水压试验。设计无特殊规定时,热水型、蒸汽型空气幕按国家标准《建筑给水排水及采暖工程施工质量验收规范》GB50242-2002第8.6节执行;热(冷)水型空气幕按国家标准《通风与空调工程施工质量验收规范》GB 50243-2016第9.2.2-9.2.3 条执行。
设备支吊架:
支串架必须待设备到货与设计文件核对无误后再行施工。若设计文件与设备实际尺寸不一致时,应按设备实际尺寸做相应修改。
预埋件应满足国家相关标准规范的要求。
膨胀型锚栓及布置应按行业标准《混凝土结构后锚固技术规程》JGJ145-2013及相关资料由结构专业进行复核与验算,并应根据实际情况确定锚固深度,且应满足以下要求:在抗震设防烈度为6度的地区,不小于5d;在抗震设防烈度为7度的地区,不小于6d;在抗震设防烈度为8度的地区,不小于7d。d为锚栓直径。支用架施工应确保结构连接点的强度,并保证其预埋件、焊接、后锚固等的可靠性。
设备及支用架对建筑结构等强度及稳定性的影响,需由结构专业人员进行验算。
支串架的材料规格按空气幕重量分档列出。各种安装方式只适用于相对应的重量档次范围内。
采用多台顶送空气幕并联安装时,其重量为多台空气幕的总重量。
空气幕在砖墙、混凝土墙上的安装方式也可用于砖柱、混凝土柱上,但对柱体尺寸的要求、设备重量范围等,需由结构专业人员经计算后确定。
所选空气幕若还有其他固定安装要求和安装方式,可按该设备具体要求并参照13K312图集中的相关内容由工程设计确定。
支架、南架零部件的材料按相关国家标准选用。
支架、南架的钢制构件,应在清除表面灰尘、污垢、锈斑及焊渣后,涂防锈漆两道,明装部分再涂调和漆两道。面漆颜色宜和设备协调。除锈及涂漆应符合有关标准的要求。
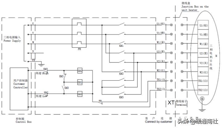
电气原理及接线:
所有接线和接地都要符合当地电气规定,根据需求按电气原理图进行正确接线;
用户确定是否带有控制或单、双速,并根据相应原理图进行接线(虚线部分根据需要,由用户现场连接);
打开接线盒进行连线,带有控制功能机组还需要连接传感器。机组出厂时,进出水温度传感器放置在机组电控盒内。安装时解开*绑捆**线,分别将传感器插入机组进出水测温盲管内。(插入前,盲管内应填充适量导热硅脂);按照要求配线(回路电流为额定电流的1.25倍),接线严格按图执行,接线牢固。
机组应有良好的接地。接地线切不可接到煤气管、水管、电话线上,接地不良,会导致触电事故。
应配置漏电保护开关。机组不可安装在易燃、易爆的环境中。电气原理图(常规):

外部接线原理图(星—三角双速)

外部接线原理图(单速Δ)
组网示意图:

使用与维护:
(一) 冬天,为了保持室内温度,使用时请开低速档;夏天则开高速档;为了防尘、防气味、防蛀等,使用请开高速档。
(二)风向调节板的方向:
当室内供暖时,转动导风板,风口向外;
当室内供冷时,转动导风板,风口向内;
当用之防尘、防蛀、防气味等时转动导风板,风口向外。
(三)保养办法
1.检查、清洗本机前应切断电源。
2.用一块柔软的织物用中性清洗剂沾湿,清洗进风百窗板、风帘叶片和罩壳。
3.清洗叶片时,用力轻柔,否则将引起变形和颠振。
4.电机不要被沾水弄湿。
空气幕通水(汽)前,应通水清洗与空气幕连接的管道,以防异物堵塞其热交换器。
空气幕运行时,应自动排净管路系统及热交换器中的空气,以保证热交换效果。
调整空气幕送风百叶风口叶片的开启角度及射流方向,以得到合适气流。
供给空气幕的热、冷水应经软化处理,以减少水垢产生。
定期用压缩空气清洗空气幕,并用化学方法除去热交换排管中的水垢。
空气幕不使用时,热交换器及管路系统应排除积水,以防冻裂。
严格遵照图示接线,确保接线准确无误。
机器不能正常启动的几点常见原因:
1.接线不正确;
2.线头松动脱落;
3.电源板故障;
4.遥控器故障;
5.通风口积满灰尘(热风幕不供热)。
本文素材来自于互联网,暖通南社整合编辑。