温控电路做工农业生产和日常生活中用途非常广泛,我们平时接触到的冰箱,空调,电热毯,电热水壶,智能洗衣机等。凡是有加热或制冷的地方基本上都要用到温控电路,所以我们了解一下温控方面的知识很有必要,下面对几种典型的温控电路做一下详细分析。
-,温控器控制的调温电路

电路分析:
主电路,三相四线电电源经过
3P+N漏电断路器,输出端接交流接触器输入端,交流接触器输出端接电热管的一端,另一端接在一起组成星星连接。
控制电路,火线从漏电断路器输出端引出,先接入一个1P 断路器,对控制电路起短路保护作用,经过断路器后接到温控器端子“相”上百家号,作为温控器的工作电源 ,零线接入温控器接线端子“中”上,从温控器端子“相”上引火线到热开触点,“低”上,温控器另一接线端子“总”接到交流接触器线圈接线端子“A1”上,交流接触器线圈另一接线端子“A2”上接零线。当热电偶检测到温度低于设定温度时,热开触点“总”和“低”接通,交流接触器线圈回路接通,接触器主触点闭合,电热管接通开始加热,随着温度等升高,的温度超过设定温度时,
热开触点断开,接触器线圈失电,接触器主触点断开,加热管断电停止加热,当温度再降到设定温度一下时,热开触点再次接通,再次重复上述过程。使温度接近设定值。
二,加热排气电路

电路组成,本电路由断路器,交流接触器,电热管,温控器,电风扇五部分组成。
电路原理,温控器热开触点与接触器线圈串联,热闭触点串联在风扇回路里,当环境温度低于设定值时,热开点闭合,热闭触点断开,接触器线圈得电,电热管通电加热,风扇回路断开,当环境温度高于设定温度时,热开触点断开,加热管停止加热,热闭触点闭合,风扇启动排气降温。
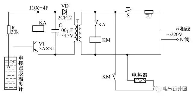
三,电接点温度计控温电路
