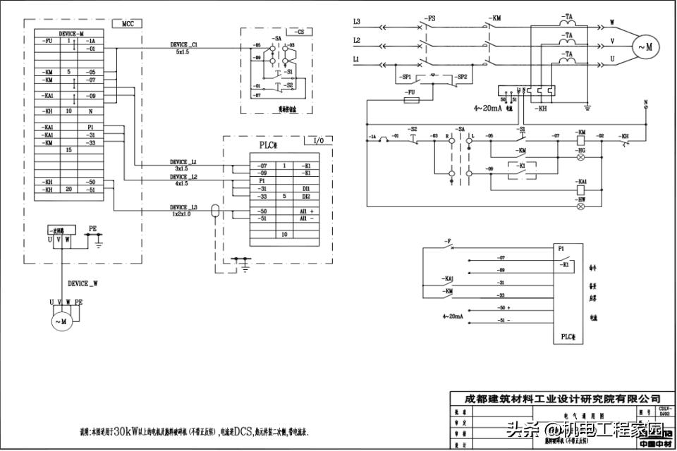
一、抽屉柜原理图组成部分介绍
1、主电路部分:就是电源到电动机大电流通过的路径。主要由断路器(FS)、接触器主触点(KM)、热继电器(FR)或综合保护器(KH)等电器元件组成。
2、控制电路部分:就是对主电路电流接通、断开的控制。由接触器的线圈及辅助触点、继电器的线圈及触点、热继电器或综合保护器辅助触点、转换开关、按钮、信号灯、速度开关、拉绳开关、跑偏开关等元件组成。

抽屉柜原理图控制原理
1、试验位置工作控制原理:首先抽屉柜推到位,抽屉柜上断路器操作手柄转至试验位置,断路器不接通,开关SP1闭合,PS2断开,电源指示灯亮(HW),现场开关箱转换开关转至中控位置(R),KA1得电,KA1常开触点接通,中控备妥,中控发出命令继电器K1得电(一直得电),K1常开触点闭合,接触器KM得电接通,接触器辅助触点接通,应答信号传回中控,完成试验启动工作;中控发出停止命令,K1失电断开,进而接触器失电断开,完成停止工作。
2工作位置控制原理:首先抽屉柜推到位,抽屉柜上断路器操作手柄转至试验位置,断路器接通,开关SP1断开,PS2闭合,电源指示灯亮(HW),现场开关箱转换开关转至中控位置(R),KA1得电,KA1常开触点接通,中控备妥,中控发出命令继电器K1得电(一直得电),K1常开触点闭合,接触器KM得电接通,接触器辅助触点接通自锁保持,应答信号传回中控,完成启动工作;中控发出停止命令,K1失电断开,进而接触器失电断开,完成停止工作。
日常故障及解决方法
(一) 中控无备妥信号
1、 控制回路熔断器是否断开(一般是有接地短引起,需要查找短路点,短路点一般是由现场开关箱及拉绳、速度、跑偏开关线路接地等引起,需重点查找)。
2、检查抽屉柜控制小空开( F )是不否合上带电(PLC共公线COM)。
3、转换开关是否转到中控位置(测量09接线端子是否得电220V)。
4、热继或智能保护动作(检查是否卡料及检查电机,复位)。
5、命令中继电器是否坏。
6: 未送电(送电)。

(二)、无应答跳停
1、命令信号丢失,检查命令中继是否损坏(更换)或PLC命令通道是否损坏,更换通道。
2、接触器辅助触点应答信号丢失,检查接触器及触点、线路及应答通道是否正常。
3、主空开跳、控制熔断器烧断或COM空开跳(检查电机、现场线路及COM空开)。
(三)、中控无法停机
1、查看是命令中继是否得电,未得电查看触点是否断开,未断开更换中继器
2、接触器主触头粘死或自锁辅助触点未断开(检查更换)
3、线路感应电引起(检查接触器线圈端电压是否正常,并电容或电阻)
日常巡检要点
1、仪表显示是否正常
2、查看主电路各接线头是否发热变色。
3、查看抽屉柜断路器、接触器是否发热及异响。
4、查看抽屉柜进线侧及出线侧动静插件是否发热(重点巡检)